
典型的なシングルディギット7セグメントディスプレイには10個のピンがあります。各ピンは、電力の共通端子として機能する2つのピンを除き、特定のセグメントを制御します。たとえば、ピン1はセグメント「E」(左下)に接続し、ピン2はセグメント「D」(下)を制御します。ピン3と8は、すべて接地(共通カソード)または電力(共通アノード)に接続されている一般的な端子です。ピンの残りの部分は、「C」、「B」、「A」、「F」、「G」、および小数点を照らします。

図2。7セグメントディスプレイピン構成
| ピン番号 | ピン名 | 説明 |
| 1 | e | 7セグメントディスプレイの左下LEDを制御します |
| 2 | d | 7セグメントディスプレイの底部の最もLEDを制御します |
| 3 | com | ディスプレイのタイプに基づいて接地/VCCに接続されています |
| 4 | c | 7セグメントディスプレイの右下LEDを制御します |
| 5 | DP | 7セグメントディスプレイの小数点LEDを制御します |
| 6 | b | 7セグメントディスプレイの右上LEDを制御します |
| 7 | a | 7セグメントディスプレイの最上位LEDを制御します |
| 8 | com | ディスプレイのタイプに基づいて接地/VCCに接続されています |
| 9 | f | 7セグメントディスプレイの左上LEDを制御します |
| 10 | g | 7セグメントディスプレイの中央LEDを制御します |
• セグメント構造:7セグメントディスプレイには、「8」の形状に似た数字を形成するように配置された7つのライト可能なバーが含まれています。これらのセグメントには、「A」から「G」から「A」とラベル付けされており、オプションの8番目のセグメントである10進ポイント(DP)、通常は右下にあります。これらのセグメントを異なるパターンで組み合わせることにより、ディスプレイは桁0〜9とA – Fのようないくつかの簡単な文字を表すことができます。この簡単なレイアウトにより、使いやすさのために数値ディスプレイに最適です。
• ディスプレイテクノロジー:これらのディスプレイは通常、LEDを使用します。ここでは、電流が流れると各セグメントが点灯します。LEDベースのモデルは、明るく、エネルギー効率が高く、さまざまな照明条件で見えるものです。一部のバージョンでは、LCDテクノロジーを使用しています。これは、消費電力が少なく、バッテリー駆動のデバイスに適していますが、LCDは一般に明るい設定では薄暗く、目に見えるものが少なくなります。
• 構成タイプ:2つの主要な配線方法があります:共通カソード(CC)と共通アノード(CA)。CCディスプレイでは、すべての負の端子が接続され、正の電圧を供給することによりセグメントがアクティブ化されます。CAディスプレイでは、すべての正の端子が接続され、個々のカソードを接地することによりセグメントがオンになります。選択は、回路設計とディスプレイの駆動方法によって異なります。
• 文字表現 :主に数値用に設計されていますが、これらのディスプレイは、特にaからFの限られた範囲を表示することもできます。これは、16進出力に役立ちます。7つのセグメントしかないため、ほとんどの文字や複雑なシンボルを正確に形成することはできませんが、基本的な英数字のニーズには十分です。
• 制御とインターフェース:各セグメントは個別にオンまたはオフにすることができ、多くの場合、マイクロコントローラーGPIOピンによって制御されます。制御を簡素化するために、7447やCD4511などのデコーダー/ドライバーICは、バイナリ入力を適切なセグメントの組み合わせに変換し、必要な接続の数を減らすことができます。
• 利点:それらの主な長所には、低コスト、制御の容易さ、読みやすさが含まれます。LCDバリアントはパワーを節約しますが、LEDタイプは明るく耐久性があります。これらの特性により、特に単純な数値出力で十分な場合、多くの電子デバイスで人気があります。
• 制限:最大の欠点は、限られた文字セットであり、全文や複雑なグラフィックスを表示できません。LEDモデルは狭い視野角を持っている可能性がありますが、LCDは明るい光で視界に苦労する可能性があります。これらの制限は、プロジェクトのディスプレイタイプを選択するときに考慮する必要があります。
|
画面
タイプ |
説明 |
利点 |
制限 |
|
7セグメントディスプレイ |
数字の7つのLEDセグメント
そして数人のキャラクター。 |
非常に使いやすい |
数字と限られた文字のみが表示されます |
|
ドットマトリックスが表示されます |
カスタマイズ可能なLED(5x7または8x8など)のグリッド
キャラクターとアニメーション。 |
安価で広く利用可能です |
テキストやグラフィックには適していません |
|
低消費電力 |
より複雑なプログラム |
||
|
看板、時計などで使用されます。 |
|||
|
英数字LCD |
の行を示したLCD(例:16x2、20x4)の行
固定サイズ文字(通常は5x8ドット形式)。 |
シンプルなインターフェース(標準プロトコル) |
固定サイズの文字 |
|
メニュー/ステータスディスプレイに最適です |
限られたグラフィック機能 |
||
|
さまざまな照明で読み取り可能 |
グラフィックディスプレイよりも遅い |
||
|
OLED画面 |
コントラストが高い自己排出ディスプレイ。で利用可能
モノクロまたはフルカラー。 |
高いコントラストと幅広い視聴角 |
より高いコスト |
|
薄くて軽い |
寿命が短い(特に青いピクセル) |
||
|
暗いコンテンツを表示するときの低電力 |
より多くのメモリと処理が必要です |
||
|
TFT画面 |
アクティブマトリックスを備えたフルカラー、高解像度LCD、
多くの場合、タッチ対応。 |
豊かな色と詳細 |
高出力消費 |
|
タッチを含めることができます |
より多くのRAM/処理が必要です |
||
|
ビデオ、GUI、ダッシュボードに最適です |
統合するための費用がかかり、複雑です |
7セグメントディスプレイの動作は、各セグメント内の光発光ダイオード(LED)の前方バイアスに基づいています。アノードからカソードまで、電圧が正しい方向に印加されると、セグメントが点灯します。各セグメントは、通常、マイクロコントローラーのデジタル出力ピンまたは専門のディスプレイドライバーICを介して、独立して制御できます。これらのコントローラーは、目的の文字に基づいて、いつでもどのセグメントがアクティブ化されるかを決定します。
過剰な電流からLEDへの損傷を防ぐために、電流を制限する抵抗器が各セグメントと直列に接続されています。この抵抗器は、各LEDを通過する電流が安全な範囲内にとどまることを保証します。これは通常、20〜30ミリアンペレス(MA)前後です。ただし、正確な値は、使用するLEDのタイプと必要な輝度によって異なる場合があります。7セグメントディスプレイには2つの主要な動作モードがあります。
1.静的モード:このモードでは、各桁とその対応するセグメントは継続的にオンになります。このセットアップには、各桁の各セグメントに対して個別の制御ラインが必要であり、多くの数字が使用されると非効率になる可能性があります。ただし、シンプルさと一定の明るさを提供します。
2.多重化モード :コントロールラインの数と消費電力を減らすために、ディスプレイは多重化モードで実行されることがよくあります。このモードでは、一度に1桁のみが点灯しますが、システムは、すべての数字が連続的に照らされていると知覚するのに十分な速度で数字を急速に切り替えます。この切り替えは、多くの場合、マイクロコントローラータイマーまたはシフトレジスタを使用して処理されます。これにより、タイミングと制御が正確になります。

図3。7セグメントLEDディスプレイのセグメントマッピング
上の図は、7セグメントディスプレイの構造とラベル付けを示しています。ディスプレイの10の異なるビューで、7つのセグメント(a、b、c、d、e、f、およびg)の長方形の配置を示しています。各画像では、さまざまなセグメントが緑色になっており、アクティベーションを表しています。これにより、個々のセグメントが数字の形成にどのように貢献するかを視覚化するのに役立ちます。この図は、さまざまな組み合わせを体系的に強調し、特定のセグメントをオンにすると認識可能な文字がどのように作成されるかを理解するのを支援します。
数字を表示するために、マイクロコントローラーは、セグメントの適切な組み合わせをオンにするバイナリコードを送信します。たとえば、「0」を表示するには、セグメントa、b、c、d、e、およびfがオンになり、gがオフになります。一般的なカソードディスプレイの場合、これはバイナリ0B00111111(または16進数で0x3F)です。一般的なアノードの場合、ロジックは0B11000000(0xc0)を反転します。コードはディスプレイタイプと一致する必要があります。そうしないと、間違ったセグメントが点灯します。バイナリルックアップテーブルを使用すると、処理時間を節約し、特にカウンターやタイマーなどの動的アプリケーションで高速で正確な更新を保証します。
以下の表は、共通のアノード構成を備えた7セグメントディスプレイに数字が表示される方法を示しています。
|
番号 |
G f e d c b a |
ヘックスコード |
|
0 |
1000000 |
C0 |
|
1 |
1111001 |
F9 |
|
2 |
0100100 |
A4 |
|
3 |
0110000 |
B0 |
|
4 |
0011001 |
99 |
|
5 |
0010010 |
92 |
|
6 |
0000010 |
82 |
|
7 |
1111000 |
F8 |
|
8 |
0000000 |
80 |
|
9 |
0010000 |
90 |
以下の表には、一般的なカソード構成を使用して7セグメントディスプレイに表示される数字が表示されます。
|
番号 |
G f e d c b a |
ヘックスコード |
|
0 |
01111111 |
3f |
|
1 |
0000110 |
06 |
|
2 |
1011011 |
5b |
|
3 |
1001111 |
4f |
|
4 |
1100110 |
66 |
|
5 |
1101101 |
6d |
|
6 |
1111101 |
7d |
|
7 |
0000111 |
07 |
|
8 |
1111111 |
7F |
|
9 |
1001111 |
4f |
このセットアップでは、デュアル桁7セグメントディスプレイの各セグメントは、現在の制限抵抗(通常は220Ω〜330Ω)を介してArduino UNOに接続されています。AからG(およびオプションの小数点DP)とラベル付けされたセグメントは、両方の数字に並行して配線され、ArduinoのデジタルピンD2からD9に接続されています。たとえば、セグメント「A」はD2、「B」にD3などに接続されます。各数字には独自の一般的なカソードピン(CC)があり、その数字が有効になっているかどうかを制御します。これらの一般的なピンは、Arduino Pins D10およびD11に接続され、多重化に使用されます。一度に1桁のみがアクティブになりますが、それらを十分に速く切り替える(通常は> 50Hz)、両方の数字が同時に点灯します。DigitalWrite()を使用して、どのセグメントが使用されているか、どの数字がアクティブになっているかを制御します。スケッチのルックアップテーブルは、対応するセグメントの組み合わせにマップされます(0〜9)。複数の数字を効率的に処理するには、コードまたはそれをサポートするライブラリの多重化を使用します。これにより、ダイナミックディスプレイの更新を可能にしながら、必要なArduino I/Oピンの数が減ります。

図4。Arduinoを備えた7セグメントディスプレイ回路
一般的なカソード(CC)7セグメントディスプレイでは、ディスプレイセグメントを形成する個々のLEDのすべてのカソード端子が内部的に接続され、1つ以上の外部の一般的なカソードピンにルーティングされます。これらの一般的なカソードピンは、通常、回路のグランド(GND)に接続されています。「A」から「G」からラベル付けされた個々のセグメントのそれぞれと、オプションの小数点(DP)には、独立して制御される独自のアノードピンがあります。
このタイプのディスプレイの特定のセグメントを照らすには、高電圧(通常、システムに応じて +5Vまたは +3.3V)を対応するアノードピンに適用する必要があります。カソードは接地されているため、電流はアノードからカソードに流れ、LEDセグメントが明るくなります。一般的なカソードの使用は、コントローラーが沈むのではなく、個々のセグメントピンに電流を積極的に調達できるため、マイクロコントローラーとのインターフェースを簡素化します。
この構成は、その簡単な配線とプログラミングロジックのため、初心者のエレクトロニクスプロジェクトで人気があります。さまざまなセグメントを組み合わせることにより、数値または限られたアルファベット文字を作成できます。たとえば、「2」という番号を表示するには、セグメントA、B、D、E、およびGがオンになります。マイクロコントローラーは、それぞれのピンを高く設定することにより、各セグメントをアクティブにします。
ただし、「8」などの文字を表示しようとすると、7つのセグメントすべてが同時にある必要がある場合に考慮が生じます。各LEDセグメントは、一定量の電流(通常は10〜20 mA前後)を描画し、すべてのセグメントが最大140 mA以上になる可能性があります。ほとんどのマイクロコントローラーI/Oピンは、複数のピンでこのような大きな総電流を同時に調達するように設計されていません。あまりにも多くの電流が描かれている場合、マイクロコントローラーを損傷したり、誤動作を起こす可能性があります。これを緩和するために、多くは外部ドライバーIC(ULN2003Aなど)、トランジスタアレイ、または電流制限抵抗を使用して、マイクロコントローラーを過負荷にすることなく負荷を安全に処理します。

図5。一般的なカソード7セグメントディスプレイ回路図
この図は、一般的なカソード7セグメントディスプレイの内部配線と外部配線を示しています。ディスプレイには、セグメントAからG 10進ポイント(DP)がラベル付けされています。各セグメントは、個々のLEDセグメントを表すダイオードシンボル(D1〜D8)に接続されています。すべてのカソードは一緒に接続され、地面にリンクされており、一般的なカソード構成を示しています。任意のセグメントのアノードに高い信号を適用すると、電流がセグメントを流れるようになり、それを照らします。
共通アノード(CA)7セグメントディスプレイでは、LEDセグメントのすべてのアノード端子が内部的に接続され、共通アノード(CA)としてラベル付けされた共通のピンに持ち出されます。この共通のピンは、多くの場合 +5V、正の電圧供給に接続されています。ディスプレイの各セグメントは、aからG(DPとラベル付けされたオプションの小数点付き)とラベル付けされており、外部接続と制御のためにカソードが露出しています。
特定のセグメントを照らすには、そのカソードを地面(低)に接続する必要がありますが、一般的なアノードは +5V(高)のままです。これは、セグメントを制御するロジックが、一般的なアノードディスプレイで、高い信号でオンになっている一般的なカソードディスプレイとは異なり、反転され、低信号でオンになっていることを意味します。その結果、コントロールコードは、一般的なカソードディスプレイに使用されるバイナリパターンを反転する必要があります。たとえば、一般的なカソードディスプレイの数値「0」を照らすパターンは、0x3Fのような16進値を使用する場合があります。一般的なアノードディスプレイの同じパターンは0xc0であり、これはビットワイズ逆です。
電流を沈めることができるマイクロコントローラー(つまり、出力ピンを地面に引っ張る)は、電源を入れる必要があるセグメントの回路を効果的に完了できるため、CAディスプレイを運転するのに適しています。これらのディスプレイは、NPNトランジスタや特定の種類のロジックゲートを使用する場合など、他のコンポーネントがアクティブローロジックで動作するシステムでも有利です。ただし、ディスプレイエラーを回避するために、この逆動作を考慮するようにファームウェアまたはドライバーロジックが適切に構成されていることを確認する必要があります。

図6。一般的なアノード7セグメントディスプレイ回路図
図は2つの部分で構成されています。左側には、内部セグメントラベル(AからGおよびDP)を示す一般的なアノード7セグメントディスプレイの図と、それらが数字を形成するように配置する方法があります。上部に1つの一般的なアノードピンが接続されています。右側では、単純化された回路回路図は、各セグメント(A〜G、DP)が対応するダイオード(D1〜D8)に接続されていることを示し、すべてのアノードは共通の高電圧(CA)に結び付けられています。各カソードは、対応するセグメントをオンにするために接地によって個別に制御できます。

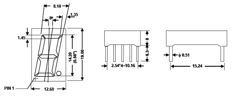
図7。7-セグメントディップディスプレイのアウトライン
上の図は、デュアルインラインパッケージ(DIP)形式の7セグメントディスプレイの標準寸法を示しています。ディスプレイは、高さ14.20 mm(0.56インチ)の数字で、屋内と屋外の両方の設定での視認性を保証する広く使用されているサイズで、ベースから上まで19.00 mmの高さに位置しています。セグメントは8°で内側に角度を付けられており、オーバーヘッドの観点から読みやすさを向上させます。
ディスプレイボディの幅は約12.60 mmで、標準のPCBレイアウト用に最適化された厚さがあります。ピン間隔は、従来の2.54 mmピッチに続き、各列には4つのピンを含み、全長10.16 mmを測定します。列は、パッケージ全体で15.24 mm離れた間隔があります。各ピンの直径は0.51 mmで、標準のディップソケットまたは穴の寸法と互換性があります。PCB表面とディスプレイベースの間のスタンドオフは、6.3 mmから8.0 mmの範囲であり、はんだ付けと気流に十分なクリアランスを提供します。
適切な7セグメントディスプレイを選択するには、正しいサイズを決定することから始めます。小さいものはハンドヘルドデバイスに適していますが、大きいものはメートルまたはパブリックディスプレイの読みやすさを向上させます。次に、色について考えてください。赤いLEDは、エネルギー効率が高く、電圧が低いため、一般的です。緑や青のような他の色は、より多くの電力を使用し、より高い電圧を必要とします。
また、ディスプレイのタイプ(一般的なアノードまたは一般的なカソード)を回路に一致させる必要があります。たとえば、マイクロコントローラーが電流(ソース)を供給できる場合、一般的なカソードディスプレイの方が適しています。電流のみを沈めることができる場合は、一般的なアノードを使用してください。現在の評価、明るさ、ピンの割り当てについては、常にデータシートを確認してください。これにより、ディスプレイが予想どおりに機能し、電圧や電流が誤っていないことからの損傷を回避できます。
7セグメントディスプレイの最も一般的な用途の1つは、デジタル時計と腕時計です。これらのディスプレイは、その明確さとシンプルさのために、時間、数分、秒単位の時間を表示するのに最適です。ベッドサイドテーブルの目覚まし時計であろうと、壁に取り付けられたオフィスクロックであろうと、7セグメントディスプレイは、遠くから時間を簡単に簡単に読む方法を提供します。彼らの明るい照明は、低光または暗い環境でも見えるようにします。
ホーム環境と医療環境の両方で、デジタル温度計は多くの場合、7セグメントディスプレイを使用して温度測定値を表示します。それらは、屋内/屋外の天気の温度計、ボディ温度計、およびHVACシステムで使用されています。通常は2桁または3桁の数字を表示する必要があるため、7セグメントディスプレイは完璧なフィットで、完全なグラフィカルなディスプレイを必要とせずに高速で読みやすい出力を提供します。
7セグメントディスプレイは、電圧、電流、抵抗を測定するために使用されるツールであるデジタル電圧計とマルチメーターの標準機能です。これらのディスプレイにより、正確な数値読み取り値を即座に確認できます。それらの速い応答時間と読みやすさにより、電子機器のテストとトラブルシューティングに適しています。
ガソリンスタンドでは、燃料ディスペンサーが大規模で堅牢な7セグメントディスプレイを使用して、調剤された燃料の量、ガロン/リットルあたりのコスト、および総コストを示します。日光と過酷な屋外条件で読みやすいままでいる能力は、この環境に最適です。また、頑丈で長持ちしているため、メンテナンスのニーズが軽減されます。
多くのキッチンアプライアンス、特にマイクロ波は、7セグメントディスプレイを使用して、調理時間、カウントダウン、または電力設定を表示します。ディスプレイは直感的で解釈しやすく、技術的には傾いていません。最小限の電力とスペースが必要なため、アプライアンスメーカーにとって費用対効果の高いソリューションです。
ホームバスルームスケールと工業用グレードの計量システムの両方が、7セグメントディスプレイを使用して体重値を提示します。これらのディスプレイは、多くの場合、信頼性と読みやすさのために選択されます。産業の文脈では、ディスプレイは、倉庫や生産フロアの遠くから見るほど十分に大きい場合があります。
専門的な設定では、7セグメントディスプレイは、測定機器、電源、および監視システムで頻繁に見つかります。それらは、周波数、圧力、電圧、動作時間などの主要な数値データを表示するために使用されます。これらのディスプレイは、耐久性、精度、およびパネルに取り付けられたシステムへの統合の容易さを提供します。
カウンター、タイマー、スコアボード、または基本的な診断ツールなどの数字のみが必要な多くの組み込みアプリケーションでは、7セグメントディスプレイは、より複雑なグラフィカルインターフェイスに代わる低コストの代替品を提供します。彼らはほとんど電力を消費し、プログラムしやすく、バッテリー駆動のリソース制限システムに適しています。
7セグメントディスプレイを制御する簡単な方法の1つは、各セグメントの前に抵抗器を配置することです。これにより、LEDと呼ばれるディスプレイ内の小さなライトが、電力が多すぎるのを防ぐのに役立ちます。電流が多すぎると、LEDが過熱したり、動作を停止したりできます。これらの抵抗器は、すべてのセグメント全体で光レベルを維持するのにも役立ちます。各抵抗器の値は、通常、220オーム(ω)と470オーム(ω)の間です。正確な数字は、電源電圧とディスプレイの明るいものの2つに依存します。たとえば、5ボルトの電源を使用していて、各セグメントが約2ボルトを使用している場合、150オームの抵抗器は約20ミリヤンプ(MA)の電流を通過させます。これは、ディスプレイを十分に明るくしているが、LEDにとっては安全であるためにはかなりの電流です。
より大きな抵抗器を使用すると、電流が少なくなり、ディスプレイが薄暗くなります。しかし、これはLEDが長持ちするのに役立ち、より少ない電力を使用することができます。より小さな抵抗器を使用すると、より多くの電流が流れ、ディスプレイはより明るく見えますが、より速く摩耗して熱くなる可能性があります。1つの抵抗器が複数のセグメント(多重化と呼ばれる)間で共有される場合など、より高度なセットアップでは、明るさは不均一に見えます。これは、異なるセグメントが異なる量の電流を引き出す可能性があるためです。そのような場合、各セグメントに1つの抵抗器を使用するか、電流を自動的に制御する特別なチップを使用することをお勧めします。これらの方法により、ディスプレイの見た目が良くなり、より確実に動作します。

図8。基本抵抗ベースの7セグメントディスプレイ図
この図は、各セグメントの個々の抵抗器を使用して、単一の7セグメントLEDディスプレイを駆動するための基本的な回路図を示しています。ディスプレイの各セグメント(a、b、c、d、e、f、g、およびdp(小数点)とラベル付け)は、220Ω抵抗器と直列に接続されており、電流を安全レベルに制限します。これらの抵抗器は、ロジック「高」とロジック「ロー」の入力を切り替えるスイッチを介して制御され、各セグメントを独立してオンまたはオフにすることができます。7セグメントディスプレイの共通ピンは共有電圧源に接続されており、入力ロジック信号に基づいてディスプレイ内の個々のLEDの動作を可能にします。この構成は、7セグメントディスプレイを手動でテストおよび操作するための最も単純で最も直接的な方法を例示しています。
トランジスタは、7セグメントのディスプレイのどの部分を制御するのに役立つ小さな電子スイッチのようなものです。「共通のカソード」セットアップでは、LEDのすべての負の端(カソード)が一緒に結合され、地面に接続されます。セグメントを照らすために、マイクロコントローラーは正の端(アノード)に信号を送信します。各数字を制御するために地面をオン /オフにする必要があるため、NPNトランジスタが使用されます。マイクロコントローラーは、トランジスタのベース(中脚)に小さな信号を送信し、これにより電流が流れ、セグメントを点灯できます。
「共通アノード」セットアップでは、すべての正の端(アノード)が接続され、パワー(通常は5V)に接続されます。ここでは、PNPトランジスタまたはNチャネルMOSFETなどの特別なスイッチを使用して、ネガティブエンド(カソード)を制御できます。マイクロコントローラーが信号を送信してカソードを低く引くと、ディスプレイが点灯します(0Vに近い)。複数の桁を持つディスプレイには、多重化が使用されます。これは、マイクロコントローラーが一度に1桁ずつ非常に速く、非常に速くオンになるため、すべての数字が一度にオンになっているように見えることを意味します。各数字は独自のトランジスタを使用します。これは、マイクロコントローラーがセグメントに適切な信号を送信しながら、順番にオンとオフを切り替えます。
マイクロコントローラーを保護し、トランジスタが適切に機能することを確認するために、マイクロコントローラーとトランジスタのベースの間に小さな抵抗(通常は約1,000オーム)が配置されます。これにより、電流が流れる量が制限されます。また、LEDが必要とする電流の量を処理できるトランジスタを選択することも重要です。トランジスタが弱すぎる場合、それらは過熱したり、動作を停止したり、ディスプレイが正しく見えない場合があります。適切な部分を選択し、熱を慎重に管理することは、ディスプレイがうまく機能し、長持ちするのに役立ちます。

図9。7セグメントディスプレイ図のトランジスタベースの制御
この図は、8つのスイッチ(SW1からSW8)を使用して1桁の7セグメントディスプレイを駆動する簡単な方法を示しています。セグメント制御ラインは、トランジスタスイッチ(Q1)を介して駆動されるディスプレイ入力にルーティングされます。1kΩ抵抗(R9)は、トランジスタベースを5V制御ラインに接続し、トランジスタの電源を入れたときにディスプレイをアクティブにすることができます。このセットアップにより、適切な電流制御とディスプレイの効率的な動作が保証されます。
7セグメントディスプレイは、電子機器に数字を表示するためのシンプルで便利な方法です。各セグメントは小さなライトのようなもので、適切なセグメントをオンにすることで、任意の数字を0から9に表示できます。回路に応じて、一般的なカソードまたは一般的なアノードディスプレイを使用できます。ディスプレイとマイクロコントローラーを保護するには、抵抗器またはトランジスタを使用する必要があります。複数の数字がある場合は、マルチプレックスと呼ばれるメソッドを使用して、一度に1つずつライトアップするため、すべてが点灯しているように見えます。これらのディスプレイは、デジタル時計、スケール、メーター、キッチンアプライアンスなど、多くのもので使用されています。これは、安価で使いやすく、読みやすいためです。このガイドのヒントを使用すると、7セグメントディスプレイを自分のプロジェクトに安全かつ簡単に追加できます。
お問い合わせを送ってください、すぐに返信します。
7セグメントディスプレイを駆動するために使用される最も一般的なICSは、74LS47(一般的なアノードの場合)またはCD4511(一般的なカソードの場合)などのBCDから7セグメントデコーダー/ドライバーICです。これらのICは、4ビットのバイナリコード付き小数(BCD)入力を採取し、正しいセグメントを自動的に照らして、数字0〜9を表示します。これにより、マイクロコントローラーピンが保存され、配線が簡素化されます。高度な制御の場合、74HC595のようなシフトレジスタまたはMAX7219のようなディスプレイドライバーは、多桁または多重化されたディスプレイに使用できます。
BCDから7セグメントディスプレイのセットアップは、バイナリコード化された小数(BCD)値(0から9までの数を表す4つのデジタルビット)を使用し、それを適切なパターンに変換して7セグメントディスプレイを点灯していることを意味します。CD4511のような特別なICは、BCD値を読み取り、正しいセグメントを自動的にオンにします。たとえば、BCD入力0100(10進4)は、7セグメントに4番を表示するセグメントを照らします。
CD4511のような7セグメントデコーダーを接続するには:
BCD入力ピン(通常はA、B、C、D)をマイクロコントローラーから4つのデジタル出力に接続します。
デコーダーからディスプレイ上の一致するセグメントピンにセグメント出力(AからG)を接続します。
デコーダー出力と表示セグメントの間に電流制限抵抗(通常は220Ω〜470Ω)を取り付けて、LEDを保護します。
デコーダーを表示タイプに一致させてください:CD4511は一般的なカソード用であり、74LS47は一般的なアノード用です。
ICに電力(+5VおよびGND)を提供し、コントロールピン(BIやLEなど)を適切に設定して出力を有効にします。
7つのセグメントのそれぞれ(小数点を除く)は独立してオンまたはオフにすることができるため、組み合わせの総数は2°= 128です。ただし、これらの組み合わせのすべてが意味のある数字または文字を表しているわけではありません。ほとんどの実用的なユースケース(BCDなど)では、0〜9の組み合わせのみ、時には16進数のaからfが使用されます。つまり、約16の標準文字パターンが日常の電子機器で定期的に使用されています。
ほとんどの7セグメントLEDディスプレイは、典型的な赤色LEDセグメントの順方向電圧降下である約2Vペンセグメントで動作します。ただし、必要な実際の供給電圧は、回路設計によって異なります。マイクロコントローラーまたは抵抗器から直接電源を入れると、ディスプレイは通常 +5Vまたは +3.3Vシステムで実行され、抵抗器を使用して追加の電圧を落とし、電流を制限します。LCDタイプの場合、電圧はより低く、多くの場合1.5Vから3V前後で、異なる技術を使用して制御されます。
05/6/2025で公開されています
05/6/2025で公開されています
04/19/8000で公開されています 147783
04/19/2000で公開されています 112073
04/19/1600で公開されています 111352
04/19/0400で公開されています 83831
01/1/1970で公開されています 79646
01/1/1970で公開されています 67013
01/1/1970で公開されています 63136
01/1/1970で公開されています 63067
01/1/1970で公開されています 54099
01/1/1970で公開されています 52229