
AD9361 現代の3Gおよび4Gベースステーションベンチャーに合わせて、汎用性の高いRFアジャイルトランシーバーとして際立っています。70MHzから6.0GHzの広い周波数スペクトルをカバーするため、さまざまなワイヤレス通信の需要とその汎用性と整列が示されます。柔軟なベースバンドと周波数シンセサイザーとともにRFフロントエンドを統合すると、デザインが合理化され、プロセッサにデジタルインターフェイスが表示されます。10mm×10mm、144ボールCSP_BGAに包まれたこの効率的なパッケージは、スペースがプレミアムなアプリケーションに対応しています。幅広い周波数スペクトルを含むAD9361は、ベースステーションや最先端のワイヤレスシステムなど、多数のトランシーバーアプリケーションをサポートしています。そのプログラム可能な性質は、デバイスを正確な仕様に合わせてカスタマイズし、開発プロセスを強化し、パフォーマンスを向上させることができます。
チャネル帯域幅は200 kHz未満から56MHz未満であり、AD9361は幅広いアプリケーションに適しています。この帯域幅の柔軟性により、さまざまな通信規範と簡単に整合し、効率的なリソース管理を促進できます。フィールドテストは、この適応性が動的環境に対する迅速かつ正確な反応をどのように可能にするかを強調しています。プロセッサとのデジタルインターフェースのAD9361の機能は、RF設計の従来の課題を軽減します。複数の関数を単一のユニットにマージすることにより、追加のコンポーネントの必要性を減らし、システム全体の設計を合理化します。この戦略は、多くの場合、故障ポイントを減らすことでコストを最小限に抑え、信頼性を高める能力について、業界フォーラム内で称賛を受けます。



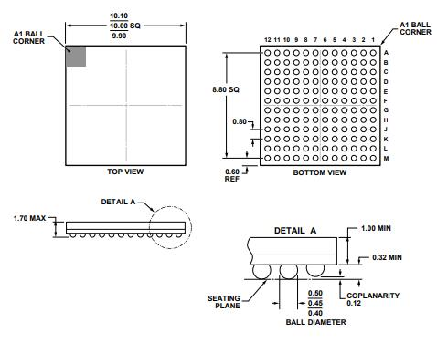
Analog Devices Inc. AD9361の技術仕様、属性、およびパラメーター、およびAnalog Devices Inc.に匹敵する部品とともに AD9361BBCZ。
|
タイプ |
パラメーター |
|
ライフサイクルステータス |
生産(最終更新:2週間前) |
|
めっきに連絡してください |
銅、銀、ブリキ |
|
取り付けタイプ |
表面マウント |
|
ピンの数 |
144 |
|
パッケージング |
トレイ |
|
pbfreeコード |
いいえ |
|
水分感度レベル(MSL) |
3(168時間) |
|
ECCNコード |
5A991.B |
|
端子仕上げ |
スズ/銀/銅(SN/Ag/Cu0.5) |
|
端子形式 |
ボール |
|
関数の数 |
1 |
|
端子ピッチ |
0.8mm |
|
頻度 |
70MHz – 6GHz |
|
ベースパーツ番号 |
AD9361 |
|
動作電源電圧 |
1.3V |
|
電力 - 出力 |
0.8mW |
|
シリアルインターフェイス |
spi |
|
現在 - 送信 |
240ma〜800ma |
|
ノイズ図 |
2.5 dB |
|
長さ |
10mm |
|
SVHCに到達します |
SVHCなし |
|
鉛フリー |
リードが含まれています |
|
工場のリードタイム |
8週間 |
|
マウント |
表面マウント |
|
パッケージ /ケース |
144-LFBGA、CSPBGA |
|
動作温度 |
-40°C〜85°C |
|
JESD-609コード |
E1 |
|
パーツステータス |
アクティブ |
|
終端の数 |
144 |
|
タイプ |
TX-RXのみ |
|
端子位置 |
底 |
|
ピークリフロー温度(CEL) |
260 |
|
供給電圧 |
1.3V |
|
深さ |
10mm |
|
time@peakリフロー温度 - マックス(s) |
指定されていない |
|
ピンカウント |
144 |
|
プロトコル |
lte |
|
RFファミリー/標準 |
携帯電話 |
|
現在 - 受信 |
175mA〜445mA |
|
受信機の数 |
2 |
|
身長 |
1mm |
|
幅 |
10mm |
|
ROHSステータス |
ROHS準拠 |

トランシーバーは、タイムディビジョンデュプレックス(TDD)と周波数除算デュプレックス(FDD)操作の両方に対応し、多用途のデュアルモードを提供します。この柔軟性により、多様な通信システムへのシームレスな統合が可能になります。電気通信から軍事応用まで、この適応性はさまざまな挑戦的な環境で戦略を強化します。
チャネルの調整性は200 kHz未満から56 MHz未満で、印象的な適応性を提供します。これにより、さまざまな周波数帯域でカスタマイズされたパフォーマンスが可能になります:狭帯域アプリケーション、およびワイドバンドアプリケーション。LTEや5Gなどのテクノロジーは、この調整性を効果的に利用して、スペクトル効率を最適化し、干渉を最小限に抑え、運用上の有効性を大幅に向上させます。
高い受信機の感度は、特に困難な条件下で、信頼できる信号検出に役割を果たします。この機能は、遠隔地や農村地域で使用されています。このような感度は、強力な接続を維持するのに有益であり、特に緊急サービスやリモートヘルスケア監視などのセクターでのコミュニケーションに適しています。
AD9361は、ポイントツーポイント通信システムのコアであり、その驚くべき適応性で祝われています。さまざまな周波数と帯域幅を管理するのが熟練しているため、これらのシステム内で最適な選択肢になります。他の人は、合理化されたネットワークを築くための統合の可能性を頻繁に利用し、リンクの信頼性とパフォーマンスの両方を向上させます。リソースを慎重に最適化することにより、ポイントツーポイント接続の改善を目撃できます。
ベースステーション内では、AD9361はその回復力と優れたパフォーマンスメトリックによって区別されます。これは、さまざまなネットワーク標準とシームレスに統合され、顕著なスケーラビリティと柔軟性を促進します。これは、最新の通信インフラストラクチャが依存する2つの側面です。多くの人は、AD9361をフレームワークに組み込むことにより、運用効率と展開支出の減少を獲得しています。
デバイスの汎用性は、カスタマイズと適応性の需要が高い汎用無線システムでも輝いています。その他は、複数の信号経路を同時に管理するAD9361の能力を評価し、革新的なラジオソリューションへの道を開いています。このような統合は、今日の超接続された環境で、優れた信号の明確さと効率を達成する上で役割を果たします。

AD9361トランスミッターモデルは、デジタルアップコンバージョン、アナログ、およびRFフロントエンドフィルターをシームレスに統合して、さまざまなアプリケーション間の効率的な通信をサポートし、テクノロジーとインタラクションの要求の間にブリッジを作成します。デジタルアップコンバージョンは、ベースバンド信号を効果的な伝送に必要な高周波数に変換します。このプロセスは、歪みを最小限に抑えることにより、信号の完全性を保持します。デジタル信号処理の継続的な進化は、複雑な通信システムにおける精度と信頼性を目指して、産業のニーズによって促進されます。アナログとRFのフロントエンドフィルターは、不必要な周波数を排除し、ノイズを減らすことにより、信号を浄化します。彼らは、さまざまな距離にわたる明確なコミュニケーションを確保する上で大きな役割を果たします。その効率は環境で繰り返し証明されています。これらの要素は、信号の忠実度とシステムのパフォーマンスを強化します。
非線形性と利益の不均衡は、信号伝達に課題をもたらします。AD9361トランスミッターモデルは、洗練されたアルゴリズムを採用してこれらに対処し、ピーク性能を可能にします。経験的検証と厳密なフィールドテストに基づいた革新的な戦略が継続的なパラメーター調整に採用されています。
調整可能な減衰により、信号電力レベルを正確に制御でき、特定のニーズに基づいたカスタマイズされた伝送特性が可能になります。この適応性は、データの損失または干渉を防ぎ、信号強度のバランスをとることを防ぎます。広範なフィードバックによって形作られたこのアプローチは、回復力のある柔軟な通信システムに対する現代の要求と一致します。多様な通信プラットフォーム全体の効果的な減衰管理は、システムの完全性と効率性を支持します。カスタマイズ可能な設定はさまざまな動作条件に合わせて、動的設定のフィールドトライアルは、最新のシステムでの調整可能な減衰の役割を強調しています。

AD9361レシーバーのアーキテクチャは、そのトランスミッターのカウンターパートのアーキテクチャと共鳴し、熟練した騒音制御に焦点を当て、広範なダイナミックレンジを維持します。この調和には、信号の純度の保護を目的とした複雑なフィルタリングと減衰技術を適用することが含まれます。ノイズを減らすと、受信した信号の明確さが向上します。高度なフィルターの使用は、目的の信号を周囲のノイズと区別するのに役立ちます。さらに、適応型フィルタリング戦略は、ノイズ環境の変化に対する飛行中の調整の柔軟性を提供し、それにより安定性が向上します。大規模なダイナミックレンジを維持することは、受信者のパフォーマンスに不可欠です。自動ゲイン制御(AGC)システムにより、受信機はさまざまな信号強度に調整でき、データの精度を高めながら歪みを減らすことを目指しています。他の人は一般に、複雑な環境でAGCを実装して、シグナルの卓越性を維持します。

アナログデバイスは、アナログとデジタル信号処理の融合に関する専門知識について認識を集めています。複雑な現象を実用的な電気データに変換し、電子アプリケーションを前進させる画期的なソリューションを提供します。同社の品質と先駆的なテクノロジーへの献身は、それを業界の進化の最前線に置き、尊敬と賞賛の両方を引き出します。AD9361を通じて、Analog Devicesは、従来の境界を超越する技術を強化する上で影響力のある役割を強調しています。産業が進化するにつれて、AD9361は将来のイノベーションの重要な要素として存在し、予想と先進的な探査を促進するため、適応性と効果的な信号処理ソリューションに対する渇望が必然的に上昇します。
AD9361は、幅広い無線周波数のニーズを提供するために作成されており、変調とネットワークの適応性の両方に強力な機能を提供します。統合が高いと優れたパフォーマンスにより、現代のコミュニケーションフレームワークにシームレスに適合します。実際には、このチップは、さまざまな機能を単一のパッケージに統合することにより、設計プロセスを統合するのに役立ちます。この複雑さの削減は、ソフトウェア定義ラジオやMIMOシステムなどのデバイスの信頼性の向上に貢献します。その柔軟性は、進化するネットワーク標準を迅速に調整する必要があるシナリオで特に影響力があります。
アジャイルトランシーバーは、ラジオ周波数のフロントエンドとプログラム可能なベースバンドをマージし、現在のデジタルプロセッサまたはフィールドプログラム可能なゲートアレイ(FPGA)の設計プロセスを大幅に促進します。これらのトランシーバーは、さまざまな通信プロトコルの要求を満たすために動的な再構成を受ける能力のおかげで、コミュニケーションシステムのクラフトと展開における緯度を提供します。たとえば、ネットワーク機器のメーカーは、ハードウェアの変更ではなくソフトウェアの更新を介してトランシーバー機能を変更することにより、製品を迅速に市場に持ち込むことができると考えています。
AD9361は、70 MHzから6 GHzまでの広い周波数範囲にわたって機能し、RFトランシーバーを作成するための合理化された方法を作成します。周波数シンセサイザーを備えた混合シグナルベースバンドが組み込まれており、多様な周波数帯域をカバーできるようにします。この統合は、必要な外部部品の数を減らし、よりコンパクトでエネルギーを維持するデザインを促進するのに役立ちます。その多様な機能を考えると、AD9361は、動的で不動のワイヤレス通信が価値を保持するモバイルベースステーションや航空宇宙技術など、さまざまな分野に適用されます。多くの人は、頻度のシフトに迅速に適応し、同時に複数のチャネルをサポートし、迅速に進行する技術ドメインで顕著な運用上の利点を提示する習熟度に注目しています。
お問い合わせを送ってください、すぐに返信します。
10/29/2024で公開されています
10/29/2024で公開されています
04/19/8000で公開されています 147781
04/19/2000で公開されています 112052
04/19/1600で公開されています 111352
04/19/0400で公開されています 83808
01/1/1970で公開されています 79616
01/1/1970で公開されています 66992
01/1/1970で公開されています 63117
01/1/1970で公開されています 63055
01/1/1970で公開されています 54097
01/1/1970で公開されています 52204