
a トライアック (交互の電流の三極)は、AC(交互の電流)回路の電力を制御するために使用される半導体デバイスです。主にDCシステムで使用され、1つの方向のみで電流フローを可能にするMOSFETやIGBTとは異なり、TRIACは両方方向に導入できるため、ACアプリケーションに最適です。メイン端子1(MT1)、メイン端子2(MT2)、およびゲートの3つの端子があります。ゲートにより、デバイスを正または負の電圧でトリガーでき、AC極性に関係なく柔軟なスイッチングを可能にします。内部的には、反対方向に接続された2つのサイリスタ(SCR)のようなTRIAC機能が機能し、双方向制御システムの追加コンポーネントの必要性が低下します。

図2.トライアックのシンボル
Triacシンボルは、視覚的にその双方向性を表します。シンボル内に2つの反対矢印があり、MT1とMT2の間の両方向に電流が流れることを示します。垂直線がゲート端子に接続し、その制御機能を示します。このコンパクトで効率的な設計により、TRIACは、軽量調光器、モータースピードコントローラー、暖房システム、その他の家庭用ACスイッチング回路などのAC電力制御アプリケーションで広く使用できます。

図3. BT136 TRIAC
BT136は、家庭用および産業用ACスイッチングタスクの両方で使用される人気のあるTRIACモデルです。敏感なゲートを備えています。つまり、非常に小さな電流でトリガーできます。これにより、マイクロコントローラーやロジックICなどの低電力デバイスでの使用に最適です。BT136は、平面のパッシングテクノロジーを使用して構築されており、その長期的な信頼性を向上させ、電圧スパイクに対してより耐性を高めます。4つのAC伝導象限すべてで動作する可能性があるため、ゲート信号の極性が異なる場合でも、パフォーマンスが高くなります。このTRIACは、230V ACシステムに適した高いブロッキング電圧をサポートします。また、保持電流が低いため、低負荷条件下でもオンになっています。これらの機能により、BT136は、暖房システムにおけるファン速度制御、照明調光、温度調節などのアプリケーションの確固たる選択肢になります。
•低ゲート電流要件により、マイクロコントローラーまたはロジックチップによる直接制御が可能になります。
•高いブロッキング電圧は、ACラインの電圧サージを保護します。
•低い電流は、低負荷中に安定した伝導を保証します。
•4四半期のトリガーは、ゲートドライブ回路の設計に柔軟性を提供します。
•平面には不動態化された設計は、時間の経過とともに安定性と電気的な堅牢性を改善します。
•AC伝導を制御することにより、ランプの明るさを調整する光調光器。
•天井ファンやエアコンなどのアプライアンスのファン速度レギュレーター。
•電気オーブンや給湯器などのデバイスの加熱要素コントローラー。
•マイクロコントローラーを高電圧AC負荷にリンクするスマートホームシステム。

図4. BT139 TRIAC
BT139は、より高い電流アプリケーション向けに設計された、より堅牢なTriacです。最大9Aを処理でき、産業モーター、商業照明システム、暖房ユニットなどのより重いAC負荷に適しています。BT136と同様に、双方向の伝導をサポートし、4つの象限すべてでトリガーできます。頑丈なデザインがあり、産業環境で通常見られる電圧の過渡現象に耐えることができます。これにより、要求の厳しい条件に信頼できる選択肢になります。
•大型または誘導負荷を制御するための高電流容量(最大9a)
•4四半期トリガーにより、柔軟な回路設計が可能になります。
•高ブロッキング電圧は、標準のACメインと過渡条件を処理します。
•低電力制御信号と互換性のある敏感なゲート。
•平面の不動態化により、長期的な耐久性と電圧耐性が保証されます。
•スタートアップ電流が高い産業ファンまたはポンプ速度制御。
•商用照明システムの位相制御の調光。
•HVACシステムおよび産業用オーブンの精密加熱制御。
•大規模な自動化におけるスマートエネルギーシステムとプログラム可能なタイマー。
•洗濯機やエアコンなどの高級住宅装置。

図5.トライアックの作業図
Triacs(交互のトリオード)は、AC回路の電力を制御するように設計された半導体デバイスです。このデバイスは、重要なことに、共有ゲート端子と逆に接続された2つのSCR(シリコン制御整流器)であり、トリガーされたときに両方向に導電性を可能にすることです。図5には、トライアックのシンボルと、共通のゲートで制御される2つの連続したサイリスタを描いた同等の回路が表示されます。端子は、アノード1(またはメイン端子1 -MT1)、アノード2(またはMT2)、およびゲートとしてラベル付けされています。ゲート端子は、Triacを介した伝導を開始するために使用され、AC電源スイッチングアプリケーションに最適です。

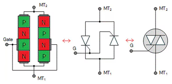
図6. Triac(左)の物理的構造、2つのトランジスタアナロジー(中)、Triacシンボル(右)
図6に示すように、Triacの内部構造には、5つの半導体領域を形成するPおよびN層の交互の複雑な配置が含まれています。これらにより、トリガー信号に応じて、トライアックがいずれかの方向に動作することができます。図6の中央画像は、単純化された回路モデルを表し、右端の画像は回路図で使用される象徴的な表現です。ゲート信号は、内部トランジスタのラッチングプロセスを制御し、MT1とMT2の間の電流の流れを可能にします。Triacsのこの双方向性の性質により、AC電流方向が継続的に交互に交互に交互に行われる、調光スイッチ、モーター速度制御、および加熱調節で有用になります。
Triacの電圧電流(V-I)特性は、MT1に対する主要端子MT2の極性とゲート信号の極性に基づいて、4つの象限に分割されます。この部門は、さまざまなトリガー条件下でTRIACがどのように動作するかを理解する上で重要であり、制御されたスイッチングを必要とする回路を設計するときに必要です。

図7.トライアックの電圧対電流特性
上の図のV-I特性曲線を参照してください。
•水平軸は、MT1およびMT2の電圧を表します。
•垂直軸は、トライアックを通る電流を表します。
•各軸の正と負の半分は、Triacが両方向に導く能力を示しており、ACアプリケーションに適しています。
この動作モードは、トライアックをトリガーするために最も敏感で効率的であると考えられています。象限Iでは、メインターミナル2(MT2)とゲートの両方が、メイン端子1(MT1)に対して正です。これらの条件下では、トライアックは簡単にアクティブになります。この象限の感度が高いため、伝導を開始するには小さなゲート電流のみが必要です。これにより、特にゲートドライブの要件を最小限に抑えることで複雑さとコストを削減できるAC電源制御において、制御アプリケーションには非常に望ましい象限があります。
Triacは、このモードで「ON」または導電性状態に迅速に入り、MT2とMT1の間を流れるようになります。そのため、この象限は、光調光器、モーター速度コントローラー、ヒーターレギュレーターなどの実際のACスイッチングおよび位相制御回路で広く使用されています。Triacトリガー特性のグラフィカルな表現では、象限Iは、電圧とゲートの電流極性の両方が正の曲線の最上位セクションに表示されます。
この動作中の象限では、メイン端子2(MT2)は、メイン端子1(MT1)に対して正の電圧で保持されますが、ゲート端子はMT1に対して負です。この構成により、SCRやTriacなどのデバイスをトリガーすることができますが、象限Iの動作と比較して特に感度が低くなります。
感度の低下は、GATE電流がMT2電流とは反対の方向に流れるという事実によるものです。ゲートとMT2の間のこの反対の極性により、デバイスの構造へのキャリアの効率が低下し、トリガーを実現するにはより高いゲート電流が必要になります。したがって、このモードでデバイスをオンにするには、より多くの努力が必要です。
この動作モードは、V-I特性曲線の左上象限に示されています。感度の低下にもかかわらず、象限IIでのトリガーは依然として実行可能であり、特に両方の極性が遭遇するACスイッチングで実際に使用されます。
この動作領域では、メイン端子2(MT2)とゲートの両方が、メイン端子1(MT1)に比べて負の可能性にあります。このモードは、両方の端子が正のQuadrant Iに機能的に類似していますが、反対の極性で動作します。象限IIIの感度は象限Iよりもわずかに低いですが、依然として敏感な動作モードと見なされます。ゲートには、伝導をトリガーするための適度な電流のみが必要であり、この象限は、低電力制御信号が使用されるアプリケーションの実行可能なオプションになります。
Quadrant III操作は、交互の電流(AC)制御回路や特定のタイプの双方向スイッチングに見られるようなネガティブ入力信号を処理するシステムで役立ちます。このモードは、GATEとMT2電圧の負の陰性の組み合わせに対応する4四半期トリガーの特性図の左下四半期にグラフィカルに表されます。
象限Iと比較して感度がわずかに低下しているにもかかわらず、Quadrant IIIは信頼性が高く応答性の高いトリガー動作を提供します。これは、両方の極性からのトリガーが必要な多くの双方向または対称スイッチングアプリケーションで実用的な選択となります。
この象限は、象限IIのように、サイリスタの敏感ではない動作モードの1つを表しています。この構成では、メイン端子2(MT2)はメイン端子1(MT1)に対して負であり、ゲートは正電流を受け取ります。この極性配置により、デバイスをトリガーするには、象限IおよびIIIに見られるより感度の高いモードと比較して、より高いゲート電流が必要です。
V-I特性曲線では、象限IVは右下のセクションにあり、適用された電圧が負で、ゲート電流が積極的に向けられています。このモードの伝導は比較的非効率的であり、ゲートの感度とエネルギー使用量の点で最も好ましくはありません。多くの人は、高効率または低ゲートドライブが必要な場合にトリガーするためにこの象限を使用することを避けています。ただし、その動作を理解することは、サイリスタのパフォーマンスの限界を完全に特徴付け、すべての可能な条件下で安全な動作を確保するために依然として重要です。
|
特徴 |
SCR(シリコン制御
整流器) |
triac(forの三極
交流) |
|
家族 |
サイリスタ |
サイリスタ |
|
伝導方向 |
一方向(一方向のみ) |
双方向(両方の方向) |
|
ゲートトリガー |
正のゲートパルスが必要です |
正または負のゲートによってトリガーできます
脈 |
|
トリガーコンポーネント |
多くの場合、UJTを使用してトリガーされます |
多くの場合、DIACを使用してトリガーされます |
|
現在の動作を保持します |
現在の状況が保持レベルを下回るまで続きます |
同じですが、両方向に |
|
アプリケーションフォーカス |
DCまたは一方向ACコントロールに最適です |
ACコントロールに最適(両方の方向) |
|
パワーハンドリング |
高電圧と高電流機能 |
中程度の電圧と電流処理 |
|
熱管理 |
ヒートシンクが必要です |
通常、ヒートシンクは1つだけです |
|
運用モード |
単一モードで動作します |
4つの操作モードをサポートします |
|
V-I特性 |
1つの象限で動作します |
2つの象限で動作します |
|
信頼性 |
より信頼できます |
SCRよりも信頼性が低い |
|
特徴 |
diac |
トライアック |
|
構造 |
2端子デバイス |
3末端デバイス(MT1、MT2、GATE) |
|
トリガー方法 |
電圧が特定のしきい値を超えるとオンになります(いいえ
外部トリガー) |
ゲートパルスを適用することでトリガーできます |
|
ゲート端子 |
ゲート端子はありません |
トリガー用のゲート端子があります |
|
コントロール |
電圧制御;制御されていないスイッチング |
ゲート制御;正確なスイッチングが可能になります |
|
極性感度 |
双方向伝導 |
双方向伝導 |
|
一般的な使用 |
制御回路でトライアックをトリガーするために使用されます |
AC回路での切り替えと制御に使用されます |
|
アプリケーションの例 |
光調光器の一部、モーターソフトスタート(トリガーとして
トライアックのため) |
位相制御、モーター速度制御、調光器、ACスイッチング |
|
ペアリングの関数 |
スムーズで一貫したトライアックトリガーを確保するのに役立ちます |
DIACでトリガーされたメインスイッチング/制御コンポーネント
いくつかのサーキット |
1.双方向電流伝導
トライアック(交互の電流の三極)の利点の1つは、両方向で電流を伝導する能力です。標準のSCR(シリコン制御整流器)とは異なり、一方向の電流の流れのみを可能にしますが、トライアックは逆電流の流れを処理するために追加のコンポーネントを必要とせずにAC電力を制御できます。この双方向性能力により、ACスイッチングアプリケーションで有用になります。
2.正または負の信号でトリガーするゲート
トライアックは、ゲート端子に正または負の電圧を適用することにより、伝導にトリガーできます。トリガーメカニズムは1つの極性に制限されていないため、この柔軟性により、回路設計がより容易になります。これは、AC波形の両方の半分で動作する回路を設計するときに役立ちます。
3.デュアルSCRSと比較して回路設計を簡素化します
単一のトライアックは両方向の電流の流れを制御できるため、しばしばアンチパラレルに配置された2つのSCRを置き換えることができます。これにより、全体的なコンポーネントカウントが削減され、回路レイアウトが簡素化され、スペース要件が削減され、システムの潜在的な障害ポイントが削減されます。
4.ヒートシンクと1つのヒューズのみが必要です
SCRのペアの代わりにTRIACを使用すると、熱管理と保護が簡素化されます。電力偏差コンポーネントは1つしかないため、単一のヒートシンクで十分です。同様に、単一のヒューズを保護に使用して、設計を簡素化し、コストを削減する可能性があります。
5.低電力から中程度の電力アプリケーションのコンパクトで費用対効果が高い
TRIACは、調光器スイッチ、モーター速度制御、ヒーターレギュレーターなどの家庭用および軽度の産業用デバイスで広く使用されています。それらはコンパクトで安価で、回路に統合しやすいため、高出力の取り扱いが主な関心事ではないアプリケーションに最適です。
1.高出力または高ノイズ環境での信頼性の低下
トライアックは、一般に、高出力または電気的にノイズの多い環境で使用する場合、SCRよりも堅牢性が低くなります。それらは、電気ノイズのために誤ったトリガーの影響を受けやすく、そのような条件が一般的な重い産業用途での使用を制限します。
2. DV/DTに敏感(電圧の変化率)
Triacは、DV/DTとして知られる電圧の急速な変化により敏感です。突然の電圧のスパイクは、ゲート信号がなくても、意図せずにデバイスを伝導に引き起こす可能性があります。これに対抗するには、多くの場合、追加のスナバー回路が必要であり、設計を複雑にすることができます。
3. SCRSと比較して、電圧と電流定格が低い
多くの消費者および軽度の産業用途に適していますが、TRIACはSCRよりも電流と電圧処理機能が低くなっています。高電力システム、特に高電圧で動作するシステムの場合、SCRは通常好ましい選択です。
4.象限の感度は、意図しない伝導につながる可能性があります
Triacは、ゲート信号と主な端子の極性に応じて、異なる「象限」でトリガーできます。一部の象限は他の象限よりも敏感であり、設計で適切に考慮されていない場合、これは偶発的な伝導または信頼性の低い操作につながる可能性があります。信頼できるパフォーマンスを確保するために、ゲートドライブの条件を慎重に検討する必要があります。
TRIACは、AC(交互の電流)電気の流れを制御するために使用される電子部品です。それらは、電源を切り替えるか調整する必要がある多くのデバイスにあります。一般的なアプリケーションは次のとおりです。
Triacsは、AC電圧の位相制御を可能にすることにより、光調光回路で中心的な役割を果たします。Triacがオンになる各ACサイクル中のポイントを制御することにより、ランプに到達する電圧の量を効果的に制限します。位相角制御と呼ばれるこの手法は、配信される平均電力を減らし、ちらつきを引き起こすことなく光を暗くします。Triacはコンパクトで効率的であるため、壁のスイッチや照明器具に合うのに理想的です。さらに、Triacベースの調光器は、白熱電球のような抵抗荷重でうまく機能します。ただし、最新のトライアック調光器は、特定の調光可能LEDやCFLを含む新しい照明技術を処理するように設計されています。
天井ファン、排気ファン、いくつかの換気システムなどの家電製品では、トライアックが一般的に運動速度を調節するために使用されます。ACサイクルの伝導角を調整することにより、トライアックはファンモーターに到達する電圧の量を制御し、速度が変化します。これにより、固定速度レベルとは対照的に、滑らかで継続的な制御が提供されます。Triacベースのファンコントローラーは、古い機械的な方法よりも効率的で静かです。また、可動部品なしで、よりコンパクトなデザインを可能にします。これにより、Triacsは、住宅と商業の両方の環境で、エネルギー効率の高い低ノイズファンコントロールに最適です。
TRIACは、温度レベルを管理するために、電気ヒーター、オーブン、およびサーモスタット制御器具で広く使用されています。Triacはスイッチとして機能し、一定の温度を維持するために加熱要素のオンとオフを迅速に回します。この迅速なスイッチングは、多くの場合、サーモスタットまたはマイクロコントローラーによって制御され、センサーを使用して温度を監視します。Triacには可動部品がないため、機械的リレーよりも信頼性が高く耐久性があります。また、より正確な制御を可能にし、エネルギー消費を削減します。キッチンオーブン、ルームヒーター、ウォーターボイラーでは、トライアックベースの制御システムが一貫したパフォーマンスとエネルギー効率の向上を実現するのに役立ちます。
Smart Homeアプリケーションでは、Triacsが低電圧制御信号を使用して高電圧器具の自動化を可能にします。たとえば、スマートライトスイッチまたはサーモスタットは、トライアックを使用して、コマンドまたは環境センサーに基づいて230V ACアプライアンスをオンまたはオフにする場合があります。Triacを使用すると、マイクロコントローラーとワイヤレスモジュールが、大きなリレーや物理スイッチを必要とせずに、ライト、ファン、ヒーターなどのデバイスを制御できます。これにより、よりコンパクトで効率的なスマートホームデバイスにつながります。静かな操作、低消費電力、およびTriacの信頼性により、アプリや音声アシスタントによって制御されるスマートホームシステムへの統合に適しています。
産業環境では、トライアックは機械および運動駆動型のシステムを制御するために重要です。これらは、AC電圧の位相角を調整することにより、電源、ポンプ、コンプレッサーへの電源を調節するために使用されます。これは、速度、トルク、および全体的なエネルギー効率の管理に役立ちます。トライアックは、機械的な摩耗なしで重い負荷を切り替えるためのソリッドステートリレーでも使用されており、継続的な産業作業に対してより信頼性が高くなります。これらのアプリケーションは、Triacsの高速スイッチング機能、メンテナンスの低いニーズ、コンパクトな設計の恩恵を受けます。製造および加工工場では、トライアックは自動化、コスト削減、複雑な電気システムの制御の改善に貢献しています。
広く使用されている2つのTRIACモデルは、BT136とBT139です。BT136は、最大4アンペアのハンドルを扱う低〜中電力アプリケーションに適しており、ダム、タイマー、低電力コントローラーなどの家庭用デバイスでよく使用されます。一方、BT139は、最大16アンペアまでの電流負荷が高く、産業またはより重い国内使用に適しています。どちらのモデルも、一般にマイクロコントローラーまたはオプトイソレーターとペアになって、対照回路からの正確な切り替えと分離を可能にします。
トライアックは、多くの日常的なデバイスでAC電気を制御するのに役立つ小型ですが強力なツールです。彼らは、物事をオン /オフにしたり、光を薄くしたり、ファンを遅くしたりするなど、何かが得られる力を変えるのに最適です。彼らは両方向に動作するため、スペースを節約し、回路で必要な部品の数を減らします。トライアックは家や工場に見られ、マイクロコントローラーのような小さなコンピューターによって制御されることがよくあります。このガイドでは、Triacがどのように機能するか、それらが作られているもの、それらの使用方法、および最も有用な場所を説明しています。この知識により、自分のプロジェクトや製品に適したトライアックを選択して使用する準備ができています。
お問い合わせを送ってください、すぐに返信します。
TRIACは、DCではなくAC(交互の電流)を使用するように設計されています。ACが極性を交互にする方法と一致する両方の方向で電流を伝導することができます。対照的に、TriacはDCで適切に機能しません。ゲートパルスで電源を入れてみると、導電性を維持し、電源が切断されるまでオフになりません。
TriacをACスイッチとして使用するには、AC負荷(ランプやモーターなど)と直列に接続します。制御回路を使用してトリガーパルスをゲートに適用すると、Triacをオンにし、AC電流が負荷を流れるようにします。Triacは、そのハーフサイクル中に留まり、AC電流がゼロになると自動的にオフになります。特定の位相角度で電源を入れるなど、正確な制御を行うには、DIACまたはマイクロコントローラー回路を使用してゲートパルスを時間をかけることができます。
いいえ、トライアックは整流器ではありません。ダイオードやブリッジ整流器のような整流器は、電流が1つの方向のみに流れるようにすることにより、ACをDCに変換します。Triacは双方向スイッチであり、AC回路の電力を制御しますが、ACをDCに変更しません。電流を修正する代わりに、AC波形の特定のポイントでオンまたはオフを切り替えます。
トライアックは固体デバイスであり、リレーは電気機械スイッチです。Triacは、電子的、静かに、そして迅速にACを切り替えます。よりコンパクトで、可動部品がなく、低電圧信号でトリガーできます。リレーは、コイルと物理的な接点を使用して、回路を開閉します。クリックサウンドを作成し、ACとDCの両方の負荷を切り替えることができますが、遅くなり、時間とともに摩耗します。高速、ノイズレス、長寿命のACスイッチングにはトライアックを使用し、回路を分離するか、ACとDCの両方の負荷を切り替える必要がある場合はリレーを使用します。
TRIACは、各ACハーフサイクル内の伝導点を遅らせることにより、ACモーター速度を制御します。この方法は、位相角制御と呼ばれます。各サイクルの後半にトライアックをオンにすることで、モーターへの電力が少なくなり、速度が低下します。タイミングは、多くの場合、DIACまたはマイクロコントローラーを備えたゲートトリガー回路によって制御されます。この方法は、ファン、ブレンダー、ドリルのようなユニバーサルモーターで一般的に使用されます。
マルチメーターでTriacをテストするには、最初に任意の回路から切断し、アナログマルチメーターを低抵抗(OHM)範囲に設定します。MT1に黒いプローブを置き、MT2に赤を置きます。読み物はないはずです。次に、ゲートとMT1の間に1kΩの抵抗器を接続し、MT1に黒をMT2で赤に保ちながら、赤いプローブでゲートを簡単にタップします。Triacが機能している場合、メーターは低い抵抗を示します。MT1とMT2のプローブを逆転させ、ゲートパルスを繰り返します。ゲート信号が削除され、電源が下がると、読み取り値は高い抵抗に戻るはずです。これにより、Triacスイッチが確認され、正しく保持されます。より正確な結果を得るには、AC負荷とプッシュボタンを使用したライブテストを使用できます。
04/21/2025で公開されています
04/18/2025で公開されています
04/19/8000で公開されています 147781
04/19/2000で公開されています 112062
04/19/1600で公開されています 111352
04/19/0400で公開されています 83816
01/1/1970で公開されています 79630
01/1/1970で公開されています 66998
01/1/1970で公開されています 63124
01/1/1970で公開されています 63057
01/1/1970で公開されています 54097
01/1/1970で公開されています 52208