
BTA16 Triacシリーズは、幅広いACスイッチングアプリケーションを提供し、静的リレー、加熱調節、モーター制御回路などのセクター間でリーチを拡張します。このシリーズは、さまざまなハードウェアのニーズに応えて、スルーホールとサーフェスマウントパッケージの両方で柔軟性を提供します。オン/オフ制御シナリオでよく使用されますが、調光器とモータースピードコントローラーの位相制御業務にスムーズに調整します。Snubber回路を備えたバージョンは、整流能力を高め、モーターやトランスなどの誘導負荷を管理する際に明確な利点を提供します。さらに、BTA16には断熱タブが含まれており、安全性を高め、パフォーマンスを向上させる電気的分離が大きくなります。
BTA16 Triacシリーズの汎用性により、多数のアプリケーションで効果的に利用できるようになります。静的リレーでは、多様な回路条件全体で一貫した動作を確保し、それにより効率を最適化します。暖房規制回路は、その強力なパフォーマンスの恩恵を受け、正確な温度管理を達成します。モーター制御回路内では、BTA16はオン/オフタスクだけでなく、動的速度変調を供給して高度な自動化の需要を満たします。調光器やモーター速度レギュレーターなどの位相制御を必要とするアプリケーションでは、BTA16 TRIACシリーズが優れています。このプロセスでは、BTA16が顕著な精度で実行する綿密なパワーフロー調整が必要です。この精度は、Snubberが装備したバージョンで強化されており、モーターや変圧器などの帰納的負荷の反応的な特性をアプアーに処理します。この機能は、安定したパフォーマンスを促進し、電力サージを削減し、接続されたコンポーネントの寿命を延ばします。



|
特徴 |
説明 |
|
中電流トライアック |
中電流を必要とするアプリケーションに適しています
取り扱い |
|
クリップボンディングによる低熱抵抗 |
効率的な熱散逸を保証します |
|
低熱抵抗断熱セラミック |
断熱されたBTAシリーズの断熱材を改善します |
|
高い整流機能 |
4クアドラント(4Q)または非常に高い3四角形(3Q、
Snubberless™)バリアント |
|
UL1557認定 |
UL1557標準に基づく認定(ファイルREF:81734) |
|
ROHS準拠 |
パッケージはROHS指令(2002/95/EC)に準拠しています |
|
断熱タブ |
BTAシリーズの2500 VRMS断熱材の定格 |
これは、stmicroelectronicsの技術仕様表です BTA16-700BRG。
|
タイプ |
パラメーター |
|
工場のリードタイム |
11週間 |
|
めっきに連絡してください |
錫 |
|
マウント |
穴を通して |
|
取り付けタイプ |
穴を通して |
|
パッケージ /ケース |
TO-220-3 |
|
ピンの数 |
3 |
|
要素の数 |
1 |
|
動作温度 |
-40°Cから125°C(TJ) |
|
パッケージング |
チューブ |
|
JESD-609コード |
E3 |
|
pbfreeコード |
はい |
|
パーツステータス |
アクティブ |
|
水分感度レベル(MSL) |
1(無制限) |
|
終端の数 |
3 |
|
追加機能 |
UL認識 |
|
電圧 - 定格DC |
700V |
|
現在の評価 |
16a |
|
ベースパーツ番号 |
BTA16 |
|
ピンカウント |
3 |
|
構成 |
シングル |
|
ケース接続 |
隔離 |
|
最大繰り返し逆電圧(VRRM) |
700V |
|
JEDEC-95コード |
TO-220AB |
|
RMS電流(IRMS) |
16a |
|
電流を保持します |
50ma |
|
トリガーデバイスタイプ |
4象限論理レベルTriac |
|
電圧 - ゲートトリガー(VGT)(最大) |
1.3V |
|
現在 - 非担当者サージ50、60Hz(ITSM) |
160a、168a |
|
現在 - ゲートトリガー(IGT)(最大) |
50ma |
|
漏れ電流(最大) |
2MA |
|
オフステート電圧-minの上昇の臨界率 |
400V/US |
|
トライアックタイプ |
標準 |
|
整流電圧-minの上昇の臨界率 |
10V/US |
|
放射線硬化 |
いいえ |
|
ROHSステータス |
ROHS3準拠 |
|
鉛フリー |
鉛フリー |

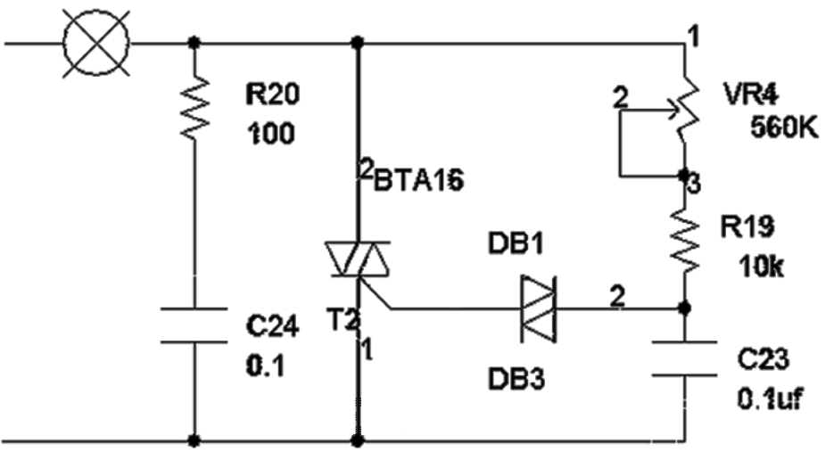
BTA16 TRIACを使用した標準のトライアック調光回路は、コンデンサの電荷時間を操作して、接続された電球の調光レベルを調整します。コンデンサ(C23)と一緒に可変抵抗器(VR4)を使用することにより、回路は充電期間を細かく調整し、Triacのトリガーモーメントを設定します。220Vの電圧で、電荷の長さを調整すると電球の明るさが変わります。拡張充電はより見事に照らされます。

この調光システム内で、コンポーネントVR4とR19はコンデンサC23の充電時間を管理します。C23の電圧が約33Vでホイバーすると、Triacが係合し、光をキャストします。その後、DB1サイリスタは電球を通る電流の流れを促進します。電流が止まると、闇が戻ってきて、シーケンスが新たに始まります。より短い電荷間隔が調光器光をもたらし、長時間の電荷が明るさを向上させるため、サイクルの期間は非常に重要です。
耐性レベルが最小限の精密抵抗器やコンデンサなどのプレミアムグレードコンポーネントは、回路の薄暗い安定性と先見性を強化します。Triacの熱問題に対処することは、有利なことを証明します。適切なヒートシンクを導入し、適切な換気を確保するのに役立ちます。過熱の課題を回避します。Triacベースの調光回路を利用すると、エネルギーの使用が大幅に抑制され、滑らかな光強度の遷移が促進され、エネルギー効率と快適性のバランスが崩れます。この魅力的なアプローチは、その経済的かつ効果的な結果のために、住宅と商業の両方の照明シナリオでよく共鳴します。
|
部品番号 |
説明 |
メーカー |
|
BTB16-700C |
700V、16A、4象限論理レベルTriac、To-220AB、
プラスチックパッケージ-3 |
stmicroelectronics |
|
BTA16-700B |
700V、16A、4象限論理レベルTriac、To-220AB、
プラスチック、分離された220AB、3ピン |
stmicroelectronics |
|
BTB16-700CRG |
700V、16A、4象限論理レベルTriac、To-220AB、
TO-220AB、3ピン |
stmicroelectronics |
|
Q7015R6 |
Alternistor Triac、700V V(DRM)、15A I(T)RMS、TO-220AB |
Littelfuse Inc |
|
BTB16-700CW |
700V、16A、Snubberless Triac、To-220AB、プラスチックパッケージ3 |
stmicroelectronics |
|
BTB16-700SWRG |
700V、16A、4象限論理レベルTriac、To-220AB、
TO-220AB、3ピン |
stmicroelectronics |
|
BTB16-700SW |
700V、16A、4象限論理レベルTriac、To-220AB、
プラスチックパッケージ-3 |
stmicroelectronics |
|
BTB16-700BW/F5 |
700V、16A、Snubberless Triac、To-220AB、To-220、3 Pin |
stmicroelectronics |
|
Q7015L6 |
Alternistor Triac、700V V(DRM)、15A I(T)RMS、TO-220AB、
隔離された220AB、ThermoTAB-3 |
Littelfuse Inc |
BTA16シリーズは、静的リレーと光調光器で顕著であり、正確なオン/オフスイッチングと位相制御を促進します。これらの要素は、備品に配信される電圧を調整することにより、照明システムの安定した動作を達成する上で主要です。その結果、この機能は省エネにつながり、照明機器の寿命を延ばします。
誘導モータースターターや速度レギュレーターを含むモーター制御システム内で、BTA16シリーズは顕著な結果をもたらします。機械的ストレスを防ぐために微調整された速度調節とスムーズな起動がアクティブな産業環境では、これらのコンポーネントは非常に価値があります。BTA16シリーズは、機械的摩耗を減らしながら理想的なモーター性能を維持する能力に尊敬されています。
AC(交互の電流)スイッチングアプリケーションの世界では、BTA16シリーズは信頼できる正確な電力制御を提供することに優れています。家庭用家電や産業機械であろうと、このシリーズは電気システムの安全で効果的な運用を保証します。その丈夫なデザインは、ダウンタイムとメンテナンスを最小限に抑え、それによりシステムの信頼性を高めます。
BTA16シリーズは、優れた整流パフォーマンスを特徴としており、抵抗荷重と誘導負荷の両方を管理することに熟達しています。これは、さまざまな条件で一貫した操作を提供します。これは、電子回路における重要性の証です。多様な負荷タイプを効率的に管理する能力は、その適応性と幅広い適用性を強調しています。

Stmicroelectronicsは、1987年にイタリアのSGS MicroelettronicaとフランスのThomson半導体の融合から生まれ、ダイナミックな半導体の景観にその場所をマークしました。本社はスイスのジュネーブに見事に配置されており、この会社は、米国、アジア、Chinaにまたがる戦略的なオフィスを通じて影響力を拡大しています。この国際的なWebにより、Stmicroelectronicsは革新的なソリューションを作成し、世界中の幅広い業界に専門家の技術サポートを提供し、進歩を引き起こし、接続性を促進することができます。
BTA16シリーズは、その輝かしい製品の中で、Stmicroelectronicsの半導体の卓越性への献身の証です。このシリーズは、多様なアプリケーションで繁栄し、挑戦的な状況に耐えるように設計されたTriacsの作成における習熟を反映しています。多様な製品ラインには、マイクロコントローラー、アナログデバイス、センサー、電源管理システムが含まれており、自動車、産業、家電などの現代の分野で実質的な役割を果たしています。
お問い合わせを送ってください、すぐに返信します。
BTA16-800CとBTA16-800Bの区別は、トリガー回路IGTにあります。BTA16-800BはIGTを備えています<50mA, while BTA16-800C is endowed with an IGT<25mA, making its parameters more favorable. These models share STMicroelectronics (ST) lineage, with nomenclature as follows B for Bi-directional, indicating dual direction capability, A' for insulation; 'B' denotes non-insulation, 16' signifies a 16A current capacity, and 800' signifies a voltage rating of 800V
BTA16-600BはBTB16-600Bのパフォーマンスメトリックと一致する可能性がありますが、機械的な違いが存在します。BTA16-600Bのヒートシンクには中足の接続がありませんが、BTB16-600Bはこの接続を統合します。ヒートシンクのない構成の場合、置換が可能です。ただし、特に複数のサイリスタが使用されている場合は、ヒートシンクを使用すると、適切な論理接続を確認するか、適切な材料で断熱材の問題を解決します。
交換性は存在しますが、元の回路絶縁プロトコルに準拠しています:断熱バージョンの「a」は断熱されていません。
スルーホールとサーフェスマウントパッケージの両方で利用できます。
スナッバーは、そのようなアプリケーションにほとんど熟達しています。
2500V RMSの定格。
11/7/2024で公開されています
11/7/2024で公開されています
04/18/8000で公開されています 147757
04/18/2000で公開されています 111936
04/18/1600で公開されています 111349
04/18/0400で公開されています 83721
01/1/1970で公開されています 79508
01/1/1970で公開されています 66911
01/1/1970で公開されています 63047
01/1/1970で公開されています 63012
01/1/1970で公開されています 54081
01/1/1970で公開されています 52127