EPM7192SQC160-15 Max 7000SファミリーのミッドレンジCPLD(複雑なプログラム可能なロジックデバイス)であり、組み込みおよび産業システムで信頼できるデジタルロジック制御のために作られています。このチップは、192のマクロセルと約3,750のロジックゲートを提供し、中程度のロジックタスクを処理するのに十分な能力を提供します。124のI/Oピンが含まれ、5V電源で動作し、3.3Vおよび5Vロジックシステムの両方とのインターフェースをサポートするマルチボルトI/Oサポートを備えています。そのシステム内のプログラム可能なEEPROMベースのアーキテクチャにより、追加のコンポーネントや外部メモリを必要とせずに、JTAGを使用して回路に直接再プログラムできることを意味します。–15のスピードグレードでは、最大約76.9 MHzのシステムクロック周波数をサポートし、幅広いデジタルアプリケーションに高速かつ一貫したタイミングパフォーマンスを提供します。MAX 7000Sファミリーは、その堅実な性能、EEPROMメモリ、柔軟な電圧動作で知られています。
EPM7192SQC160-15をお探しですか?現在の在庫、リードタイム、価格を確認するには、お問い合わせください。

EPM7192SQC160-15シンボル

EPM7192SQC160-15フットプリント

EPM7192SQC160-15 3Dモデル
192マクロセル:デバイスには、コアプログラム可能な要素として機能する192のマクロセルが含まれています。これらのマクロセルは、デジタル設計で必要なさまざまな組み合わせロジック関数を実装するように構成できます。
約3,750のロジックゲート:約3,750ゲートの同等のロジック容量を提供し、埋め込みシステムの中程度の複雑さの制御ロジック、状態マシン、または接着ロジックに適しています。
JTAGを介したシステム内プログラマ性:標準のJTAGインターフェイスを使用してシステム内で直接再プログラミングできるEEPROMベースのメモリを備えており、IEEE 1149.1とIEEE 1532標準の両方をサポートしています。
最大125 MHzまでの最大周波数:内部ロジックは、125 MHzに達するクロック速度で動作し、タイミングに敏感なアプリケーションの高速処理を可能にします。
7.5 nsの伝播遅延:CHIPは、約7.5ナノ秒の伝播遅延が低く、入力から出力への迅速な信号応答を確保します。
マルチボルトI/Oで5V供給をサポートします:デバイスは5Vコア電源で実行され、マルチボルトI/Oをサポートするため、5Vと3.3Vの両方の信号レベルとの互換性が可能になり、混合電圧システムに簡単に統合できます。
プログラム可能なスルーレートとオープンドレイン出力:EMI削減の信号エッジレートを制御し、有線およびロジックまたはレベルシフトのオープンドレイン出力を選択できます。
6つのグローバル出力が信号を有効にします:これらのグローバル制御信号により、効率的な信号管理のために、複数のI/Oバンクの出力を有効または無効にすることができます。
マクロセルの構成可能なフリップフロップ:各マクロセルには、プリセット、クリア、クロックイネーブル、および個別のコントロールをサポートするフリップフロップが含まれており、シーケンシャルロジック設計の柔軟性が向上します。
低電力モード:デバイスには、マクロセルの消費電力を50%以上削減できる発電機能が含まれています。これは、エネルギー効率の高いアプリケーションに有益です。
JTAG境界スキャンテストサポート :このような128以上のマクロセルを備えたデバイスには、効率的なボードレベルの診断と検証のための完全な境界スキャンテスト機能が含まれています。
設計保護のためのセキュリティビット:プログラム可能なセキュリティビットにより、内部設計を読み取ったりコピーしたりすることができず、知的財産を保護します。
PCI互換I/O:I/O構造は、PCIの電気要件を満たすように設計されており、PCIベースのシステムとの直接的なインターフェースを可能にします。
動作温度範囲0°C〜70°C:標準の商業グレードの温度範囲により、このデバイスはほとんどの屋内および制御環境アプリケーションに適しています。

この図は、EPM7192SQCC160-15および同様のAltera Max 7000Sデバイスのピンレイアウトを示しています。チップには、正方形のQFPパッケージにある4つの側面すべてに配置された160個のピンがあります。ピン1は左上のコーナーから始まり、数字はチップの周りで反時計回りに進みます。両側には40個のピンがあります。左上のマークピン1の小さなドットは、適切な配置に役立ちます。中央のチップ名は、同じファミリの他のモデルと互換性があることを示しています。このレイアウトは多くのI/O接続を提供し、複雑なロジック設計に役立ちます。

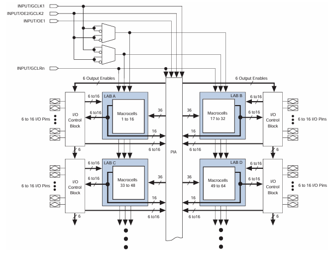
このブロック図は、EPM7192SQC160-15を含む最大7000S CPLDの内部構造を示しています。チップは、ロジックアレイブロック(ラボAからD)と呼ばれる4つのメインセクションに分割されます。各ラボには16のマクロセルがあり、デジタルサーキットの構築に使用される小さなロジックユニットです。一緒に、これらのラボは複雑なロジック操作を処理します。
中央には、すべてのラボを接続し、データを共有できるプログラム可能な相互接続配列(PIA)があります。各ラボは、36チャネルを介して信号を送信および受信し、ロジックブロック間の柔軟なルーティングを提供します。エッジの周りには、6に16 I/Oピンを各ラボにリンクするI/Oコントロールブロックがあり、デバイスがシステムの他の部分に接続できるようにします。
上部には、クロックや出力などのグローバル制御信号が表示されます。これらの信号は、チップ内のデータがどのように移動するか、出力がアクティブな場合に管理するのに役立ちます。全体として、この図は、EPM7192SQC160-15がロジックと接続を整理してカスタムデジタルデザインをサポートする方法を示しています。
|
タイプ |
パラメーター |
|
メーカー |
アルター |
|
シリーズ |
MAX®7000S |
|
パッケージング |
トレイ |
|
パーツステータス |
廃止 |
|
プログラム可能なタイプ |
プログラム可能なシステムで |
|
遅延時間TPD(1)最大 |
15 ns |
|
電圧供給 - 内部 |
4.75V〜5.25V |
|
ロジック要素/ブロックの数 |
12 |
|
マクロセルの数 |
192 |
|
ゲートの数 |
3750 |
|
I/Oの数 |
124 |
|
動作温度 |
0°C〜70°C(TA) |
|
取り付けタイプ |
表面マウント |
|
パッケージ /ケース |
160-BQFP |
|
サプライヤーデバイスパッケージ |
160-PQFP(28x28) |
|
基本製品番号 |
EPM7192 |
組み込みシステム接着ロジック
EPM7192SQC160-15は、組み込みシステムにさまざまなデジタルデバイスを埋めるのに最適です。これは、個別の論理を必要とせずにアドレスデコード、バス制御、およびタイミング調整を処理することにより、マイクロコントローラー、メモリチップ、およびI/Oデバイス間の通信を管理するために使用できます。
状態マシンと制御ロジック
192のマクロセルを備えたこのチップは、カスタムステートマシンと制御ロジックを実装するのに適しています。これは、自動化タスク、モーターコントローラー、および信頼性が高く再現可能な状態遷移を必要とするタイミングベースの制御システムで一般的に使用されています。
通信プロトコルインターフェイス
このCPLDは、UART、SPI、I²C、カスタムシリアル形式などの通信プロトコルを作成または翻訳するようにプログラムできます。ハードウェアを変更せずに簡単な構成と変更を可能にするため、通信のインターフェースに役立ちます。
デジタル信号の前処理
高速のロジック速度と低伝播遅延のおかげで、信号がメインプロセッサまたはDSPチップに到達する前に、フィルタリング、多重化、またはエッジ検出などの単純な信号処理タスクを処理できます。
インターフェイス変換とレベルシフト
マルチボルトI/O機能は、3.3Vと5Vの両方の信号をサポートします。これにより、異なる電圧レベルで動作するコンポーネントを含む設計に適しており、安全で効率的な電圧翻訳が可能になります。
迅速なプロトタイピングとシステム内の更新
このチップは、頻繁にロジック更新を必要とする可能性のあるシステムで使用できます。EEPROMベースの構造とJTAGプログラミングインターフェイスにより、ボードが組み立てられた後でもロジックを再プログラムできます。
ボードレベルのテストと診断
JTAGを介して境界スキャンサポートを使用すると、プローブを必要とせずにPCBのチップ間の接続をテストします。これは、はんだ付けやルーティングの問題を検出するための製造およびフィールド診断中に役立ちます。
• EPM7192EQC160-20 (アルテラ)
このデバイスは同じMax 7000シリーズのもので、同じロジックリソース、192のマクロセル、160ピンPQFPパッケージの124 I/Oピンを提供しています。–20のスピードグレードが遅いため、伝播遅延(〜20 ns)が長いことを意味しますが、非時代のデザインのニーズを満たしています。これは、論理密度が重要なアプリケーションに適した代替品ですが、超高速タイミングは優先事項ではなく、機能的な同等性が必要なコストに敏感なプロジェクトに最適です。
• EPM7192SQI160-10N (アルテラ)
この部分は、EPM7192SQC160-15でも論理互換性があり、同じ数のマクロセルとI/OSを提供します。ただし、タイミングが改善された(10 ns伝播遅延)により速い操作をサポートする–10速度グレードを使用します。また、–40°Cから +85°Cの拡張温度範囲をサポートしているため、産業用または屋外アプリケーションの優れた代替品となっています。これにより、高速と環境の回復力が必要な場合に理想的になります。
• EPM7192SQC160-7 (インテル)
EPM7192SQC160-15の直接スピードアップバリアントとして、–7バージョンは家族で最速のパフォーマンスを提供し、伝播遅延は7.5 nsに低下します。同じピン構成、電源仕様、ロジック密度を維持し、ボードレイアウトや電圧要件を変更せずに、より良い速度を求めている人にドロップイン交換を提供します。これにより、同じデザインフットプリント内にとどまる間、より速い信号応答が必要なタイミングクリティカルなデザインに最適な選択肢になります。
1. ISPモードを入力します
最初のステップは、デバイスをISP(システム内プログラミング)モードにシフトすることです。これは、JTAGインターフェイスを介して行われます。ISPモードになったら、デバイス上のすべてのI/Oピンは、プログラミング中の意図しないロジック干渉を防ぐために、安全な3つの状態モードに配置されます。この初期化は通常、約1ミリ秒かかります。
2.デバイスIDを確認します
独自のシリコンIDがデバイスに埋め込まれており、プログラミングが開始される前に正しいモデルであることを確認します。システムは読み取り命令にシフトし、TDO(テストデータアウト)行を介してIDを取得します。このチェックにより、プログラミングツールが適切なCPLDに接続されていることが保証され、別の部分を上書きするような間違いを回避します。
3.バルク消去
バルク消去は、CPLDのEEPROMメモリに以前に保存されたすべてのデータをクリアします。これにより、新しい構成を受信するためにチップが準備されます。消去コマンドは、通常約100ミリ秒続くパルスを開始し、すべてのプログラム可能なセルがリセットされるようにします。
4.プログラムEEPROM
新しい構成データは、JTAGポートを介してアドレスとデータビットをシフトすることにより、デバイスにロードされます。各メモリセルは1つずつ記載されており、成功した書き込みサイクルのたびにプログラミングパルスが適用されます。このプロセスは、CPLDが電源を入れたときに使用するロジック構造を定義します。
5. EEPROMを確認します
プログラミング後、デバイスは検証ステップを実行します。これには、プログラムされた各メモリの位置を読み返し、意図したデータと出力値を比較することが含まれます。検証が失敗した場合、プロセスを繰り返す必要があります。このステップにより、構成が正常に記述されたことが保証されます。
6. ISPモードを終了します
確認が完了すると、ISPモードを終了するために最終コマンドが発行されます。デバイスはI/Oピンを再アクティブ化し、通常の動作を再開します。この遷移には約1ミリ秒かかり、システム内プログラミングサイクルが完了します。
• 体の大きさ:28mm×28mm
• パッケージの高さ:3.4mm
• ピンピッチ:0.65mm
EPM7192SQC160-15は元々製造されていました Altera Corporation、高度なプログラム可能なロジックデバイスで知られる会社。2015年、Alteraが買収されました Intel Corporation、そしてこのデバイスは、Max 7000S CPLDファミリーの下でIntelのプログラム可能なソリューショングループの一部になりました。Intelはレガシーアルテラ製品をサポートし続けていますが、EPM7192SQC160-15は現在、ほとんどの公式カタログで時代遅れに分類されています。その中止されたステータスにもかかわらず、インテルの信頼性に対する歴史的評判と、高性能ロジックソリューションにおけるアルテラの遺産により、二次ディストリビューターを通じて継続的な需要と可用性が保証されます。
EPM7192SQC160-15は、多くの電子システムでデジタル制御タスクを処理するための便利で柔軟なチップです。カスタムステートマシンの構築、信号の取り扱い、さまざまなデバイスの接続などのジョブに十分なロジックパワーを提供します。異なる電圧レベルをサポートし、速い速度で動作し、JTAGを介して簡単に更新できます。その内部設計により、滑らかな信号の流れと簡単なロジックの変更が可能になります。現在は中止されていますが、古いプロジェクトや進行中のプロジェクトにとってはまだ素晴らしい選択肢であり、より速いまたはより広い温度サポートを提供する同様のチップに置き換えることができます。
お問い合わせを送ってください、すぐに返信します。
はい、CHIPはJTAGインターフェイスを介してシステム内プログラミング(ISP)をサポートしているため、PCBではんだ付けされている間に直接プログラムまたは再プログラムすることができます。
AlteraのQuartus IIソフトウェア(古いバージョン)を使用して、ロジックデザインを作成し、コードをコンパイルし、JTAGベースのプログラミングプロセスを管理できます。Quartus IIは、EPM7192SQC160-15などの最大7000Sデバイスをサポートしています。
いいえ、内部EEPROMベースの構成メモリがあります。すべてのロジック構成はチップ内に保存されるため、ロジック状態またはブートシーケンスを保存するために外部メモリは必要ありません。
その堅牢な5V操作、マルチボルトI/O互換性、高速論理処理、およびEEPROMベースの非揮発性メモリにより、安定した耐久性のあるデジタルロジック機能を必要とする産業システムに対して信頼性が高くなります。
マルチボルトI/Oサポートのおかげで、このデバイスは3.3Vおよび5Vロジックレベルの両方とインターフェースでき、混合シグナルシステムと最新の低電圧コンポーネントとのインターフェースに最適です。
06/13/2025で公開されています
06/12/2025で公開されています
04/17/8000で公開されています 147710
04/17/2000で公開されています 111648
04/17/1600で公開されています 111313
04/17/0400で公開されています 83571
01/1/1970で公開されています 79208
01/1/1970で公開されています 66738
01/1/1970で公開されています 62923
01/1/1970で公開されています 62784
01/1/1970で公開されています 54018
01/1/1970で公開されています 51932