




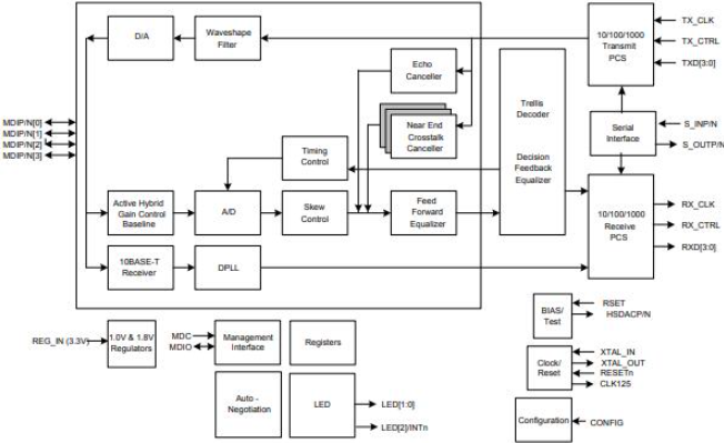
88E1512 高度に適応可能なギガビットイーサネットトランシーバーです。広く利用されている1000Base-T、100Base-TX、および10Base-T標準をサポートし、効率的なデータ送信を確保します。この標準の多様性により、最新のネットワークシステムの要求を満たすことができ、さまざまなインターフェイス間で信頼性を提供します。
GMIIとRGMIIの両方のインターフェイスを介して接続が利用できるため、トランシーバーはさまざまなネットワークインフラストラクチャへのスムーズな統合を促進します。この二重の互換性は、多様なネットワークアーキテクチャに対応しており、システムのパフォーマンスをシームレスに強化するために必要な柔軟性を提供します。既存のシステムへの組み込みの容易さはしばしば評価され、スケーラビリティと効率の両方を高めます。銅、繊維、およびSGMII形式をサポートする88E1512は、さまざまなネットワークシナリオに適応する準備ができています。ネットワークが変動する環境では、この機能はほとんど有利になります。トランシーバーの自動メディアタイプの検出により、セットアップの複雑さが減り、ネットワーク管理が合理化されます。
統合されたMDI終了抵抗器は、88E1512の効率的な設計の一部であり、回路レイアウトを簡素化し、材料と製造に関連するコストを削減します。この思慮深いデザインはIEEE標準と一致し、一貫したパフォーマンスを確保します。このような効率は、信頼できるが展開が簡単なシステムの提供に役立ちます。88E1512が提供する精度とコスト管理のバランスが頻繁に求められています。予算の制約を尊重する高品質のソリューションを提供することにより、プロジェクトは持続可能性とスケーラビリティの両方を達成できます。この平衡は、成功した実装で一般的に観察され、長期的なネットワークの進歩を促進します。
|
特徴 |
説明 |
|
IEEEコンプライアンス |
10/100/1000Base-T IEEE 802.3準拠 |
|
複数の動作モード |
-RGMIIから銅へ |
|
-SGMIIから銅へ(88E1512/88E1514のみ) |
|
|
-RGMIIからFiber/SGMII(88E1512のみ) |
|
|
-AUTO-MEDIA検出を備えたRGMIIから銅/繊維/SGMIIへ
(88E1512のみ) |
|
|
- 銅から繊維(1000Base-X)(88E1512/88E1514) |
|
|
RGMIIタイミングモード |
統合された遅延を備えた4つのRGMIIタイミングモード、
PCBトレースの遅延の必要性を排除します |
|
ファイバーインターフェイスのサポート |
SGMIIで1000Base-Xおよび100Base-FXをサポートします(88E1512
のみ) |
|
RGMII LVCMOS標準 |
RGMIIでLVCMOS/0をサポートします |
|
エネルギー効率の高いイーサネット(EEE) |
IEEE 802.3AZ-2010に準拠し、EEEバッファリングがあります
レガシーマック |
|
電力効率 |
統合されたMDI終了を伴う超低電力
抵抗器 |
|
電圧レギュレーター |
統合されたスイッチング電圧レギュレーター |
|
グリーンイーサネットサポート |
- アクティブな電源保存モード |
|
- エネルギー検出とエネルギー検出+低電力モード |
|
|
IEEE1588 V2 |
タイムスタンピングサポート |
|
同期イーサネット(同期) |
時計回復 |
|
ループバックモード |
3つの診断ループバックモード |
|
ダウンシフトモード |
2ペアのケーブル設置のサポート
|
|
適応イコライザー |
完全に統合されたデジタル適応イコライザー、エコー
キャンセラー、クロストークキャンセラー |
|
ベースラインワンダー補正 |
高度なデジタルベースラインワンダー補正 |
|
MDI/MDIX |
すべての速度で自動MDI/MDIXクロスオーバー |
|
極性補正 |
自動極性補正 |
|
オートネゴシエーション |
IEEE 802.3準拠 |
|
LEDモード |
LEDテストを含むソフトウェアプログラム可能なLEDモード |
|
管理インターフェイス |
MDC/XMDIO管理インターフェイス |
|
診断ツール |
CRCチェッカー、パケットカウンター、パケット生成 |
|
ウェイクオブラン(WOL) |
イベント検出機能 |
|
仮想ケーブルテスター(VCT) |
診断用の高度な仮想ケーブルテスター |
|
自動キャリブレーション |
MACインターフェイス出力用 |
|
温度センサー |
統合 |
|
電圧供給 |
内部スイッチングレギュレーターを備えた単一の3.3V供給
サポート |
|
I/O電圧オプション |
I/Oパッドの場合、1.8V、2.5V、または3.3V |
|
グレードオプション |
商業および産業の成績(88E1510および88E1512
のみ) |
|
パッケージ |
-48ピンQFN 7mm x 7mm緑色の緑(88E1510および
88E1518) |
|
-56ピンQFN 8mm x 8mm緑色の緑(88E1512/88E1514) |
88E1512イーサネットPhyは、デジタル景観における迅速な進歩のための柔軟な基盤を提供します。このコンポーネントは、エンタープライズ、組み込みソリューション、コンシューマーエレクトロニクス、メトロ/サービスネットワークなど、さまざまなセクターのギガビットシステムを強化します。
•ネットワークインフラストラクチャの強化:エンタープライズネットワークでは、88E1512が接続性を増幅し、データ転送レートを上げます。データセンターや企業ネットワークなど、迅速かつシームレスなデータ交換を要求する環境で繁栄しています。
•データセンターの統合:データセンターは、88E1512の安定したパフォーマンスと高速機能の恩恵を受け、ストレージと処理に必要なスムーズなデータフローを確保します。速度と信頼性の調和のとれたバランスを取り、現代のデータセンターの設計の重要な要素になります。
組み込みシステムでは、コンポーネントにより、IoTと自動化に深刻なコンパクトで効率的なレイアウトが可能になります。この統合は、よりスマートで応答性の高いアプリケーションを促進し、スマートホームテクノロジーと産業自動化の革新を促進します。
88E1512は、消費者デバイスでの高速インターネットの需要の増加を満たしています。たとえば、スマートテレビやゲームコンソールは、優れたストリーミングとゲームエクスペリエンスの能力を活用して、満足度と競争力を高めます。
•接続の維持:メトロネットワークおよびサービスプロバイダーの間で、88E1512は安定した一貫した接続を保証します。その展開により、サービスプロバイダーは、ビジネスと住宅の両方に利益をもたらし、最小限の中断で質の高いインターネットアクセスを提供できます。
•ネットワークバックボーンの強化:メトロネットワークでのその役割は、信頼できるインフラストラクチャをサポートし、効率的な通信チャネルを促進し、高いデータ負荷に対応します。都市のコミュニケーションネットワークを維持し、効率と回復力を確保することです。
•88E1512-A0-NNP2I000
•88E1512-A0-NNP-2I000
•88E1512-A0NNP2I000
•88E1512A0NNP2I000


デジタルストレージで封筒を押していることで知られるマーベルは、さまざまなセクターで一貫して新境地を破ります。彼らの高度な半導体ソリューションは、データストレージの将来を定義する上で大きな役割を果たし、企業、クラウド、自動車、産業、消費者市場に広範囲に影響を与えます。この全体的な戦略は、データ管理の効率とスケーラビリティを高めることへの献身を明らかにしています。
エンタープライズとクラウドの両方の設定で、Marvellはデータフローとストレージ効率を高めます。クラウドコンピューティングに重点が置かれているため、堅牢でスケーラブルな革新が必要です。電力効率の高いデザインとともに高度なアルゴリズムを活用することにより、Marvellはレイテンシの課題に取り組み、現代のビジネスに必要な速度要件を満たすためにシームレスなデータアクセスを提供します。Marvellは、自動車および産業用の用途のために、厳しい状況に耐えるように設計された耐久性のあるソリューションを提供します。半導体は、信頼できるデータ処理を提供します。スマートビークルの進化と製造自動化を活用しています。AI機能を組み込むことは、これらのセクターの変換に使用されるインテリジェントな意思決定と予測メンテナンスをサポートします。
これがMarvell Semiconductor、Inc。のテーブルです。 88E1512-A0-NNP2I000 技術仕様と属性。
|
タイプ |
パラメーター |
|
工場のリードタイム |
16週間 |
|
マウント |
表面マウント |
|
取り付けタイプ |
表面マウント |
|
パッケージ /ケース |
56-VFQFN露出パッド |
|
使用率 |
産業グレード |
|
動作温度 |
-40°C〜85°C(TA) |
|
シリーズ |
Alaska® |
|
公開 |
2011年 |
|
パーツステータス |
アクティブ |
|
水分感度レベル(MSL) |
3(168時間) |
|
終端の数 |
56 |
|
タイプ |
トランシーバー |
|
電圧 - 供給 |
1.71V〜1.89V、2.38V〜2.62V、3.14V〜3.46V |
|
端子位置 |
クワッド |
|
端子形式 |
リードなし |
|
関数の数 |
1 |
|
供給電圧 |
3.3V |
|
JESD-30コード |
S-XQCC-N56 |
|
チャネルの数 |
4 |
|
インタフェース |
イーサネット |
|
データレート |
10mbps、100mbps、1gbps |
|
プロトコル |
IEEE 802.3、IEEE 1588 |
|
ドライバー/レシーバーの数 |
4-APR |
|
二重 |
フル、半分 |
|
トランシーバーの数 |
1 |
|
シンプレックス/デュプレックス |
二重 |
|
マックスジャンクション温度(TJ) |
125°C |
|
周囲温度範囲が高くなります |
85°C |
|
身長 |
1mm |
|
ROHSステータス |
ROHS準拠 |
88E1512トランシーバーはです 汎用性の高いネットワークセットアップ用に設計され、5つの操作モードをサポートします 特定のニーズ。デジタル通信を強化するRGMII MacとPhyの間で、データ送信とデザインの削減の合理化 複雑さは、さまざまな設置の銅接続に最適です。sgmii 高い信号の完全性のための微分ペアを持つコンパクトなプロトコルです 銅と繊維の接続をサポートする低ピンカウント、そのために広く使用されています 低電力と適応性。RGMIIからSGMIIへの移行オファー RGMIIからSGMIIへの遷移を構成とともに有効にすることにより、柔軟な接続性 さまざまなセットアップ間の互換性を確保するためのオプション。銅と繊維 サポートSGMIIは両方の銅をサポートします(耐久性があり、 費用対効果の高い)および繊維(高速、長距離)接続 簡素化されたセットアップの自動検出。ファイバー遷移(1000Base-X)が促進されます 銅モードと繊維モードの間のシームレスな遷移、住宅に適応できる 潜伏期と信号の要件に基づく商業環境。
トランシーバーは、統合された電圧レギュレータを備えており、3.3V電源でスムーズに動作し、複数のLVCMOS電圧(1.8V、2.5V、および3.3V)をサポートしています。この適応性により、異なるパワーフレームワークを持つシステムへのシームレスな統合が可能になります。電圧標準の意図的な選択は、熱管理と電力効率に直接影響し、エンジニアリングの課題に顕著な役割を果たします。これらの側面に参加することにより、パフォーマンスの寿命と持続可能なデバイスの操作を強化できます。
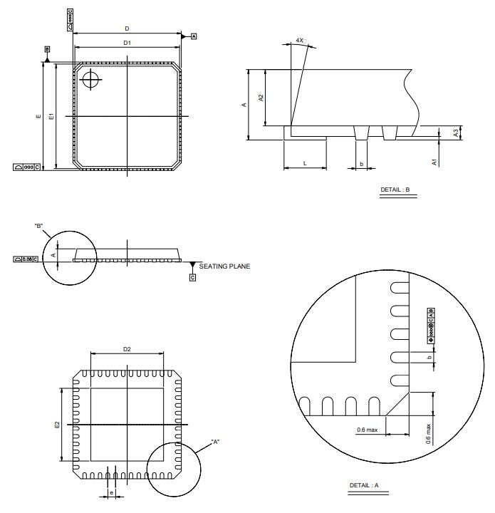
コンパクトな56ピンQFNパッケージに包まれたトランシーバー寸法は8mm x 8mmです。この設計は、高密度の回路基板上のスペースを最大化するために使用され、高密度アプリケーションに適しています。エレクトロニクスがより小さなサイズに向かってトレンドを続けるにつれて、機能を失うことなくコンパクトコンポーネントを選択することがますます重要になります。QFNパッケージは、熱の性能を向上させるだけでなく、フットプリントを減らし、製品の汎用性と市場の応答性に直接影響を与えます。
お問い合わせを送ってください、すぐに返信します。
10/29/2024で公開されています
10/29/2024で公開されています
04/19/8000で公開されています 147781
04/19/2000で公開されています 112056
04/19/1600で公開されています 111352
04/19/0400で公開されています 83810
01/1/1970で公開されています 79622
01/1/1970で公開されています 66992
01/1/1970で公開されています 63118
01/1/1970で公開されています 63057
01/1/1970で公開されています 54097
01/1/1970で公開されています 52206