
NCP3066 高視線LEDの均一な電流を提供するために作成された洗練されたモノリシックデバイスです。235 mVのフィードバック電圧が著しく低く、典型的なLED電流の正確な管理が促進されます。最大40 Vの入力電圧を管理できるため、12〜36 Vの間で動作するシステムにシームレスに適応します。このような汎用性は、バック、ブースト、または反転トポロジなどの複数の構成における適応性を強調し、最小数の外部コンポーネントのみを必要とします。これらのオプションは、設計の適応性と幅広いシナリオへの効率的な組み込みを提供し、創造性を解き放ち、多様なアプリケーションのニーズを簡単に満たすことができます。
PWMの調光機能と低電力シャットダウン機能で強化されたNCP3066は、ほとんど自動車、海洋、およびポータブル照明ソリューションに熟達しています。これらのアプリケーションは、最大1.5アンペアの安定した電流を供給する能力で繁栄し、NCP3066は信頼性と効率の両方を求める上で好まれた選択になります。たとえば、耐久性が省エネと絡み合っている自動車照明システムでは、レギュレーターの堅牢な建設は有意義な利点を提供し、その永続的なパフォーマンスを安心させます。

|
ピン番号 |
ピン名 |
説明 |
|
ピン1 |
スイッチコレクター |
内部ダーリントンスイッチコレクターピン。 |
|
ピン2 |
エミッタを切り替えます |
内部ダーリントンスイッチエミッターピン。 |
|
ピン3 |
タイミングコンデンサ |
発振器ピンのタイミングコンデンサ。 |
|
ピン4 |
GND |
すべての内部回路のグランドピン。 |
|
ピン5 |
コンパレータの逆ピン |
コンパレータの入力ピンを反転します。 |
|
ピン6 |
VCC |
レギュレータの入力電圧。 |
|
ピン7 |
IPKセンス |
ピーク電流のセンシングピン。 |
|
ピン8 |
オン/オフ |
オン/オフコントロールピン。 |
|
機能/仕様 |
詳細 |
|
タイプ |
モノリシック定電流レギュレーターIC |
|
入力電圧(VIN) |
3V - 40V |
|
統合されたスイッチ |
1.5アンペア |
|
低フィードバック電圧 |
235mv |
|
高い動作周波数 |
最大150 kHz |
|
シャットダウン機能 |
ロジックレベルのシャットダウン |
|
調光オプション |
アナログとPWMの調光 |
|
パッケージタイプ |
SOIC、DFN、および8ピンディップ |
|
PWMの調光容量 |
アナログとデジタル |
|
ROHSコンプライアンス |
PBフリー |
|
サーマルシャットダウン |
ヒステリシスによる内部熱シャットダウン |
|
制御ループ補償 |
必要ありません |
|
調整可能な周波数操作 |
最大250 kHz |
|
現在の制限 |
サイクルごと |
• LM5008
•XL6009
• LM3407
• A6211
• NCP3065
スクーターストレージコンパートメントは、しばしば不十分な照明の不便さを提示し、視界が懸念される夜間の時間に使用することを複雑にします。思慮深く実装されたソリューションには、NCP3066レギュレーターを利用して、ストレージコンパートメントが開いたときに光の活性化を自動化します。この自動照明のアプリケーションは、夕方の乗り物での利便性と信頼を大幅に向上させます。
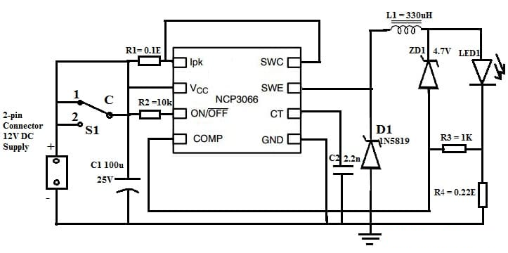
回路の配置には、いくつかの基本的なコンポーネントが含まれています。
•NCP3066レギュレーター
•Schottky Diode
•ツェナーダイオード
•白いLED
•抵抗器
•コンデンサ
•インダクタ
•制限スイッチ
•DC電源
調和して協力して、これらのコンポーネントはそれぞれシステムの有効性と信頼性に貢献します。たとえば、リミットスイッチは、コンパートメントの開いた状態または閉じた状態のみに基づいてライトの動作を支配し、直感的なコントロールの層を追加することにより、エレガントなソリューションを提供します。

バックトポロジ内では、NCP3066レギュレーターは定電流ドライバーとして動作します。このセットアップは、電力使用を精度で調節するだけでなく、一貫した光出力を保証し、明確な可視性を維持するためにアクティブになります。コンポーネントの意図的な選択、特に一定の電流を提供するドライバーの能力は、高照明基準を維持しながらエネルギー効率を最大化する系統的なアプローチを強調しています。さらに、Zenerダイオードを含めると、障害保護の優先順位付けに優先されるエンジニアリングの予測を例示し、変動状態に対する耐久性と適応性を要求するデザインの広範な経験から引き出されます。
NCP3066は、最大250 kHzの周波数で機能することができ、シャットダウンオプションの利便性を提供する、電流を規制する際に注目に値する才能を示しています。その慎重にバランスの取れた現在の規制と簡素化された構造は、運用上の結果を強化します。さらに、組み込みの保護要素は安全性を大幅に向上させ、電力使用を確実に保証します。これは、運用上の危険を減らすのに役立つ側面です。
NCP3066の効果的な運用、コンパクトサイズ、および費用対効果の高い建設の組み合わせは、最新の電子機器の進化するニーズに対処しています。小さく安価なセンス抵抗器を含めることは重要な役割を果たし、チップが多様な回路要件に適応できるようにします。これらのプロパティを実際のシナリオで巧みに使用して、堅牢なパフォーマンスを維持しながら、回路のサイズと予算を微調整できます。
実際の設定では、これらの特性の重要性は紛れもないものになります。スペースとサーマルハンドリングに関する制限に頻繁に取り組むことができます。NCP3066の効率と最小限のデバイスフットプリントは、明確な利点を提供します。さらに、非アクティブな段階でのエネルギー消費量が低いことは、バッテリー操作のデバイスにとって主に価値があり、サービスの寿命と信頼性を拡大します。実践的なエクスペリエンスから、そのきちんとした設計と保護機能の相乗効果により、複雑なシステムへのスムーズな統合が可能になります。
NCP3066は、電圧制御ではなく電流の安定化に焦点を当て、LEDを介した安定した電流の流れを維持することに優れています。この機能は、さまざまなアプリケーションで適応性を高めます。
•自動車照明:一貫した照明は、安全基準と審美的な魅力の両方を強化します。
•屋外の照明と標識:環境課題に直面する信頼性と耐久性が優先されます。
•産業機械:信頼できる現在の供給に依存し、スムーズな運用を確保し、ダウンタイムを最小限に抑え、最終的に生産性を高め、メンテナンス費用を削減します。
•Consumer Electronics:DIY Afionadosにカスタマイズされた照明ソリューションを作成できるようになります。不動の現在の管理を提供します。その多様なアプリケーションは、電源設計とバッテリー充電システムに拡張され、長期にわたる生命と有効性が保証されます。
•庭と水族館の照明:一定の出力、植物の育成、水生生物を光強度を制御することで供給します。
LED回路の電流を制御することに関しては、抵抗器が単純さと費用対効果のために選択されることがよくあります。しかし、それらは本質的に、NCP3066のようなデバイスが提供する微調整された精度と柔軟な調整を欠いています。抵抗器は固定条件下でよく管理しますが、電圧または環境要因のシフトにシームレスに調整するのに苦労しています。この不足は、顕著な現在の変動をもたらし、LEDのパフォーマンスと寿命の両方に影響を与えます。
NCP3066は、一貫した電流規制のための例外的なソリューションを提供します。電圧の変化に応答する能力は、電流の安定した流れを保証し、LED効率と時間の経過に伴う明るい一貫性を維持するのに役立ちます。この特性は、一貫したパフォーマンスと安定性が非常に望ましいシナリオで特に有利です。繊細な電子部品を処理するとき、早期の障害や不安定な操作を防ぐために、正確な電流配信が深刻になります。
多くの場合、抵抗器はかなりの熱を生成し、回路の非効率性につながる可能性があります。このような熱生産は、電圧の変化、製造の矛盾、温度の変動によって悪化する可能性があります。これらの要素は、不安定なLEDパフォーマンスと輝度の変動に貢献する可能性があります。一方、NCP3066を使用すると、より効率的で正確な電流制御を提供することにより、熱の課題を軽減し、LEDアレイの耐久性と信頼性を高めます。
お問い合わせを送ってください、すぐに返信します。
12/11/2024で公開されています
12/11/2024で公開されています
04/16/8000で公開されています 147710
04/16/2000で公開されています 111642
04/16/1600で公開されています 111313
04/16/0400で公開されています 83570
01/1/1970で公開されています 79201
01/1/1970で公開されています 66733
01/1/1970で公開されています 62918
01/1/1970で公開されています 62779
01/1/1970で公開されています 54018
01/1/1970で公開されています 51927