
図 1. 絶縁型パワーコンバータと非絶縁型パワーコンバータの概要
絶縁型パワーコンバータは、直接電気接続せずに入力と出力の間でエネルギーを転送する電力変換回路の一種です。その主な目的は、入力と出力のグランドを分離することで電気的安全性とノイズ絶縁を提供することです。この分離はガルバニック絶縁によって実現され、電流が両側の間に直接流れるのを防ぎます。エネルギーは、導電経路の代わりに、通常は磁気結合または光結合を使用して中間媒体を介して伝達されます。この設計は、入力側の電圧スパイクや障害から敏感なコンポーネントを保護するのに役立ちます。絶縁型パワーコンバータは、制御された電力を供給しながら入力と出力間の電気的独立性を維持する能力によって定義されます。
非絶縁型パワーコンバータは、入力と出力が直接電気接続を共有する電力変換回路です。その主な目的は、電気的分離を必要としないシステム内の電圧レベルを効率的に調整することです。この設計では、通常、両側が共通のグランドを共有し、入力と出力の間に電流が直接流れることができます。この共有リファレンスにより、回路構造が簡素化され、部品数が削減されます。ガルバニック絶縁がないため、入力と出力は常に電気的に接続されています。したがって、非絶縁パワーコンバータは、電源と負荷の間の連続した導電経路と共通の接地によって定義されます。

図 2. トランス絶縁図
絶縁コンバータは、直接の電気伝導ではなく磁気結合を介してエネルギーを伝達することによって動作します。スイッチング デバイスは入力電圧を急速にオン/オフし、変圧器の一次巻線に時間とともに変化する電流を生成します。この変化する電流により、トランスコア内に磁界が発生し、二次巻線につながります。磁場によって二次側に電圧が誘導され、絶縁バリアを越えてエネルギーが伝達されます。巻線間に導電経路がないため、プロセス全体を通じて電気的分離が維持されます。次に、出力側は、基本的な整流段とフィルタリング段を使用して、誘導された信号を使用可能な DC 電圧に変換します。この方法では、入力と出力間の電気的絶縁を維持しながら、制御されたエネルギー伝達が保証されます。

図 3. 非絶縁スイッチング回路
非絶縁コンバータは、連続した電気経路内のスイッチング動作を通じて電圧を調整します。半導体スイッチは急速にオンとオフを切り替えて、エネルギーが入力から出力にどのように流れるかを制御します。スイッチング中、インダクタは磁界にエネルギーを一時的に蓄積し、その後負荷にエネルギーを放出します。コンデンサは出力を平滑化し、安定した電圧レベルを維持するために使用されます。入力と出力は共通のグランドを共有しているため、エネルギー伝達は回路コンポーネントを通じて直接発生します。スイッチング プロセスでは、システム要件に従って出力電圧を調整するためにデューティ サイクルを調整します。このアプローチにより、絶縁コンポーネントを必要とせずに効率的な電圧変換が可能になります。
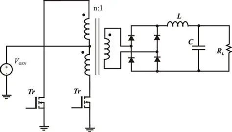
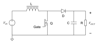
1. フライバックコンバータ

図 4. フライバック コンバータの回路図
フライバック コンバータは、エネルギーを変圧器に蓄積し、出力に供給する単純な絶縁型電力コンバータです。これは、一次巻線と二次巻線を備えた変圧器を使用し、一次側はスイッチング デバイスによって制御されます。スイッチが動作すると、エネルギーはまず変圧器に蓄えられ、次に二次側に転送されます。二次回路には、出力電圧を変換して平滑化するためのダイオードとコンデンサが含まれています。この構造により、コンパクトな設計内で電圧変換と絶縁の両方が可能になります。示されている回路は、トランス結合、スイッチング制御、および出力整流の基本的な配置を強調しています。フライバック コンバータは、そのシンプルさと低電力から中電力のアプリケーションへの適性が広く知られています。
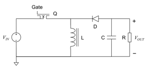
2. フォワードコンバーター

図 5. フォワード コンバータの回路図
フォワード コンバータは、スイッチング期間中に入力から出力にエネルギーを直接転送する絶縁型パワー コンバータです。スイッチがアクティブな間、エネルギーが二次側に流れる変圧器を使用します。この回路には、一次側に制御されたスイッチが含まれ、二次側にフィルタ部品を備えた整流器が含まれています。エネルギー貯蔵ベースの設計とは異なり、変圧器は導通期間中継続的に電力を供給します。この図は、トランスを通って出力段に至るエネルギー伝達の明確な経路を示しています。この構造により、電気的絶縁を維持しながら安定した電圧変換をサポートします。フォワードコンバータは、効率の向上と制御された電力供給が必要な場合に一般的に使用されます。
3. プッシュプルコンバータ

図 6. プッシュプル コンバータの回路図
プッシュプル コンバータは、2 つのスイッチング デバイスを使用して変圧器を交互に駆動する絶縁型電力コンバータです。センタータップのトランス一次巻線を備えており、各スイッチング サイクル中に電流が逆方向に流れることができます。各スイッチは順番に動作し、一度に変圧器の半分に電力を供給します。この交互動作により、変圧器の利用率が向上し、効率的なエネルギー伝達がサポートされます。二次側には整流とフィルタリングが含まれており、安定した出力電圧を生成します。この図は、スイッチと変圧器巻線の対称的な配置を反映しています。プッシュプル コンバータは、平衡動作が必要な中電力アプリケーションで一般的に使用されます。
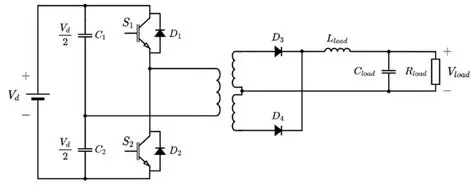
4. ハーフブリッジコンバータ

図 7. ハーフブリッジコンバータの回路図
ハーフブリッジコンバータは、2 つのスイッチを使用して分割入力電圧から変圧器を駆動する絶縁型パワーコンバータです。この回路は、コンデンサを使用して入力電源を 2 つの半分に分割し、中間点リファレンスを提供します。スイッチは交互に動作して、トランスの一次巻線に電圧を加えます。この構成により、各スイッチの電圧ストレスを軽減しながら、制御されたエネルギー転送が可能になります。次に、変圧器はエネルギーを二次側に送り、そこで整流およびフィルタリングされます。この図は、2 つのスイッチとトランス インターフェイスのバランスの取れた配置を示しています。ハーフブリッジコンバータは、効率的なスイッチング制御を備えた中出力から高出力のシステムで一般的に使用されます。
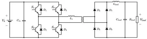
5.フルブリッジコンバータ

図 8. フルブリッジコンバータの回路図
フルブリッジ コンバータは、4 つのスイッチング デバイスを使用して変圧器を駆動する絶縁型電力コンバータです。スイッチは H ブリッジ構成で配置されており、入力電圧を最大限に活用できます。スイッチングペアを交互に切り替えることにより、回路は変圧器の一次側に双方向電圧を印加します。これにより、効率的なエネルギー伝達が可能になり、高出力動作がサポートされます。二次側には整流とフィルタリングが含まれており、安定した DC 出力を生成します。この図は、トランスと出力段に接続された 4 つのスイッチ配置を示しています。フルブリッジコンバータは、堅牢で効率的なエネルギー変換を必要とする高出力アプリケーションで広く使用されています。
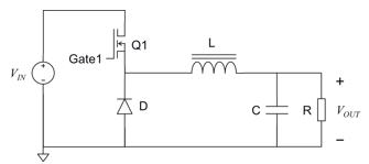
1. 降圧コンバータ (降圧)

図 9. 降圧コンバータの回路図
バックコンバータは、高い入力電圧を低い出力電圧に下げる非絶縁型 DC-DC コンバータです。スイッチング デバイスを使用してソースから負荷に供給されるエネルギー量を制御し、インダクタは電流の流れをスムーズにします。ダイオードはスイッチがオフのときに電流経路を提供し、コンデンサは安定した出力電圧の維持に役立ちます。この基本構造により、降圧コンバータは電子システムで最も一般的な降圧パワーコンバータのタイプの 1 つとなります。この回路配置には通常、コンパクトな非絶縁レイアウトで接続されたスイッチ、ダイオード、インダクタ、およびコンデンサが含まれます。この単純なトポロジのため、降圧コンバータは効率的な電圧降下が必要な場合に広く使用されています。パワー エレクトロニクスでは、降圧コンバータは、より高い DC 電源から安定化された低電圧出力を実現する実用的なソリューションとして評価されています。
2. 昇圧コンバータ(ステップアップ)

図 10. 昇圧コンバータの回路図
ブースト コンバータは、低い入力電圧を高い出力電圧に昇圧する非絶縁型 DC-DC コンバータです。インダクタにエネルギーを蓄積し、そのエネルギーを放出して出力電圧を入力レベルよりも高くすることで動作します。この回路には通常、インダクタ、スイッチ、ダイオード、コンデンサが含まれており、標準的な昇圧コンバータ構造を形成します。エネルギーがインダクタの充電および放電経路を通って移動すると、出力が構築され、負荷に対して安定します。このため、昇圧コンバータは、より低い電源からより高い DC 電圧が必要な場合の電源設計において広く使用されるオプションになります。非絶縁構成により、回路がコンパクトに保たれ、入力から出力まで電気的に連続した状態が保たれます。多くの電子システムでは、ブースト コンバータは、絶縁コンポーネントを使用せずに効率的な昇圧を実現する簡単な方法を提供します。
3. 昇降圧コンバータ (昇圧/降圧)

図 11. 昇降圧コンバータの回路図
昇降圧コンバータは、回路要件に応じて出力電圧を増減できる非絶縁 DC-DC コンバータです。スイッチング動作とインダクタベースのエネルギー転送を組み合わせて、単一トポロジーから柔軟な電圧調整を実現します。このコンバータは、動作中に入力電圧が必要な出力レベルを上回るか下回る可能性がある場合に役立ちます。その回路構造には、降圧変換と昇圧変換の両方をサポートするように配置されたスイッチ、ダイオード、インダクタ、コンデンサが含まれています。一部の構成では出力極性を反転できますが、他の構成では回路は安定化された非反転出力用に設計されています。この種の回路で示されるトポロジーは、変圧器を使用せずに電圧レベルを適応させる能力を強調しています。この柔軟性により、昇降圧コンバータは、現代のパワー エレクトロニクスにおける重要な非絶縁コンバータ タイプです。
• 入力と出力を電気的に分離します。
• ユーザーと機器の安全性が向上します。
• 回路側間のノイズ伝達を軽減します。
・高電圧変換をより安全にサポートします。
• 両側で異なる接地基準を許可します。
• 電源システムに強力な設計柔軟性を提供します。
• 複数出力の電源設計に役立ちます。
• 敏感なダウンストリーム回路の保護に役立ちます。
• 多くの設計で高い変換効率を実現します。
• 使用するコンポーネントの数が減り、レイアウトがシンプルになります。
• 全体の回路サイズと重量を削減します。
• 製造コストと設計コストを削減します。
• コンパクトな電源統合をサポートします。
• 低電圧 DC システムで優れた応答性を発揮します。
• 接地および基板レベルの設計を簡素化します。
• スペースが限られた電子機器に簡単にフィットします。
1. 産業用制御システム
絶縁型パワーコンバータは、PLC、モータードライブ、ファクトリーオートメーション機器などの産業用制御システムで広く使用されています。これらのシステムは異なる電圧ドメインを処理することが多いため、制御セクションと電源セクションの間に電気的な分離が必要です。非絶縁コンバータは、直接レギュレーションで十分な低電圧サブ回路内でも使用されます。産業機器におけるそれらの重要性は、監視、ロジック、および駆動コンポーネントに安定した電力を供給することにあります。
2. 電気通信設備
電気通信システムでは、ルーター、基地局、スイッチ、通信モジュールで絶縁コンバータと非絶縁コンバータの両方が使用されます。絶縁コンバータは、パワーステージ間の安全分離とノイズ制御が必要なセクションで一般的に使用されます。非絶縁コンバータは、ローカル電圧調整のためにプロセッサや通信チップの近くに配置されることがよくあります。信頼性の高い電力供給は信号処理とネットワークの稼働時間に直接影響するため、これらのコンバータは重要です。
3. 家庭用電化製品
テレビ、ラップトップ、ゲーム システム、スマート ホーム製品などのデバイスは、必要な内部電圧を供給するために電力コンバータに依存しています。絶縁コンバータは、ユーザー側を主電源側から分離する必要がある AC-DC アダプター段または電源でよく使用されます。非絶縁コンバータは、効率的なオンボード電圧変換のためにデバイス内で一般的に使用されます。その重要性は、多くの電子機能にわたってコンパクトで安定した、適切に調整された電力を可能にすることから生まれます。
4. カーエレクトロニクス
最新の車両では、インフォテインメント システム、照明モジュール、バッテリー管理システム、センサー、制御ユニットに電力コンバーターが使用されています。絶縁コンバータは、さまざまな電気ドメインを分離しておく必要がある電気自動車の高電圧セクションで重要です。非絶縁コンバータは、標準的な自動車用低電圧回路内で電圧を昇圧または降圧するために広く使用されています。自動車エレクトロニクスは、変化する動作条件下でも信頼性の高い電力を必要とするため、これらのコンバータが必要となります。
5. 医療機器
患者モニター、イメージング システム、診断ツール、ポータブル ヘルスケア製品などの医療機器は、正確で安定した電力変換に依存しています。絶縁コンバータは、患者に接続される側と電源との間に電気的分離が必要となることが多いため、医療機器では特に重要です。非絶縁コンバータは、直接変換が適している内部低電圧セクションで引き続き使用できます。医療システムは繊細な電子機能のために一貫した電力を維持する必要があるため、その役割は重要です。
6. 再生可能エネルギーシステム
太陽光発電システム、エネルギー貯蔵ユニット、および関連コントローラーは、電源、バッテリー、負荷間の電圧変換を管理するために電力コンバーターを使用します。絶縁コンバータは、異なるシステムステージまたはインターフェイス間で電気的分離が必要な場合に使用されます。非絶縁コンバータは、充電、監視、またはローカル電力調整のための DC 調整パスでよく使用されます。再生可能エネルギー システムは、使用可能な出力電力を維持しながら変化する入力条件に対応する必要があるため、これらのコンバーターは重要です。
7. コンピューティングおよびデータ処理装置
サーバー、組み込みボード、データ ストレージ デバイス、およびネットワーキング ハードウェアは、プロセッサ、メモリ、およびサポート回路用に複数の電源レールを使用します。非絶縁コンバータは中間 DC バスからのボードレベルの電圧を効率的に調整するため、これらのシステムでは一般的です。絶縁コンバータは、分離が必要な主電源セクションや通信インターフェイスにも使用される場合があります。それらの重要性は、さまざまな電圧要件を持つデジタル システムの安定した動作をサポートすることにあります。
8. 航空宇宙および防衛電子機器
航空機の電子機器、衛星サブシステム、および防衛ハードウェアは、厳しいシステム要件に適合するために特殊な電力変換ステージを使用することがよくあります。絶縁コンバータは、安全分離、ノイズ制御、または独立した接地が必要な場合によく選択されます。非絶縁コンバータは、スペースと重量が必要な密接に統合された低電圧モジュールにも使用されます。ミッションを重視した電子機器は、複雑な動作環境にわたって信頼性の高い電力を必要とするため、これらのコンバータは重要です。
|
アスペクト |
絶縁電源
コンバーター |
非絶縁型
電力変換器 |
|
孤立
定格電圧 |
通常500V
5 kV 絶縁バリアまで |
0V(いいえ
隔離バリア) |
|
電気経路 |
エネルギー
導電パスなしで転写 |
継続的
入力から出力までの導電パス |
|
接地電位
違い |
大型も扱える
接地差 (>100 V) |
同一に限ります
接地電位(≒0Vの差) |
|
安全性
コンプライアンス |
ミーツ
強化/基本絶縁規格 (IEC/UL) |
に適さない
安全絶縁規格 |
|
変圧器
存在感 |
変圧器を使用
または絶縁された結合要素 |
変圧器なし
使用済み |
|
スイッチング
周波数範囲 |
通常 20 kHz
~500kHz |
通常は 100
kHz~2MHz |
|
効率範囲 |
~70% ~ 90%
トポロジーに応じて |
~85% ~ 98%
デザインに応じて |
|
電力密度 |
により低下
磁気コンポーネント |
より高い理由
コンパクトなデザイン |
|
コンポーネント数 |
より高い (10 ~ 30+
代表的なコンポーネント) |
下位 (5 ~ 15
代表的なコンポーネント) |
|
物理的なサイズ |
より大きいため
変圧器と間隔 |
より小さい、
PCBレベルでの統合が可能 |
|
重量 |
~により重くなる
磁気コア |
ライター付き
最小限の磁気 |
|
EMI性能 |
より良い分離
伝導ノイズを低減する |
より起こりやすい
伝導ノイズ結合 |
|
電圧
転換率 |
広くて
フレキシブル (例: 400V ~ 5V) |
限定
変換範囲 (例: 12V ~ 5V) |
|
統合
レベル |
としてよく使用されます
個別の電源モジュール |
簡単に
ICベースのレギュレータに統合 |
1. 電気的絶縁が必要かどうかを確認する
まず、安全性またはシステム保護のために入力と出力を電気的に分離する必要があるかどうかを判断します。多くの場合、これは電力コンバータ設計における最初で最も重要な選択ポイントです。システムが電源と負荷の間の直接の電気接触を防止する必要がある場合は、通常、絶縁型コンバータの方が良い選択となります。そのような分離が必要ない場合は、非絶縁コンバータで十分な場合があります。このステップは、最も基本的なシステム要件に基づいて決定を絞り込むのに役立ちます。
2. 入力電圧と出力電圧の関係を特定する
次に、電源で利用可能な電圧レベルと負荷が必要とする電圧を調べます。一部のシステムでは、同じ電気グランド内で単純な降圧または昇圧変換のみが必要であり、多くの場合、非絶縁設計に適しています。他のシステムには、より広い電圧差または分離された電源ドメインが含まれており、分離されたソリューションが好まれる可能性があります。電圧の関係は、トポロジの選択とシステム レイアウトにも影響します。明確な電圧目標により、コンバータの選択がより実用的かつ正確になります。
3. 安全性と規制要件の評価
製品がユーザー保護、絶縁、または機器の分離に関する安全基準を満たしている必要があるかどうかを検討してください。多くの規制システム、特に危険な電圧が関係するシステムでは、設計ルールや認証ニーズによって絶縁が必要になる場合があります。一般に、非絶縁コンバータは、これらの要件が当てはまらない低電圧システムに適しています。このステップは、公共、産業、または機密環境を対象とした製品では特に重要です。安全性への準拠は、設計プロセスの早い段階で常に考慮する必要があります。
4. スペース、重量、レイアウトの制限を考慮する
物理的なサイズは、特にコンパクトな電子製品の場合、最適なコンバータの選択に大きな影響を与える可能性があります。非絶縁コンバータは、設計が小型、軽量であり、PCB への統合が容易でなければならない場合に好まれることがよくあります。絶縁型コンバータには通常、追加の磁気コンポーネントや絶縁関連コンポーネントが含まれるため、より多くのスペースが必要になる場合があります。したがって、最終的な決定を下す前に、利用可能な基板面積とエンクロージャのサイズを検討する必要があります。このステップにより、選択したコンバータが製品設計に現実的に適合することが保証されます。
5. 電力ステージのコスト目標を設定する
絶縁型パワーコンバータと非絶縁型パワーコンバータのどちらを選択するかについては、予算も重要な要素となります。非絶縁設計では、使用する部品が少なく、構造が単純であるため、通常はコストが低くなります。絶縁コンバータは、追加の絶縁コンポーネントとより複雑な実装により、材料コストと設計コストが増加する可能性があります。正しい選択は、アプリケーションが低コストを優先するか、電気的分離の追加を優先するかによって異なります。このステップは、技術的なニーズと製品の価格目標のバランスをとるのに役立ちます。
6. コンバータを最終アプリケーションに適合させる
最終的な決定は、実際の動作環境とシステムの目的を反映する必要があります。産業用、医療用、または高電圧機器で使用されるコンバータは、アプリケーションの設計要件により絶縁が必要な場合があります。小型電子機器のオンボード DC レギュレーションに使用されるコンバータは、非絶縁アプローチからより多くの恩恵を受ける可能性があります。アプリケーションのコンテキスト全体を確認することで、1 つの要素のみに基づいて選択することを避けることができます。このステップでは、コンバータタイプを実際のシステム使用に結び付けます。
7. 長期的な設計の柔軟性を検討する
将来のアップグレード、システム拡張、または設計の再利用について検討することも役立ちます。絶縁型コンバータは、後で個別のグランド、複数の出力、またはより広範なシステム変更が予想される場合に、より高い柔軟性を提供する可能性があります。設計が固定され、コンパクトな性能を実現するために最適化されている場合は、非絶縁コンバータの方が良い選択となる可能性があります。将来のニーズに備えて計画を立てると、再設計の作業が軽減され、システムの拡張性が向上します。この最後のステップは、コンバータが製品の最初のバージョン以降も適切な状態を維持できるようにするのに役立ちます。
絶縁コンバータと非絶縁コンバータの主な違いは、入力と出力が電気的に分離されているかどうかです。絶縁コンバータはより優れた安全性と保護を提供しますが、非絶縁コンバータはよりシンプルで小型、より効率的です。各タイプには、特定の電圧とシステムのニーズに適合する異なる設計があります。適切なものを選択するかどうかは、安全性、電圧レベル、サイズ、コスト、システムの使用方法によって異なります。
お問い合わせを送ってください、すぐに返信します。
変圧器は、入力と出力を電気的に分離しながら、磁場を通じてエネルギーを伝達します。また、電圧スケーリングも可能で、複数の出力レベルをサポートします。
はい、絶縁型コンバータは、追加のトランス巻線を使用して複数の出力をサポートできます。このため、複雑な電源システムで役立ちます。
いいえ、非絶縁コンバータは通常、DC 入力で動作します。非絶縁トポロジを使用する前に、まず AC を DC に変換する必要があります。
非絶縁コンバータはコンパクトで効率が高く、バッテリなどの低電圧 DC システムに最適であるため、通常は優れています。
はい、多くのシステムは両方を使用します。絶縁ステージは安全性とメイン変換を処理しますが、非絶縁ステージは回路内で電圧を局所的に調整します。
04/8/2026で公開されています
04/7/2026で公開されています
04/19/8000で公開されています 147781
04/19/2000で公開されています 112051
04/19/1600で公開されています 111352
04/19/0400で公開されています 83806
01/1/1970で公開されています 79612
01/1/1970で公開されています 66991
01/1/1970で公開されています 63115
01/1/1970で公開されています 63051
01/1/1970で公開されています 54097
01/1/1970で公開されています 52201