
LM317T To-220パッケージに包まれた高度に適応性のある電圧レギュレーターとして際立っており、その複雑な設計と正の電圧出力の管理における印象的なパフォーマンスで知られています。1.5Aを超える電流に対応でき、正確な電圧チューニングのために抵抗の仕切りを使用して電力管理を緩和します。この機能は、広い電圧範囲をサポートし、複数の固定レギュレーターの必要性を減らします。LM317Tは、効率的な電力規制をサポートする機能によって特徴付けられます。さまざまな入力条件にもかかわらず、安定した出力電圧を維持する習熟度がその効率を強調しています。LM317Tを使用する場合、その熱過負荷保護と短絡保護を使用して、要求の厳しい環境でも一貫したパフォーマンスと回復力を提供します。LM317Tは、多くの場合、さまざまな電圧要件を持つデバイス用の電源回路に統合されています。その単純な設計により、簡単に調整とメンテナンスが可能になり、教育環境と実験的セットアップでのメリットが提供されます。

|
ピン番号 |
ピン名 |
説明 |
|
1 |
調整する |
このピンは出力電圧を調整します |
|
2 |
出力電圧(Vout) |
調整されたピンによって設定された調整された出力電圧
このピンから取得します |
|
3 |
入力電圧(VIN) |
調整する必要がある入力電圧はに与えられます
このピン |


LM317Tの印象的な側面の1つは、1.2Vから37Vの調整可能な電圧範囲であり、微調整された電圧管理を必要とするアプリケーションに対応しています。この汎用性は、多くの電子アプリケーションにアピールし、設計の合併症を減らします。
1.5Aを超える電流のサポートにより、LM317Tは、さまざまな電力ニーズにわたって安定性を維持することに焦点を当てた高需要回路に合わせて調整されています。この特徴は、シームレスなデバイス操作に貢献し、電力要求が予測不可能な価値のあるコンポーネントになります。
LM317Tは、緊密なラインと負荷調節を0.1%に維持することに優れており、機密成分を破壊または劣化させる可能性のある電圧の変動を最小限に抑えます。
LM317Tの浮動電圧設計は、回路レイアウトの柔軟性を高め、複雑な構成を必要とせずに負の電圧シナリオでの使用をサポートします。この機能は、単一のシステム内に複数のレギュレーターが統合されている場合に有利になります。
過電流保護、熱シャットダウン、SOA制御を備えたLM317Tは、堅牢な保護手段を提供し、短絡や過熱などの一般的な脅威に対するシステムの完全性を強化します。これらの機能を通じて、多くは革新と信頼性の調和のとれたブレンドを作り出し、製品のパフォーマンスと寿命を促進します。
|
タイプ |
パラメーター |
|
ライフサイクルステータス |
アクティブ(最終更新:7か月前) |
|
めっきに連絡してください |
錫 |
|
取り付けタイプ |
穴を通して |
|
ピンの数 |
3 |
|
メーカーパッケージ識別子 |
0015988_TYPEA_REV_T |
|
パッケージング |
チューブ |
|
JESD-609コード |
E3 |
|
水分感度レベル(MSL) |
1(無制限) |
|
ECCNコード |
ear99 |
|
関数の数 |
1 |
|
ベースパーツ番号 |
LM317 |
|
出力数 |
1 |
|
出力電圧 |
37V |
|
工場のリードタイム |
24週間 |
|
マウント |
穴を通して |
|
パッケージ /ケース |
TO-220-3 |
|
重さ |
2.299807G
|
|
動作温度 |
0°C〜125°C |
|
許容範囲 |
5% |
|
パーツステータス |
アクティブ |
|
終端の数 |
3 |
|
端子位置 |
シングル |
|
端子ピッチ |
2.54mm |
|
ピンカウント |
3 |
|
電圧 - 入力(最大) |
40V |
|
出力タイプ |
調整可能 |
|
最大出力電流 |
1.5a |
|
最大出力電圧 |
37V |
|
Min入力電圧 |
4.2V |
|
psrr |
80db〜85db(120hz) |
|
最小出力電圧 |
1.2V |
|
身長 |
9.15mm |
|
幅 |
4.6mm |
|
放射線硬化 |
いいえ |
|
鉛フリー |
鉛フリー |
|
出力構成 |
ポジティブ |
|
規制当局の数 |
1 |
|
保護機能 |
電流で、温度を超えます |
|
参照電圧 |
1.25V |
|
電源拒絶比率(PSRR) |
80dB |
|
長さ |
10.4mm |
|
SVHCに到達します |
SVHCなし |
|
ROHSステータス |
ROHS3準拠 |

|
部品番号 |
説明 |
メーカー |
|
LM317KC |
3/4ピン1.5A調整可能な正電圧レギュレーター
3〜220 0〜125 |
テキサスの楽器 |
|
LM317T#PBF |
IC VREG 1.2 V-37 V調整可能陽性レギュレーター、PSFM3、
プラスチック、TO-220、3ピン、調整可能な正の単一出力標準レギュレーター |
線形技術 |
|
LM317T/NOPB |
IC VREG 1.2 V-37 V調整可能陽性レギュレーター、PSFM3、
ROHSコンプライアント、プラスチック、TO-220、3ピン、調整可能な正の単一出力
標準レギュレーター |
National Semiconductor Corporation |
|
LM317T2 |
1.2 V-37V調整可能陽性レギュレーター、PSFM3、プラスチック、
TO-220、3ピン |
半導体について |
追加のLM317T同等物は次のとおりです。LM317EMP、LM317AEMP、LM317LIDR、 LM317LMX、およびその他。
LM317は、出力電圧レベルを調整する機能により、可変電圧電源アプリケーションで広範な使用を見出しています。教育環境と電子機器研究所では、多様な回路の開発とテストをサポートしています。1.25Vから37Vの柔軟な出力の範囲で、幅広い可能性を享受します。
現在の制限を必要とするアプリケーションのために、LM317は効果的で簡単なアプローチを提供します。この特性は、過電流に対する保護が必要なバッテリー充電器と電力管理システムで有益であることが証明されています。抵抗器を出力と直列に挿入することにより、レギュレータは電源と接続されたデバイスの両方を保存するために電流が安全な境界内に維持されるようにします。このような方法は、デバイスの寿命と信頼性を著しく高めます。
LM317の適応性は、そのユーティリティをモーターコントローラーに拡張し、ロボット工学と自動化設定でDCモーターの電圧を調節し、正確なモーター速度制御を提供します。このレギュレーターは、ロボットアームやCNC機械などの正確な動きを必要とするアプリケーションに特に使用される加速と減速の滑らかな遷移を促進します。変化する負荷条件下で安定した運動機能を提供する効率は、さまざまな産業シナリオでその実用性を強調します。
堅牢な機能にもかかわらず、LM317の2.5Vドロップアウト電圧には慎重な評価が必要です。この側面は、入力と出力の差が最小限でなければならない低電圧シナリオでのアプリケーションに潜在的に影響します。効果的な動作を確保するために、入力電圧が少なくともこのドロップアウト値によって目的の出力を上回ることを確認する必要があります。ドロップアウト電圧が機能を制限できる場合、代替の低ドロップアウト(LDO)レギュレーターがより適切であり、技術的な必需品と創造的なソリューションのバランスをとることができます。
LM317は、PCやDVDプレーヤーなどのさまざまな家電製品で広く使用されています。その信頼性とシンプルさは、電力回路の送達からロジック回路まで拡張され、機密コンポーネントの電圧の安定化まで拡張され、その信頼性とシンプルさを魅了します。この汎用性は、デバイスのパフォーマンスと信頼性の向上におけるLM317の役割を強調し、家庭用デバイスの途切れない機能に貢献しています。
LM317の調整可能な出力機能により、入力電圧または負荷条件が変動しているにもかかわらず、一貫した電圧出力を維持することができ、機密性の高い電子デバイスが確実に動作します。電圧規制は、バッテリー充電器やポータブルデバイスなどのアプリケーションで役割を果たします。安定した電圧レベルは、バッテリーの寿命を延ばし、デバイスの性能を向上させることができます。
現在の制限は、回路成分を害する可能性のある過電流条件を防ぐための鍵です。電流の流れを自動的に調整することにより、意図しない高電流シナリオに対する効率的なシールドとして機能します。実際の設定では、さまざまな現在の評価を持つさまざまなコンポーネントを組み込んだ回路に必要で、過熱や障害なしに安全で最適な動作を維持します。
極性保護は、製品のプロトタイピングや日常的な調整中にしばしば遭遇する誤った電源接続などの一般的な問題に対処します。回路の設計とメンテナンスは、さまざまな運用状況下で長期的な耐久性と信頼性の高いパフォーマンスを確保する上で極性保護の価値を示しています。

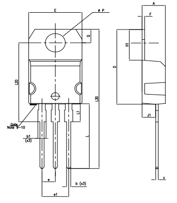
TO-220(単一ゲージ)パッケージ情報

TO-220(単一ゲージ)機械データ
Stmicroelectronicsは、半導体業界内で顕著に立っており、CHIP(SOC)テクノロジー上のシステムの開発と創造性を豊かにしています。同社の影響は、さまざまなマイクロエレクトロニクスアプリケーションに及び、グローバルな産業に影響を与え、多様なテクノロジーの融合を促進しています。Stmicroelectronicsは、SOCソリューションの進捗状況で有名で、さまざまな機能を単一のチップに統合しています。この統合は、パフォーマンスを向上させ、電力使用量を削減し、システムの合計サイズを縮小することを目的としています。Stmicroelectronicsのイノベーションへのコミットメントは、マイクロエレクトロニクスの新しい分野の調査を促進し、継続的な能力の発展を促進します。彼らの研究開発イニシアチブは、現在の技術を強化するだけでなく、持続可能な開発や省エネなどの現代の問題に取り組む新しいモデルを策定することを目指しています。
お問い合わせを送ってください、すぐに返信します。
LM337とは対照的に、LM317は、電子分野の多くを魅了する調整可能な出力を提供します。これにより、回路の設計が簡素化され、レギュレーションの特性が強化され、信頼できる電力管理ソリューションを求めて訴えます。その適応性は、多くの場合、その信頼できるパフォーマンスで評価されるカスタム電源で好ましい選択となります。
可変電圧出力を提供するLM317の機能は非常に評価されています。特定のパワー、入力、負荷の要件を備えたアプリケーションで頻繁に利用されます。これらの複雑な要件は、望ましい結果を効率的に達成するために、精密電圧制御が必要な産業用設定とDIYプロジェクトの両方で頻繁に満たされます。
LM317は、時々三角として誤解されていましたが、調整可能なアノード電圧レギュレーターとして機能します。電圧規制に特に焦点を当てているのは、実験室の電源やバッテリー充電器など、さまざまなアプリケーションで重要です。
LM317Tは、耐久性の向上や容易な取り付けなどの機能を提供し、1〜220のプラスチックパッケージに収容されることで自分自身を区別します。これらの特性は、熱を効果的に管理し、空間を節約することが不可欠な状況になり、このバリアントをシナリオで効率的な熱パフォーマンスを必要とする人気にします。
LM78XXシリーズの固定出力はLM317の調整可能な調整とは対照的ですが、後者の柔軟性は、電圧のシフトの必需品に適応する必要がある回路に輝いています。このような適応性は、実験的または動的な技術環境によく反応するシステムを設計するのに役立ち、固定された対応物よりも明確な利点を提供します。
11/19/2024で公開されています
11/19/2024で公開されています
04/18/8000で公開されています 147778
04/18/2000で公開されています 112038
04/18/1600で公開されています 111352
04/18/0400で公開されています 83795
01/1/1970で公開されています 79602
01/1/1970で公開されています 66978
01/1/1970で公開されています 63113
01/1/1970で公開されています 63045
01/1/1970で公開されています 54097
01/1/1970で公開されています 52198