
LT1085 は、3Aの出力電流容量を使用して効率的なパフォーマンスのために設計された、信頼できる調整可能な低ドロップアウト線形電圧レギュレータです。調整可能な出力電圧は、2.55Vから30Vまでの広い入力範囲に及び、さまざまなアプリケーションで柔軟性が可能になります。LT1085は、3つのパッケージオプションの汎用性(220、DD、3リードプラスチックまで)に備えて、LT1085はさまざまなインストールニーズに適しています。このレギュレーターの設計は、ユーザーフレンドリーな調整性と高性能を組み合わせているため、厳しい環境で安定した電圧出力を提供するための一般的な選択肢となります。

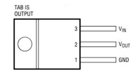
| ピン番号 | ピン名 | 説明 |
| 1 | adj/gnd | 出力バージョンを調整するための調整可能なピン。固定型バージョンのグラウンド |
| 2 | 出力 | 出力電圧ピン |
| 3 | 入力 | 入力電圧ピン |

Analog Devices、Inc。LT1085ITの技術仕様、属性、パラメーター、および同等のパーツ。
| タイプ | パラメーター |
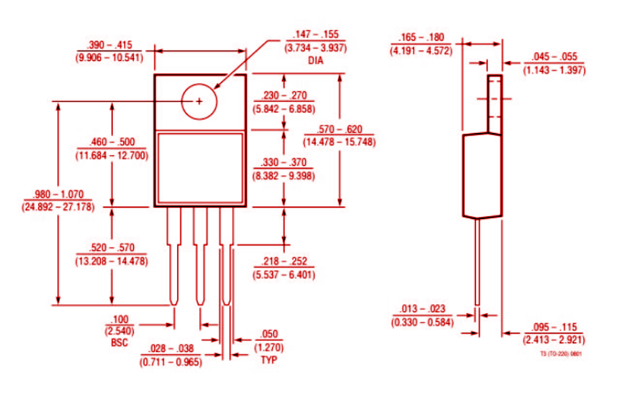
| パッケージ /ケース | t |
| ピンの数 | 3 |
| パッケージング | バルク |
| 最大動作温度 | 150°C |
| 最小動作温度 | -40°C |
| 出力数 | 1 |
| 極性 | ポジティブ |
| 供給電流の動作 | 5MA |
| 電力散逸 | 30W |
| 現在 - 出力 | 3a |
| 最大出力電圧 | 28.5V |
| 電圧 - 出力 | 28.5V |
| 規制当局の数 | 1 |
| Min入力電圧 | 2.55V |
| 最大入力電圧 | 30V |
| ドロップアウト電圧 | 1.3V |
| 最小出力電圧 | 1.25V |
| 電源拒絶比率(PSRR) | 75dB |
| 最小電流制限 | 3.2a |
| 放射線硬化 | いいえ |
| ROHSステータス | ROHS準拠 |
| 鉛フリー | リードが含まれています |

LT1085電圧レギュレーターは、簡単な3末端設計を備えており、入力、出力、調整の簡単な接続を可能にします。このセットアップにより、安定した接続が保証され、インストールと構成が迅速かつユーザーフレンドリーになります。
調整可能なバージョンを利用できる場合、出力電圧を特定のニーズに設定する柔軟性があります。ADJピンに接続された抵抗器を変更するだけで、出力電圧を微調整して、さまざまなアプリケーションと電圧要件に適応させることができます。
LT1085レギュレーターは、3aの印象的な出力電流を提供します。この容量により、安定した電流を安定させているアプリケーションに適しているため、安定性を損なうことなく、プロジェクトが必要な信頼性の高いパフォーマンスを提供します。
LT1085の傑出した機能の1つは、1Vという低いドロップアウト電圧で動作する機能です。これにより、入力電圧が出力電圧に近い場合でも効率的な電圧調整が可能になり、電力効率が優先されるアプリケーションに適しています。
このレギュレータは、異なる電流レベルにわたって保証されたドロップアウト電圧を提供します。この一貫性により、現在の需要が変化するにもかかわらず、信頼できるパフォーマンスを提供することが保証され、負荷の変化を経験するアプリケーションでの安心感が得られます。
LT1085は0.015%のライン調節を提供し、入力電圧の変化にもかかわらず安定した出力を維持します。この機能は、サーキットを変動から保護し、出力を一貫性のあるものに保つのに役立ちます。これは、デリケートなアプリケーションで価値があります。
0.1%の負荷調整により、このレギュレーターは出力負荷の変化を効果的に管理します。これは、荷重が変化しても、LT1085が安定した電圧出力を維持し、さまざまな運用条件下でサーキットを確実にサポートできることを意味します。
すべてのLT1085は完全な熱制限機能検査を受け、熱散逸を効果的に処理できるようにします。熱制限へのこの注意は、レギュレーターの耐久性を高め、その長期的な信頼性とパフォーマンスに自信を与えます。
3.3V、3.6V、5V、12Vなどの複数の出力電圧オプションで利用できるLT1085は、さまざまな電力ニーズに適応しており、幅広いアプリケーションに適しています。
• AZ1084
• LT1084
• NX1117
• AP2112K
• AMS1117
• MIC5225
• LT1086
LT1085電圧レギュレータは、セットアップが簡単で、いくつかの外部コンポーネントが必要です。たとえば、調整可能なモデルを使用している場合は、adjピンにリンクされた抵抗値を変更することにより、調整された出力電圧を微調整できます。これにより、多くのセットアップに適応できるようになり、特定の電圧要件に合わせて柔軟性が得られます。AZ1084と同様のピンレイアウトを使用すると、LT1085への移行は、同様のレギュレーターに精通している人にとってはシームレスになります。LT1085はセットアップされると、最小限の騒ぎで安定した効率的な電圧調節を提供し、信頼できるパフォーマンスを探している新規ユーザーとベテランの両方のユーザーの両方に頼りになります。

| 部品番号 | LT1085IT | LT1086CT-3.6#PBF | LT1086IT-5#PBF | LT1086IT#36PBF |
| メーカー | Analog Devices、Inc。 | 線形技術 /アナログデバイス | Analog Devices、Inc。 | 線形技術 /アナログデバイス |
| パッケージ /ケース | t | TO-220-3 | TO-220-3はリードを形成しました | t |
| ピンの数 | 3 | 3 | 3 | 3 |
| 出力数 | 1 | 1 | - | 1 |
| Min入力電圧 | 2.55 v | 2.55 v | 2.55 v | 2.55 v |
| 最大入力電圧 | 30 V | 25 v | - | 25 v |
| 最小出力電圧 | 1.25 v | 1.25 v | - | 1.25 v |
| 最大出力電圧 | 28.5 v | - | 23.5 v | - |
| ドロップアウト電圧 | 1.3 v | 1.3 v | 1.3 v | 1.3 v |
| 比較を表示します | LT1085IT対LT1086CT-3.6#PBF | LT1085IT対LT1086IT-5#PBF | LT1085IT対LT1086IT#36PBF |

アナログデバイスは、アナログ、混合シグナル、デジタル信号処理に特化した、高性能統合回路の設計、製造、販売のグローバルリーダーです。1965年の設立以来、アナログデバイスは、電子機器の信号処理の課題に一貫して焦点を合わせてきました。世界中で100,000人以上の顧客にサービスを提供するアナログデバイスのテクノロジーは、温度、圧力、音、光、速度、モーションなど、現実世界のイベントをキャプチャし、さまざまな電子デバイスに電力を供給する電気信号に変換する上で重要な役割を果たします。
LT1085は、多くの類似のデバイスよりも高い効率で3Aの出力電流を提供するように設計された正の調整可能な低ドロップアウト線形電圧レギュレータです。入力電圧範囲は2.55Vから30Vで、調整可能な出力電圧オプションを提供します。
はい、LT1117とLT1085の両方は、78シリーズの3末端調節因子と同様の機能を備えた低ドロップアウトの3末端調節因子であり、安定した効率的な電圧調節を提供します。
AZ1084は、LT1085と同じピン構成を共有しているため、PINの互換性が必要な場合は簡単な代替手段になります。
LT1085は、いくつかの外部コンポーネントのみが必要であり、セットアップと構成がシンプルになるため、簡単に使用できます。
お問い合わせを送ってください、すぐに返信します。
10/29/2024で公開されています
10/29/2024で公開されています
04/18/8000で公開されています 147760
04/18/2000で公開されています 111967
04/18/1600で公開されています 111351
04/18/0400で公開されています 83729
01/1/1970で公開されています 79516
01/1/1970で公開されています 66930
01/1/1970で公開されています 63079
01/1/1970で公開されています 63023
01/1/1970で公開されています 54088
01/1/1970で公開されています 52160