
STM32F303CCT6 マイクロコントローラーは、堅牢な処理機能と柔軟な周辺選択を組み合わせて、高性能埋め込みアプリケーションに優れています。LQFP-48パッケージは、最大72 MHzの操作をサポートし、48ピンに40 kbのRAMを収容しています。これにより、さまざまな厳しい設定に適応できます。その広範なアナログおよびデジタル機能の配列には、低電力RTC、デュアルDACチャネル、特殊なモーターコントロールタイマー、運用アンプ、迅速なADC、およびさまざまなタイマーとコンパレーターがあります。このような多様なツールキットにより、産業の自動化から家電までの分野で繁栄することができます。

|
製品属性 |
属性値 |
|
メーカー |
st
マイクロエレクトロニクス |
|
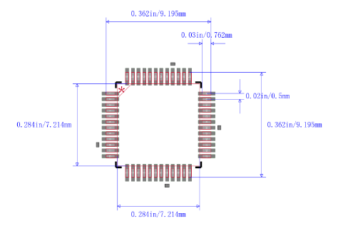
パッケージ
/ 場合 |
LQFP-48 |
|
パッケージング |
トレイ |
|
長さ |
10
mm |
|
幅 |
7.2
mm |
|
身長 |
1.45
mm |
|
コア |
アーム
皮質M4 |
|
供給
電圧 |
2 v
〜3.6 v |
|
データ
バスの幅 |
32
少し |
|
プログラム
メモリサイズ |
256
KB |
|
データ
ラムサイズ |
40
KB |
|
オペレーティング
温度 |
-40°C
〜85°C |
|
データ
RAMタイプ |
sram |
|
取り付け
スタイル |
SMD/SMT |
|
番号
I/OSの |
37
I/o |
|
番号
ADCチャネルの |
1
チャネル |
|
番号
タイマー/カウンターの |
8
タイマー |
|
製品
タイプ |
アーム
マイクロコントローラー-MCU |
STM32F303CCT6マイクロコントローラーは、12チャンネルの直接メモリアクセス(DMA)と適応可能な相互接続マトリックスのおかげで、データの管理に顕著な習熟度を示しています。このセットアップは、周辺機器間のデータ交換を効果的に容易にし、CPUの負荷を緩和し、システムの応答性を高めます。リアルタイムのデータ処理に対処する場合、このような強化は、パフォーマンスの安定性と運用上の有効性の顕著な改善につながる可能性があります。
このマイクロコントローラーには、複数の発振器を備えた幅広いクロック管理システムが組み込まれています。正確なタイミングに最適な32 kHzのクリスタルオシレーターと、低電力タスクに最適な40 kHzの内部発振器が含まれています。これらの発振器をシームレスに切り替えることで、特にポータブルデバイスなどのエネルギー志向のアプリケーションで価値がある柔軟なパワー戦略が可能になります。
5V信号に耐える87の高速I/Oポートを装備したSTM32F303CCT6は、多様な外部コンポーネントに簡単に接続できます。そのメモリは、128-256kbのフラッシュと40kbのSRAMの範囲であり、実質的なストレージニーズと高速データアクセス要件を備えた複雑なアプリケーションに対応します。これらのI/Oおよびメモリ構成は、信頼できるデータスループットと迅速な処理を優先するシナリオのアセットです。
マイクロコントローラーは、システムの信頼性のためのウォッチドッグタイマーやタスクスケジューリングの基本タイマーなど、複雑なタイミング関数を誇っています。これらの機能は、厳格なタイミングシーケンスと運用上の安全性と有効性を強化する安全な測定を必要とする操作の精度を保証します。
統合された動作アンプは、2.4〜3.6 Vの電圧スパンにまたがるアナログ信号の処理を可能にします。この柔軟性のためのこの容量は、さまざまな電気環境をサポートし、電圧の適応性が必要なセンサーデータ収集や信号条件付けなどのアプリケーションを提供します。
チップは、24チャネルの容量性センシングをサポートし、タッチ入力能力を促進します。この側面は、ユーザーインターフェイスとインタラクティブなデバイスを作成し、レスポンシブで魅力的なタッチエクスペリエンスを促進するのに有利です。このタッチセンシング機能を組み込むことで、追加のコンポーネントの必要性を最小限に抑えることにより、設計の取り組みが簡素化されます。

STM32F303CCT6には、最新の電子的ニーズに合わせた64ピンLQFPパッケージがあります。この選択は、スペースを最大化し、耐久性を高め、熱を効果的に管理する能力のために行われます。フラットLQFPの設計は、コンパクトさと効率を強調し、さまざまな回路へのスムーズな統合を可能にするプロジェクトに優れています。
大量生産におけるトレイディスクパッケージを選択することは、業界の効率性と環境にやさしいことの追求と一致しています。この方法は、スペースを節約するだけでなく、環境要因に対する製品の回復力を高めます。熱伝導率を大幅に改善し、高性能アプリケーションに使用され、一貫した配置と取り扱いを提供することで自動化された生産ラインをサポートし、製造プロセスを緩和します。
エネルギー志向のシステムを設計するとき、電力使用はしばしば中心テーマになります。通常、特に指定されていない限り、周辺コンポーネントが非アクティブのままであると仮定してメトリックが確立され、さまざまなシナリオでシステムの電力ニーズを徹底的に評価できるようにします。
段階的ロックループ(PLL)設定、クロックレート、およびI/Oピン構成は、電力消費に大きな影響を与えるものの1つです。これらの設定での戦略的調整は、エネルギー使用の顕著な削減につながる可能性があります。タスク要件と一致するクロックレートを選択すると、無駄なエネルギー消費を避けることができます。
メモリアクセスのパターン、特にFHCLK周波数に合わせたパターンは、電力効率に使用されます。低電力モードを使用してメモリを選択的にアクティブ化するなどの技術は、エネルギー使用を劇的に削減できます。実際の例は、詳細なメモリ管理とポータブルデバイスの長期バッテリー寿命とのリンクを強調しています。
STM32F303CCT6には、速度とエネルギーに敏感なアプリケーションのために構築された512kbのフラッシュと80kbのSRAMがあります。低電力モードで優れており、バッテリー依存のデバイスに最適です。このバランスは、ポータブルテクノロジーのイノベーションを招き、デバイスの使用と信頼性を拡大することができます。多くの場合、デバイスの寿命を延長し、一貫したパフォーマンスを確保することに焦点を当てています。
ARM Cortex-M4コアとフローティングポイントユニット(FPU)を装備したSTM32F303CCT6は、複雑な計算を効率的にサポートしています。この機能は、デジタル信号処理と複雑な数学的タスクを高めます。業界は、自動化と制御システムの進歩においてそのような力の恩恵を受け、複雑なアルゴリズムの展開においてその有用性を実証しています。
柔軟な静的メモリコントローラー(FSMC)は、さまざまな静的メモリタイプをサポートし、多様なストレージソリューションを提供します。この汎用性は、オーダーメイドのアプリケーションのメモリ構成を最適化するのに役立ちます。テーラードハードウェアソリューションを必要とするフィールドは、この適応性を活用して、特定のアプリケーション需要に合わせます。
72 MHzでクロックするSTM32F303CCT6は、迅速なデータ処理とシステムの応答性を保証します。その設計には、障害を防ぎ、システムの完全性を維持する機能が組み込まれています。この信頼性は、システムのダウンタイムが発生できない深刻な設定で高く評価されています。安全メカニズムは、運用上の一貫性と信頼性を維持することに焦点を当てています。
デバッグタスクのために、組み込みのトレースマクロセルを巧みに接続します。このツールは、実行パスを追跡して動的な信号データをキャプチャすることにより、ソフトウェアの問題を解明するのに役立ちます。鋭い心と計算されたアプローチが必要です。大きなトレースログを解釈する必要があります。
処理の努力において、安全なバックアップでデータを保護することは賢明な予防策です。自動化されたバックアップソリューションは、データの整合性が膨大な重量をもたらす環境でのデータ損失リスクを大幅に削減できます。冗長性とクラウドソリューションは、迅速かつ信頼できるデータ回復を促進するために、専門家によって頻繁に使用されます。
時計ソースの同期を細心の注意を払って構成するのは、矛盾を回避するのに役立ちます。誤ったクロックは、従属システムに対する波及効果で混乱を引き起こす可能性があります。ベストプラクティスには、同期の調和を維持するための精密タイミングツールとルーチンを使用した継続的な監視、コンポーネントのシームレスに統合され、潜伏期の懸念を減らすことが含まれます。
ソリッドメモリアクセス許可を制定すると、不正なデータの変更と、機密データの保護におけるセキュリティの顕著な役割がブロックされます。アクセス制御リストや暗号化などの戦略は、データの整合性を維持するために、高セキュリティコンテキストで定期的に適用されます。
末梢界面の適切な初期化は、安定した通信に使用されます。誤った採掘により、予測不可能なデバイスの動作とコミュニケーションの内訳が生じる可能性があります。この分野の専門家は、厳密なテストと徹底的なドキュメントを含む、インターフェイスセットアップへの構造化されたアプローチを推奨しています。これにより、デバイスの互換性を促進するだけでなく、トラブルシューティングも簡素化されます。
STM32F303CCT6は、-40°Cから85°Cの間で効果的に動作します。この温度スパンは、多様な環境全体の信頼性をサポートし、さまざまな条件によるシステムの適応性と耐久性に貢献します。
MK20DN32VLF5やMK20DX64VLF5などのモデルを調べることを検討してください。これらのオプションの中から選択するには、特定のプロジェクトのニーズを評価し、予算の影響を理解し、プロジェクトの詳細に合わせてコンポーネントの可用性を計画することが含まれます。
このモデルには、プログラムメモリ用のフラッシュとデータストレージ用のSRAMが組み込まれています。FlashとSRAMの二重使用により、速度と保持の調和のとれたブレンドが保証され、データの整合性の維持とプログラムのパフォーマンスの最適化に集中するための動的です。
STM32F303CCT6は、産業用自動化、医療機器、家電、および通信システムに優れています。その堅牢なパフォーマンスと効率的なインターフェースは、実際の展開で認められており、これらの機能を利用してシステム効率を高め、ユーザーエクスペリエンスを向上させる必要性を強調しています。
お問い合わせを送ってください、すぐに返信します。
09/30/2024で公開されています
09/30/2024で公開されています
04/18/8000で公開されています 147778
04/18/2000で公開されています 112023
04/18/1600で公開されています 111351
04/18/0400で公開されています 83777
01/1/1970で公開されています 79577
01/1/1970で公開されています 66966
01/1/1970で公開されています 63105
01/1/1970で公開されています 63041
01/1/1970で公開されています 54097
01/1/1970で公開されています 52190