
TB6600 Stepper Motor Driverモジュールは、2相ステッパーモーターを制御するための回復力と適応性によって区別されるデバイスです。シームレスにシームレスに接続し、ほとんどがArduinoの幅広いマイクロコントローラーで、正確な5Vデジタルパルス出力の作成を促進します。これらの出力は、モーター制御の微妙なバランスを維持するための動的です。9-42V DCの電圧範囲内で動作し、4アンペアのピーク電流をサポートするため、さまざまなモーター駆動型プロジェクトでは多用途の選択肢です。この適応性により、モーターのポジショニングと速度を効率的に管理できます。これは、コーディングの複雑さを最小限に抑えることを目的としたアプリケーションで非常に有益です。モジュールの高周波光カプラーの分離は、干渉リスクを減らし、安定した動作を確保することにより、信頼性を大幅に向上させます。
多数のマイクロコントローラーとの調和により、TB6600ドライバーは、複雑なモーター制御を必要とするプロジェクトにふさわしい選択肢になります。Arduinoのようなプラットフォームとスムーズに統合し、多様な期待を満たす能力を反映しています。たとえば、CNCマシンまたは3Dプリンターでこのドライバーを使用すると、さまざまな分野での有用性を示す正確で制御された動きが可能になります。
このモジュールは、2相および4相の両方のステッピングモーターとハイブリッド構成の両方をサポートしているため、際立っています。バイポーラHブリッジの設計は、電圧と電流を効率的に管理するために不可欠であり、ドライバーがアプリケーション全体でピークパフォーマンスを提供することを保証します。自動化された生産ラインやロボット工学など、精度と信頼性が優先される環境では、これらの機能は高く評価されています。
|
特徴 |
説明 |
|
ドライバータイプ |
双極H-ブリッジDCドライバー |
|
出力現在のオプション |
8種類(0.5a〜3.5a)、最大4アンペアまで選択可能 |
|
区画モード |
6つのモードで選択可能な32まで分割します |
|
マイクロステップオプション |
8種類(1、2/a、2/b、4、8、16、32) |
|
入力信号分離 |
高速光電気分離 |
|
インタフェース |
完全な標準シングルパルスインターフェイス |
|
オフラインホールド機能 |
はい |
|
環境適合性 |
過酷な環境のための半閉鎖体 |
|
パワーロック機能 |
半自動、省エネ |
|
仕様 |
詳細 |
|
動作電圧 |
9-40V DC |
|
出力電流 |
0.7A-4.0A(ディップスイッチを介して8つのステップで選択) |
|
入力パルス周波数 |
最大20kHz |
|
入力信号レベル |
5V信号レベル |
|
革命ごとのパルス |
200-6400 |
|
ロジック信号電流 |
8A-15A |
|
モーターの互換性 |
2相および4相のステッパーモーターに適しています |
|
保護機能 |
過電流、過熱保護 |
|
入力分離 |
光学的に孤立しています |
|
絶縁抵抗 |
500 Megohms |
|
サポートモード |
パル/ファーモード |
|
料金 |
低コスト |
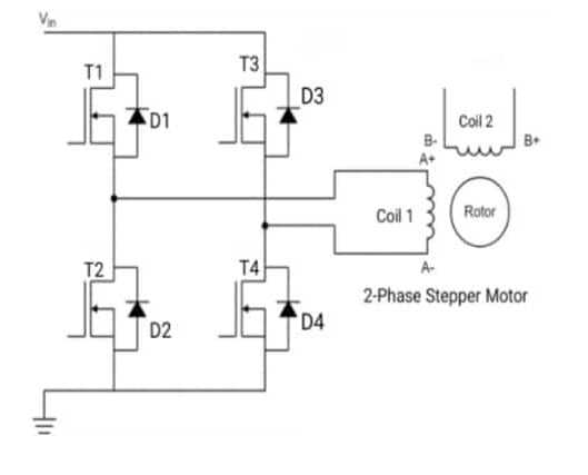
TB6600ステッパーモータードライバーモジュールは、効率的な動作のために双極Hブリッジ構成を利用して、2相と4フェーズの両方のステッパーモーターを制御するように設計された深刻なコンポーネントです。この構成は、MOSFETトランジスタを採用して、現在の取り扱いと熱安定性の観点から高性能を確保しています。モジュールは、各パルスでモーターステッピングをトリガーするステップピンと、適用された電圧に基づいてモーターの回転方向を決定する方向ピンの2つのプライマリコントロールピンと相互作用することで動作します。一緒に、これらの入力により、モーターのステッピングシーケンスと回転方向を正確に制御できます。

回路図は、Hブリッジ構造に配置された4つのキートランジスタ、T1、T2、T3、およびT4を強調しています。これらのMOSFETは、モジュールの動作のバックボーンであり、ステッパーモーターを駆動するのに必要な電流の双方向の流れを可能にします。さらに、図にはフライバックダイオード(D1、D2、D3、およびD4)が含まれており、モーターの誘導負荷によって引き起こされる電圧スパイクから回路を保護するための鍵です。これらのダイオードは、動作中の過電流と機密成分への損傷を防ぎます。A+、A-、B+、およびB-端子を使用してモーターを接続し、モーターシャフトの正確で制御された動きを確保します。
TB6600ドライバーは、HブリッジのMOSFETトランジスタの調整されたアクションを通じて動作します。例えば:
•トランジスタT1とT4が活性化されているときに時計回りの回転が発生し、A+からA-に電流の流れを誘導します。
•T2とT3が関与しているときに反時計回りの回転が発生し、A-からA+への電流の流れが反転します。
トランジスタのこの交互の活性化により、滑らかな双方向の動きが保証されます。最適なトルクと効率的な動作を実現するには、正確なタイミングと電圧の調節が不可欠です。
TB6600は、アプリケーションの要件に応じて、トルク、精度、およびステップサイズのバランスをとるように設計された4つの異なる動作モードをサポートしています。
• 波モード:このモードでは、一度に1つのコイルのみがエネルギーを与えます。単一のコイルをアクティブにすると、モーターが一方向に90度回転し、電流を反転させると反対方向に回転します。コイルを交互に行うことにより、モーターは連続動作を実現します。このモードはシンプルですが、他のモードと比較してトルクが少なくなります。
• フルステップモード:このモードでは、両方のコイルが同時にエネルギー化され、より強力な磁場が生成されます。これにより、トルクが増加し、より多くのパワーと安定性を必要とするアプリケーションに最適です。
• ハーフステップモード:ウェーブモードとフルステップモードの組み合わせで、このモードは、単一のコイルと両方のコイルをエネルギー化することを交互にします。ステップサイズを効果的に45度に削減し、精度とトルクのバランスを提供します。ただし、トルクは、特定のステップ中に1つまたは両方のコイルがエネルギー化されるかどうかによって異なる場合があります。
• マイクロステップモード :すべてのモードの中で最も正確なマイクロステップモードは、モーターフェーズを介して電流を慎重に変調することにより、ステップサイズをさらに削減します。これは、高度な回路を使用して達成され、ステップ間でスムーズかつ段階的な遷移を作成します。このモードは、CNCマシンやロボット工学など、高精度と一貫したトルクを必要とするアプリケーションに最適です。
Stepper Motorsの効率的な制御には、信頼できるハードウェアと慎重にプログラムされたソフトウェアの組み合わせが必要です。TB6600ステッパーモータードライバーは、2相ステッパーモーターを操作するための優れたツールとして際立っています。波、フルステップ、ハーフステップ、マイクロステップなど、複数の運用モードをサポートします。低電圧、過電流、過熱に対するセーフガードを含む、その組み込みの保護機能は、精度と耐久性を必要とするプロジェクトに確固たる選択となります。
Arduino UNOでTB6600をセットアップするには、次のコンポーネントを収集します。
•Arduino uno R3
•TB6600ステッパーモータードライバー(4Aバージョン)
•ステッピングモーター(1.65aの推奨評価を伴う)
•信頼できる電源(例:バッテリーまたは規制されたDC電源)
•ジャンパーワイヤ
•コンピューターにインストールされているArduino IDE
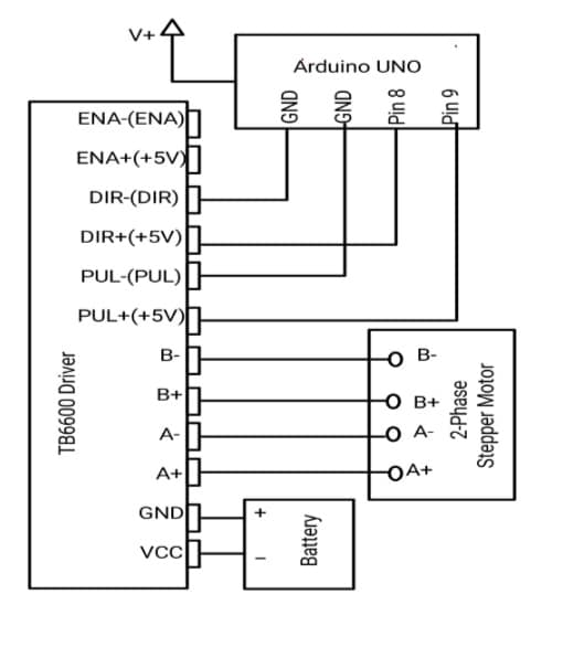
TB6600をArduinoと統合するには、これらの詳細な指示に従ってください
方向とパルス信号を接続します
•TB6600のDIR+およびPUL+端子をそれぞれArduinoピン8と9にリンクします。これらのピンは、方向とパルス信号を送信します。
•arduinoの地面(GND)ピンにdireおよびpul-端子を取り付けます。
•モーターをTB6600に接続します。ステッピングモーターワイヤをTB6600端子に取り付けます。
•モーターの1つのコイルのA+およびA-。
•他のコイルの場合はB+およびB-。
•TB6600ドライバーに電力を供給する:TB6600のVCCおよびGNDピンを電源に接続します。ダメージを避けるために、電圧がモーターとドライバーの要件に一致することを確認してください。

マイクロステップ解像度の調整
TB6600を使用すると、SW1およびSW2スイッチを使用して、ステッパーモーターの動きの精度を微調整できます。これらのスイッチを次のように調整します。
•¼ステップ解像度:SW1をオンにし、SW2をオフにします。
•⅛ステップ解像度:SW1をオフにし、SW2をオンにします。
•1/32ステップ解像度:SW1とSW2の両方をオフにします。
•フルステップモード:SW1とSW2の両方をオンにします。
真実のテーブル
|
SW2 |
マイクロステップ解像度 |
|
オフ |
1/32ステップ |
|
の上 |
1/8ステップ |
|
オフ |
1/4ステップ |
|
の上 |
完全なステップ |
スイッチ調整を使用すると、プロジェクトのニーズに基づいて、精度と速度のバランスを最適化できます。
モーターが安全な電流制限内で動作するようにするために、TB6600は電流フローを調整するための追加のスイッチ(SW4およびSW6)を備えています。これらの設定は次のように役立ちます。
•過負荷損傷の防止。
•一貫したモーター性能の維持。
•両方のコンポーネントを保護するために、モーター電流がドライバーの最大4Aを下回っていることを常に確認してください。
•モーターの方向を制御:モーターを反時計回りに回転させたい場合は、ArduinoコードのDIR+ PINの状態を変更します。
•テストとトラブルシューティング:セットアップを完了したら、基本的なステッパーモーターコントロールスケッチをアップロードして、配線とドライバーの機能を確認します。
•過熱を避ける:特に高電流アプリケーションで、TB6600ドライバーの適切な換気を確保します。
TB6600モジュールは、細心の運動制御が使用される多数のセクターで積極的な役割を果たします。その適応性は、独自の機能を強調するさまざまな実装で輝いています。
通信の分野では、最適なアンテナアライメントを達成することは、高品質の信号受信と伝送に義務付けられています。TB6600は精密な動きを促進し、それによりコミュニケーションシステムの有効性を高めます。
自動化とロボット州では、TB6600を通じて正確なステッピングモーターの取り扱いが実現され、動きの精度とシステムの信頼性を強化することができます。
コンピューター数値制御(CNC)マシンの場合、TB6600は複雑な切断および粉砕プロセスを強化し、高度な精度と再現性の精度を維持できるようにします。
添加剤の製造、特に3D印刷では、TB6600は詳細なモーター制御を提供し、複雑な形状とフォームを作成するために必要な印刷ヘッドの正確な位置をサポートします。
このモジュールは、複雑な自動化システム内の複雑なモーター制御タスクに役立ち、効率を高め、洗練された管理を可能にします。
TB6600は、絶えず変化する環境でパフォーマンスを最適化するために主に使用される正確な速度と回転制御を必要とするシナリオで優れています。
このモジュールは、滑らかで正確なモーターの動きを確保することにより、カメラとATMの信頼できる操作をサポートし、デバイスの動作寿命を延長します。
彫刻ツールと機械の場合、TB6600は、精度と詳細が支配的な業界の危険な要因である、細かく詳細な設計を実行するために必要な正確な制御を提供します。
お問い合わせを送ってください、すぐに返信します。
TB6600ステッパーモータードライバーは、8V〜45Vの電源電圧で動作します。
TB6600は、パルス幅変調(PWM)を使用してモーター速度を調整します。PWM周波数を変更することにより、速度を変更できます。
はい、TB6600は最大4.5aを処理でき、この電流まで定格のステッパーモーターと互換性があります。
モーターの方向を逆転させるには、コントロールピンの入力信号シーケンスを切り替えます(たとえば、in1-in2-in3-in4 for forward、in4-in3-in2-in1を逆に)。
TB6600は、4線ステッパーモーター用に作られています。モーターに4つ以上のワイヤがある場合、別のドライバーが必要になります。
TB6600はNEMA17モーターとうまく機能しますが、現在の要件が高いため、NEMA23モーターには一般的に不適切です。
12/12/2024で公開されています
12/12/2024で公開されています
04/18/8000で公開されています 147753
04/18/2000で公開されています 111929
04/18/1600で公開されています 111349
04/18/0400で公開されています 83715
01/1/1970で公開されています 79505
01/1/1970で公開されています 66872
01/1/1970で公開されています 63009
01/1/1970で公開されています 62959
01/1/1970で公開されています 54080
01/1/1970で公開されています 52099