
TIP142 トランジスタは高度なテクノロジーで構築されており、そのパフォーマンスを向上させるユニークなデザインを備えています。「ベースアイランド」構造とダーリントンの構成と呼ばれるものを使用します。これは、強い増幅を提供し、電力損失を低く保つために協力します。高度なデザインのおかげで、TIP142は安定して信頼性が高く、さまざまな環境で一貫したパフォーマンスを必要とするタスクに最適です。「ベースアイランド」レイアウトは、より滑らかな電気の流れを作り出し、干渉とエネルギー廃棄物を削減するのに役立ちます。時間が経つにつれて、この設計は、さまざまな用途でコンポーネントの寿命と有効性を拡大することが証明されています。ダーリントン構成は、1つのパッケージに2つのトランジスタを組み合わせて、より高い電流出力を可能にし、効率を向上させます。このセットアップは、パーツの数を減らすことにより回路設計を簡素化します。これにより、障害が少なくなり、設計のスペースが節約されます。増幅能力が高いため、TIP142は入力がほとんどなく電流を高めることができ、効率的な回路を必要とする人に役立ちます。TIP142の低飽和電圧は、エネルギー効率の高いアプリケーションにとって重要な電力損失を減らすのに役立ちます。これは、効率的な電力使用がテクノロジー設計の重要な目標となるため、持続可能性への焦点の拡大とうまく調和しています。




• 電圧:コレクターとエミッターの間で最大100V、エミッタとベースの間で5Vを処理できます。これにより、高電圧アプリケーションに信頼性が高くなります。
• 現在:最大10Aをサポートします。これは、パワーアンプやモーター制御などの高電流回路に役立ちます。
• 電力散逸:125Wの電力を消散できるため、過熱を避けるために適切な冷却(ヒートシンクなど)が必要です。
• 温度範囲:-65°Cから +150°Cの温度で動作するため、過酷な環境に適しています。
• 設計と増幅:簡単な取り付けのためにTo-247パッケージに入っており、高電流ゲイン(1000)を持ち、信号を効果的に増幅します。
信号処理では、システムが変動する電圧と電流の管理に熟練したコンポーネントを要求することがよくあります。TIP142はここで優れており、効果的な処理がパフォーマンスのアートであるアンプと信号変調デバイスで役割を果たします。
電力管理システムは、TIP142が電力変換と規制における有効性に輝く領域です。このトランジスタは、安定した性能を確保するだけではありません。電源ユニットの保護者として機能します。安定した電力を必要とするクラフトシステムは、多様で絶えず変化する条件で流れます。
スマートフォン、タブレット、その他のポータブルガジェットは、TIP142のエネルギー管理能力の報酬を享受します。このコンポーネントは、バッテリーの寿命を延ばし、デバイスの寿命を高めるのに役立ちます。他の人は、そのような進歩を中継してコンパクトな電力管理の境界を押し広げ、小型化主導の革新の課題とスリルの両方を受け入れます。
TIP142は、テレビから家電製品まで、コンシューマーエレクトロニクスを飾っています。その耐久性は、コンポーネントの故障率の低下に貢献し、パフォーマンスと費用対効果の調和をもたらします。
産業機械に関しては、これらのコンポーネントが挑戦的な環境と要求の厳しいサイクルに直面しているため、回復力が重要です。TIP142は、モーターコントロール回路と電力規制の選択肢です。機械の効率を改善し、産業の需要のグラインドに耐えることでダウンタイムを最小限に抑えることに関する洞察を提供します。
•2SD1197
• 2SD2390
•2SD2390-O
•2SD2390-P
•2SD2390-Y
• BDV65B
•BDV65bg
• BDV67B
• BDV67C
• BDV67D
• TIP142G

TIP142 NPNトランジスタで負荷を切り替えるための簡単なテスト回路を構築することは、回路のパフォーマンスを確認する良い方法です。このテストのセットアップをまとめるには、TIP142トランジスタ、予想される電流レベルと電力レベル、電源、およびオシロスコープやマルチメーターなどのツールに一致する抵抗器が必要です。回路図に従ってすべてを組み立てることから始めます。次に、荷重を徐々に増やして、トランジスタの応答を確認し、条件をシミュレートします。このアプローチは、回路の制限を見つけて、失敗する可能性のある問題を見つけるのに役立ちます。テスト後、結果を確認し、現在のゲイン、飽和電圧、熱などに焦点を当てます。これにより、回路の設計方法に影響を与える可能性のあるパターンが表示されます。

パワーアンプは強力なパフォーマンスを提供し、8オームで100ワットの連続電力を、4オームで150ワットの連続電力を提供します。ミッドレンジ、ミッドベース、サブウーファーサウンドに適した12インチスピーカーを駆動できます。アンプは、特別なNPN/PNPダーリントンセットアップでTIP142およびTIP147トランジスタを使用して電力を高めます。バッファおよびドライバーセクションでは、BC556AP PNPトランジスタとTIP41 NPNトランジスタを使用します。最良の結果を得るには、TIP41トランジスタとヒートシンクとサーマルスイッチをペアリングすることが提案されています。
|
タイプ |
パラメーター |
|
工場のリードタイム |
8週間 |
|
取り付けタイプ |
穴を通して |
|
ピンの数 |
3 |
|
トランジスタ要素材料 |
シリコン |
|
要素の数 |
1 |
|
動作温度 |
150°C TJ |
|
JESD-609コード |
E3 |
|
水分感度レベル(MSL) |
1(無制限) |
|
終了 |
穴を通して |
|
端子仕上げ |
スズ(sn) |
|
最大電力散逸 |
125W |
|
ベースパーツ番号 |
TIP142 |
|
極性 |
npn |
|
電力散逸 |
125W |
|
トランジスタタイプ |
NPN-ダーリントン |
|
マウント |
穴を通して |
|
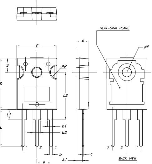
パッケージ /ケース |
TO-247-3 |
|
重さ |
6.500007g |
|
コレクター - エミッタのブレークダウン電圧 |
100V |
|
Hfe min |
500 |
|
パッケージング |
チューブ |
|
パーツステータス |
アクティブ |
|
終端の数 |
3 |
|
ECCNコード |
ear99 |
|
電圧 - 定格DC |
100V |
|
現在の評価 |
10a |
|
ピンカウント |
3 |
|
要素構成 |
シングル |
|
トランジスタアプリケーション |
切り替え |
|
コレクターエミッター電圧(VCEO) |
100V |
|
最大コレクター電流 |
10a |
|
現在 - コレクターカットオフ(最大) |
2MA |
|
コレクターベース電圧(VCBO) |
100V |
|
VCESAT-MAX |
3 v |
|
長さ |
15.75mm |
|
SVHCに到達します |
SVHCなし |
|
ROHSステータス |
ROHS3準拠 |
|
DC Current Gain(HFE)(MIN) @ IC、VCE |
1000 @ 5a 4V |
|
vce飽和(MAX) @ IB、IC |
3V @ 40ma、10a |
|
エミッターベース電圧(vebo) |
5V |
|
身長 |
20.15mm |
|
幅 |
5.15mm |
|
放射線硬化 |
いいえ |
|
鉛フリー |
鉛フリー |

Stmicroelectronicsは、最先端のマイクロエレクトロニクスソリューションを開発することで知られる半導体球の主要人物です。大幅な製造能力とともに高度な技術を利用して、同社は膨大な数の先駆的な製品を提供しています。技術改善と優れたエンジニアリングの追求は、現代の電子機器に深く埋め込まれた半導体の進行を推進しています。この会社の腕前は、多数の電子用途のための複雑な半導体ソリューションの開発において明らかです。研究開発への多大な投資を通じて、Stmicroelectronicsはマイクロエレクトロニクスのフロンティアを一貫して拡大し、クライアントがさまざまなセクターの効率、速度、パフォーマンスを最適化できるようにします。高度な素材と方法論のエレガントな混合物は、日常のガジェットに現れ、微妙でありながら満足度を高めています。stmicroelectronicsの製造堅牢性は、最先端の製造技術を備えた施設の世界的なネットワークに由来しています。このセットアップにより、スケーラビリティ、適応性、不動、堅牢性が可能になり、製品ライン全体の均一性と高い標準が確保されます。
Mult Dev Adv Material Notice 8/Apr/2019.pdf
お問い合わせを送ってください、すぐに返信します。
TIP142は、高性能NPNパワーダーリントントランジスタとして際立っており、高度なテクノロジーを統合して飽和電圧を低下させながら電流ゲインを増幅します。このようなトランジスタは、効率と熟練した電力管理が望まれるシナリオに至福に適合します。それらは一般に、オーディオアンプ、パワーレギュレーター、およびモーターコントローラーの設計に組み込まれています。TIP142の採用は、電力使用量の最適化に熱心なセクターの慣行を思い起こさせる、顕著にエネルギー損失を削減することができます。アプリケーション中、パフォーマンスと費用対効果の微妙なバランスは、詳細なエンジニアリングの洞察を通じてエレガントに作成されます。
TIP147は、TIP142に対応するPNPとして機能し、出力と効率を高めるプッシュプルアンプの配置のために完全に補完します。さらに、リードフリーバージョンであるTIP142Gは、危険物に関する厳しい規制を順守する設定に合わせて調整されています。この代替案は、環境に優しい産業の注目を集め、持続可能性と環境的説明責任を強調しています。TIP142Gなどのコンポーネントを選択する際には、規制要件の複雑さと材料科学の微妙な詳細の両方をナビゲートする必要があります。
11/14/2024で公開されています
11/14/2024で公開されています
04/18/8000で公開されています 147778
04/18/2000で公開されています 112027
04/18/1600で公開されています 111351
04/18/0400で公開されています 83780
01/1/1970で公開されています 79578
01/1/1970で公開されています 66971
01/1/1970で公開されています 63107
01/1/1970で公開されています 63041
01/1/1970で公開されています 54097
01/1/1970で公開されています 52191