
LFSC3GA25E-7F900C は、組み込み電子システムで構成可能なデジタル機能をサポートするように設計されたプログラマブル ロジック デバイスです。このデバイスには、何千ものプログラマブル要素、内部メモリ リソース、および外部通信用の多数の入出力接続を備えたグリッド ベースの論理構造が含まれています。そのアーキテクチャにより、デジタル回路、制御パス、および信号処理タスクを単一チップ内に実装できます。統合されたルーティング ネットワークはロジック ブロックとメモリ セクションを接続し、データが構造化された方法でデバイス内を移動できるようにします。動作は、低コア供給範囲と、高密度の基板レイアウトに適した多ピン数のパッケージによってサポートされています。
LFSC3GA25E-7F900Cを探しています。現在の在庫、納期、価格を確認するにはお問い合わせください。

LFSC3GA25E-7F900C FPGA で使用される入出力バンク配置。デバイスがプログラマブル IO リソースを複数の電圧制御領域に編成する方法を示します。8 つのバンクがデバイスの周囲に分散されており、各バンクには VCCIO 電源、VREF とラベル付けされた基準電圧入力、VTT とラベル付けされた終端電圧ピン、およびグランド用のグループ化された接続が含まれています。この構造により、各バンクが独立した電気的条件で動作できるため、デバイスの別々の側で異なる信号規格をサポートできます。SERDES インターフェイス ブロックは上位バンクの近くに表示され、近くの IO 領域に接続された高速シリアル通信チャネルをサポートします。このレイアウトでは、バンク IO 構造を介して外部信号が内部プログラマブル ロジックとどのように相互作用するかを定義する共有リファレンス ピンと電源接続も識別します。



このデバイスには、組織的なグリッドに配置された約 25,000 個のプログラマブル ロジック エレメントが統合されています。これらの論理セルは、組み込みシステム内でデジタル制御パス、組み合わせ論理、算術演算を実装するように構成できます。
内部メモリ リソースは、データをバッファリングし、論理演算をサポートするために 1 メガビットを超える記憶容量を提供します。これらのメモリ ブロックはデバイス全体に分散されているため、論理回路は長い配線パスを必要とせずにデータにローカルにアクセスできます。
最大 378 の入出力接続により、デバイスはセンサー、通信インターフェイス、その他のデジタル コンポーネントと対話できます。ピン構造は、独立した IO バンク全体で複数の電気規格をサポートします。
内部クロック管理ブロックは、プログラマブル ロジック構造全体にタイミング信号を分配するのに役立ちます。これらのリソースは同期された信号タイミングを維持するため、デジタル操作は秩序正しく予測可能なシーケンスで実行されます。
専用のシリアル インターフェイス ブロックは、システム モジュール間のデータ転送のための高速通信チャネルをサポートします。これらのブロックは近くの IO バンクに接続し、データ集約型の設計で安定した信号伝送を維持するのに役立ちます。
特殊な内部処理ブロックによりロジック ファブリックが拡張され、設計者が繰り返しデジタル構造をより効率的に実装できるようになります。この構成により、パケット処理、制御シーケンス、並列データ操作などのタスクがサポートされます。
構造化されたルーティング ネットワークにより、ロジック セル、メモリ ブロック、インターフェイス ピンがリンクされます。信号は複数のパスに沿ってネットワークを通過できるため、設計者はシステム アーキテクチャに一致する方法でデジタル機能を編成できます。
このデバイスは、高密度の基板統合をサポートする大型ボール グリッド アレイ パッケージに収容されています。このパッケージ構造により、高度な電子アセンブリのコンパクトな設置面積内に多くの電気接続を配置できます。
| 製品の属性 | 属性値 |
| メーカー | 格子半導体 |
| 電圧 - 電源 | 0.95V~1.26V |
| 合計RAMビット数 | 1966080 |
| サプライヤーデバイスパッケージ | 900-FPBGA (31x31) |
| シリーズ | SC |
| パッケージ・ケース | 900-BBGA |
| パッケージ | トレイ |
| 動作温度 | 0℃~85℃(TJ) |
| ロジックエレメント/セルの数 | 25000 |
| LAB/CLB の数 | 6250 |
| I/O数 | 378 |
| 取付タイプ | 表面実装 |
| 基本製品番号 | LFSC3GA25 |
| RoHS ステータス | RoHS非対応 |
| 感湿性レベル (MSL) | 3 (168 時間) |
| リーチステータス | REACHは影響を受けない |
| ECCN | 3A991D |
| HTSUS | 8542.39.0001 |

プログラマブル ロジック、メモリ ブロック、クロック リソース、および高速インターフェイス構造の配置を示す、LFSC3GA25E-7F900C FPGA のグリッド ベースの内部レイアウト。プログラマブル機能ユニットは、構成可能なデジタル回路が実装される中央ロジック ファブリックを形成します。分散型 sysMEM 組み込みブロック RAM セクションは、ロジック アレイ内で内部データ ストレージとバッファリングを提供します。デバイスのエッジに沿って配置されたプログラマブル IO セルは、内部ロジックを外部ピンに接続し、各プログラマブル IO クラスタには複数のプログラマブル IO 接続が含まれます。高速シリアル通信をサポートするために、クアッド SERDES ブロックと物理コーディング サブレイヤ インターフェイスが上部領域近くに表示されます。MACO というラベルが付いた構造化 ASIC ブロックは、特殊な処理構造をサポートするためにロジック ファブリック内に統合されています。sysCLOCK アナログ PLL および sysCLOCK DLL という名前のクロック管理リソースがレイアウトの端に配置され、タイミング信号を生成してプログラマブル アーキテクチャ全体に分配します。

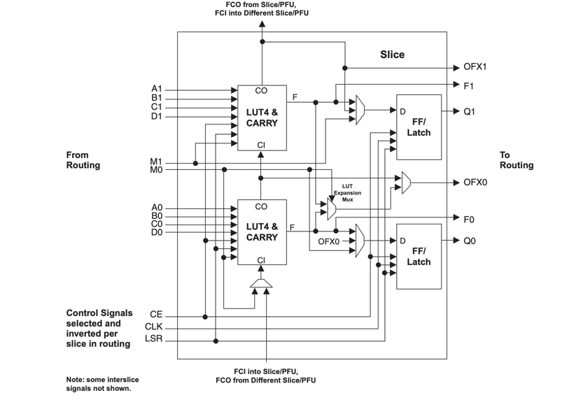
LFSC3GA25E-7F900C FPGA のプログラマブル機能ユニット内で使用されるロジック スライスの内部構造。2 つの LUT4 ブロックは、A、B、C、D というラベルの付いた 4 つの入力信号を使用して組み合わせ論理演算を実行します。統合されたキャリー ロジックは、隣接するスライス間のキャリー入力信号とキャリー出力信号をリンクすることで算術演算をサポートします。フリップフロップまたはラッチ要素は論理段からの出力データを保存し、Q0 および Q1 とラベル付けされた登録出力を生成します。クロック、クロック イネーブル、セットまたはリセット信号などの制御入力は、記憶素子の連続動作を調整します。左右のエッジのルーティング接続は、スライスを周囲のプログラマブル インターコネクト ネットワークにリンクし、信号がルーティング リソースから入力され、処理された出力をルーティング ファブリックに戻すことができるようにします。
プログラマブル ロジック リソースにより、デバイスは自動化機器のタイミング シーケンス、信号ルーティング、デジタル制御タスクを管理できます。制御システム内で安定したデジタル処理を維持しながら、複数のセンサーとアクチュエーターを調整できます。
通信機器では、多くの場合、データ処理とインターフェイス制御のために柔軟なデジタル処理が必要です。デバイスは、受信データ ストリームを処理し、ルーティング ロジックを編成し、ネットワーク ハードウェア内の通信リンクをサポートできます。
組み込みシステムは、プログラマブル ロジックを使用して、プロセッサ、メモリ、インターフェイス デバイス間のデータ フローを管理します。デバイスは、システムの動作を特定のアプリケーション要件に適応させるカスタム デジタル パスを実装できます。
測定システムは、複数のソースから信号を同時に収集することがよくあります。プログラマブル ロジック構造は、受信デジタル信号を整理し、タイミングを調整し、さらなる処理または転送に備えてデータを準備できます。
このデバイスは、信号処理機能をサポートする構成可能な算術演算および論理演算を実装できます。デジタル フィルター、制御ループ、およびデータ変換タスクは、プログラマブル ロジック構造内に直接実装できます。
• 複雑なデジタル機能をサポートする大規模なプログラマブル ロジック容量
• 多数の入出力接続により、柔軟なシステム統合が可能
• 内蔵メモリブロックは内部データストレージとバッファリングを提供します
• 再構成可能なロジック構造により、設計変更を通じてハードウェア機能を更新可能
• 複数の IO バンクにより、1 つのデバイス内で異なる信号規格が可能
• 設計プロセスには特殊な開発ツールと構成ワークフローが必要です
• デバイスの複雑さにより、開発中のシステム設計時間が長くなる可能性があります
• パッケージサイズが大きいため、慎重なプリント基板レイアウトが必要
• 多くの論理リソースがアクティブな場合は、電源管理を考慮する必要があります。
| 部品番号 | メーカー | 主な特長 | 使用例/注意事項 |
| LFSC3GA25E-7FFN1020C | ラティスセミコンダクター株式会社 | 約 25,000 個のロジック エレメント、組み込みメモリ リソース、および多数のプログラム可能な I/O ピンを備えた SC ファミリの FPGA デバイス。高密度の回路レイアウトと複雑なデジタル設計をサポートするファインピッチ BGA パッケージを使用しています。 | プログラマブルなハードウェアと高い I/O 接続が必要な組み込み制御システム、通信インターフェイス、産業用電子機器で使用されます。 |
| LFSC3GA25E-7FFA1020C | ラティスセミコンダクター株式会社 | LFSC3GA25E シリーズと同様のロジック リソースを備えたプログラマブル FPGA。設計者がカスタム デジタル回路を実装できるようにする、構成可能なロジック ブロック、組み込みメモリ、柔軟なデジタル ルーティングを提供します。 | 組み込み電子機器および通信システムにおけるデジタル信号処理、インターフェイス ブリッジング、プログラマブル ハードウェア制御に適しています。 |
| LFSC3GA25E-6FN900C | ラティスセミコンダクター株式会社 | プログラマブル デジタル ハードウェア用に設計された、約 25,000 個のロジック エレメントと統合メモリ ブロックを備えた FPGA デバイス。このパッケージは、複雑なシステム統合をサポートする多くの I/O 接続を提供します。 | 柔軟なハードウェア構成を必要とする産業用制御システム、組み込みコンピューティング プラットフォーム、ネットワーク機器でよく使用されます。 |
Lattice Semiconductor は、1983 年に設立され、米国オレゴン州ヒルズボロに本社を置く半導体企業です。同社は、コンピューティング、通信、産業システム、家庭用電化製品で使用されるプログラマブル ロジック デバイスと関連テクノロジーを開発しています。その製品ラインには、フィールド プログラマブル ゲート アレイ、プログラマブル ロジック デバイス、および柔軟なデジタル システム設計をサポートするように設計されたインターフェイス ソリューションが含まれます。ラティスデバイスは、プログラム可能なハードウェア機能がコンパクトな電子プラットフォーム内でデータ処理、制御ロジック、および信号ルーティングの管理に役立つ組み込みシステムで広く使用されています。
LFSC3GA25E-7F900C FPGA は、プログラマブル ロジック、組み込みメモリ、および柔軟な入出力接続を 1 つのデバイス内に組み合わせています。そのアーキテクチャを理解することで、デジタル ロジック機能がどのように編成され、信号がプログラマブル ファブリック内をどのように移動するかがわかります。構成可能な論理要素、ルーティング ネットワーク、クロック管理ブロックなどの機能により、デバイスは多くのシステム設計をサポートできます。その構造は、データ処理、制御ロジック、および通信ハードウェアに適しています。図や仕様を調べると、プログラム可能なハードウェアが適応性のある電子システムをどのようにサポートしているかがより明確にわかります。
お問い合わせを送ってください、すぐに返信します。
LFSC3GA25E-7F900C は、フィールド プログラマブル ゲート アレイ (FPGA) です。 ハードウェアを介してデジタル論理回路を構成できるようにします プログラミング。プログラマブル ロジック ブロック、配線リソース、 単一チップ内のメモリ要素。
ロジック エレメントは、FPGA 内のプログラム可能な小さなユニットであり、 論理比較、算術などのデジタル演算を実行する タスクと信号処理。何千ものこれらの要素が連携して動作します カスタムハードウェア機能を作成します。
入出力バンクは、電源とリファレンスを共有するピンのセットをグループ化します。 電圧。各バンクは異なる電気規格をサポートできます。 複数のインターフェイスからの信号を同じデバイスに接続できるようにします。
組み込みメモリ ブロックは FPGA 内にデータを保存するため、ロジック回路は 情報に素早くアクセスできます。これらのブロックはバッファリングに使用されます データ、一時ストレージ、および信号処理タスクのサポート。
このFPGAは、通信システム、産業用に一般的に使用されています。 制御ハードウェア、デジタル信号処理装置、組み込み機器 プログラマブルデジタルロジックが必要な電子プラットフォーム。
03/10/2026で公開されています
03/10/2026で公開されています
04/19/8000で公開されています 147781
04/19/2000で公開されています 112051
04/19/1600で公開されています 111352
04/19/0400で公開されています 83806
01/1/1970で公開されています 79610
01/1/1970で公開されています 66991
01/1/1970で公開されています 63115
01/1/1970で公開されています 63051
01/1/1970で公開されています 54097
01/1/1970で公開されています 52201