
の AD8542AR は、低電力動作とレールツーレール入出力性能のために構築されたデュアル汎用オペアンプです。単一電源で動作し、効率的な信号処理が必要な低電圧システムをサポートします。このデバイスは、動作範囲全体で一貫した動作を維持しながら、小さなアナログ信号を安定して増幅します。デュアルチャネル設計により、コンパクトな回路レイアウトがサポートされ、コンポーネント数が削減されます。一般的な用途には、センサー信号調整、バッテリー駆動の機器、ポータブル測定装置、および基本的なアナログ処理ステージが含まれます。この部品は、日常的なアナログ機能の精度と電力効率のバランスをとります。AD8542ARをお探しですか?現在の在庫、納期、価格を確認するにはお問い合わせください。

| ピン番号 | ピン名 | 説明 |
| 1 | アウトA | アンプA出力 |
| 2 | −IN A | アンプA反転入力 |
| 3 | +IN A | アンプAの非反転入力 |
| 4 | V− | マイナス電源またはグランド |
| 5 | +IN B | アンプB非反転入力 |
| 6 | −IN B | アンプB反転入力 |
| 7 | アウトB | アンプB出力 |
| 8 | V+ | 正電源 |



AD8542AR には、1 つのデバイス内に 2 つの独立したアンプ チャンネルが含まれています。これにより、単一のコンポーネントでペアのアナログ信号を処理できるようになり、基板スペースの削減と回路レイアウトの簡素化に役立ちます。どちらのチャネルも一致した電気的動作で動作し、バランスの取れた一貫した信号処理をサポートします。
入力と出力は両方の電源レベルに近い値で振れる可能性があります。これにより、特に低電圧システムにおいて、利用可能な電圧範囲をより有効に活用できるようになります。単一電源で動作する場合、ダイナミックレンジの損失を最小限に抑えて信号を処理できます。
通常動作中にデバイスが消費する供給電流はほとんどありません。これにより、バッテリ寿命が長くなり、全体的な電力需要が低くなります。長期間アクティブな状態を維持するシステムに適しています。
入力オフセット電圧が小さいと、低レベル信号を増幅する際の精度を維持できます。これにより、出力での不要な電圧誤差が減少します。安定したオフセット動作により、再現性のある測定がサポートされます。
入力段は非常に少量の電流しか消費しません。これにより、高インピーダンス信号源との相互作用が最小限に抑えられます。敏感な入力パスにおける信号の完全性を維持するのに役立ちます。
ゲイン帯域幅は、センシングおよび制御回路で使用される一般的なアナログ信号周波数をサポートします。過度の信号歪みを発生させずに安定した増幅を実現します。これにより、このデバイスは日常の幅広いアナログ作業に適したものになります。
スルーレートにより、入力信号が変化したときにスムーズな出力遷移が可能になります。これにより、突然のエッジのない安定した信号トラッキングがサポートされます。予測可能な時間応答を維持するのに役立ちます。
出力段は、中程度の電流レベルをソースおよびシンクできます。これにより、フィルタやコンバータなどの負荷に直接接続できます。多くの設計では、追加のバッファーステージは必要ありません。
アンプは広範囲の電源電圧で動作します。これにより、さまざまなシステム電力レベルとの互換性が可能になります。混合電圧設計への柔軟な統合をサポートします。
このデバイスは、広い温度範囲で動作するように仕様化されています。電気的性能は、変化する熱条件下でも安定しています。これにより、産業環境や屋外環境での使用がサポートされます。
| 製品の属性 | 属性値 |
| メーカー | アナログ・デバイセズ社 |
| 電圧 - 供給スパン (最小) | 2.7V |
| 電圧 - 供給スパン (最大) | 5.5V |
| 電圧 - 入力オフセット | 1mV |
| ゲイン帯域幅積 | 1MHz |
| スルーレート | 0.92V/μs |
| 出力タイプ | レールツーレール |
| 電流 - 供給 | 45μA (x2チャンネル) |
| 電流 - 出力/チャンネル | 30mA |
| 電流 - 入力バイアス | 4pA |
| 動作温度 | -40℃~125℃ |
| 回路数 | 2 |
| 取付タイプ | 表面実装 |
| サプライヤーデバイスパッケージ | 8-SOIC |
| パッケージ・ケース | 8-SOIC (0.154インチ、3.90mm幅) |
| パッケージ | チューブ |
| 基本製品番号 | AD8542 |

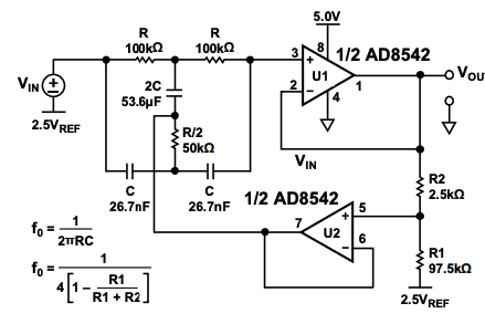
単電源動作下で AD8542 デュアル・オペアンプの両方のチャネルを使用して 60 Hz 干渉を除去するように構成されたアクティブ・ツイン T ノッチ・フィルタ。この回路は、整合抵抗とコンデンサで構成されるパッシブ ツイン T ネットワークとアクティブ アンプ ステージを組み合わせて、ノッチの深さを増やし、定義された抵抗比によって 10 に設定される品質係数を制御します。信号パスをバイアスするために 5.0 V 電源と 2.5 V リファレンスが使用され、負のレールなしで適切な動作が可能になります。1 つのアンプセクションはフィルタリングされた信号を処理し、2 番目のアンプセクションは中間電源リファレンスをバッファリングして、安定したバイアスを保証します。コンポーネントの値は、標準 RC 関係に従ってノッチ周波数を確立するように選択され、低周波アナログ信号パスにおける電力線ノイズの抑制に適した構成となります。
AD8542AR は、低電源電圧と低電力動作が要求されるポータブル電子機器で一般的に使用されます。最小限の電流を消費しながら安定した信号増幅をサポートし、バッテリーの動作時間を延長します。レールツーレール動作により、バッテリ電圧が変化しても信号を正確に処理できます。
センサーベースのシステムでは、AD8542AR は、さらなる処理の前に低レベル信号を増幅、バッファ、またはスケーリングするために使用されます。入力バイアス電流が低いため、敏感なセンサー出力への負荷を回避できます。これにより、温度、圧力、光検知素子などのセンサーからのよりクリーンな信号転送がサポートされます。
このデバイスは、長期間アクティブな状態を維持する必要がある計装に適しています。消費電力を低く抑えながら、安定した増幅を実現します。これにより、一貫した信号動作と効率の両方が必要な監視機器に適しています。
AD8542AR は、アナログ フロントエンド ステージで変換または制御ブロック用の信号を準備するために使用されます。電圧レベルを安定させ、信号の遷移をスムーズにします。これにより、オーディオ パス、ユーザー入力回路、低速アナログ インターフェイスの一貫性が向上します。
産業用システムでは、アンプは制御フィードバックとモニタリングパスのための信号調整をサポートします。動作温度範囲が広いため、環境条件が変化しても確実に機能します。これにより、長期運用における予測可能なシステム動作がサポートされます。
AD8542AR は、組み込みプラットフォーム内の一般的な増幅タスクによく選択されます。アナログとデジタルの混合ブロック間の信号をバッファリングできます。この柔軟性により、コンパクトな設計でフィルタリング、スケーリング、分離機能をサポートできます。

狭い長方形の本体の周りに対称的に配置された 8 つのリードによって定義されるコンパクトな表面実装パッケージ。参考として寸法はミリメートルおよびインチ相当で指定されています。このレイアウトは、本体幅が約 3.80 ~ 4.00 mm、全長が約 4.80 ~ 5.00 mm、公称リード ピッチが 1.27 mm であることを示しています。リードの形状には、適切なはんだ付けと共平面性を確保するために定義されたリードの幅、厚さ、スタンドオフの高さが含まれており、0.10 mm で指定されています。この図面では、座面の位置合わせ、リード角、面取りの詳細が確認され、JEDEC 標準 MS-012-AA への準拠が記載されており、プリント基板アセンブリに一貫した機械的互換性が提供されます。
• デュアルチャンネル設計によりコンパクトな回路レイアウトをサポート
• 低い供給電流でエネルギー効率の高い動作をサポート
• レールツーレールの入出力により、低電源電圧をより有効に利用できます。
• 非常に低い入力バイアス電流は高インピーダンス信号源に適しています
• 広い動作温度範囲でさまざまな環境に対応
• 安定した動作は汎用アナログ信号処理に適合します
• ゲイン帯域幅が限られているため、高周波信号での使用が制限されます。
• 適度なスルーレートにより、急速な信号変化への応答が制限されます。
• 供給電圧範囲は高電圧システムをサポートしていません
• 汎用設計は超低ノイズ用途には適さない可能性があります。
| 部品番号 | メーカー | 主な特長 | 使用例/注意事項 |
| AD8542アームリール | アナログ・デバイセズ社 | レールツーレール出力動作、低入力バイアス電流、広い温度範囲にわたって安定した性能を備えたデュアル低電力オペアンプ。自動組み立て用にテープとリールのパッケージで提供されます。 | 携帯機器やセンサー信号調整回路など、自動化された表面実装生産に依存するバッテリー駆動およびスペースが限られた設計に最適です。 |
| AD8542AR-REEL7 | アナログ・デバイセズ社 | レールツーレール出力、低静止電流、一貫した電気特性を備えたデュアル汎用オペアンプ。大量のリール包装でお届けします。 | 制御および監視システムにおける増幅、バッファリング、調整などのアナログ信号処理タスクの大量生産で一般的に使用されます。 |
| AD8542AR-リール | アナログ・デバイセズ社 | レールツーレール出力機能、中程度の帯域幅、低入力バイアス電流を備えた低電力デュアル オペアンプ。表面実装アプリケーション向けに設計されています。 | 家庭用電化製品や組み込みシステムなど、低消費電力とコンパクトな表面実装パッケージが必要な一般的なアナログ回路に適しています。 |
Analog Devices, Inc. は、アナログ、ミックスド シグナル、デジタル信号コンポーネントの設計と製造に重点を置いたテクノロジー企業です。その製品ポートフォリオは、幅広い電子システムにわたる信号測定、変換、電力制御、およびデータ処理をサポートしています。同社は産業機器、通信、ヘルスケア機器、家庭用電化製品などの市場にサービスを提供しています。その長い運用実績は、安定したパフォーマンス、一貫した品質、長期にわたる製品サポートへの重点を反映しています。同社のコンポーネントは、さまざまな電気条件や環境条件下で信頼性の高い信号動作を必要とするシステムで一般的に使用されています。
AD8542AR は、低消費電力、安定した性能、柔軟な信号処理のバランスのとれた組み合わせを提供します。デュアルチャンネル設定を利用してスペースを節約し、回路内の余分な部品を減らすことができます。レールツーレール動作により、複雑なバイアスをかけずに、低い電源電圧からより多くのことを得ることができます。入力バイアス電流とオフセット電圧が低いため、小さな信号をクリーンに処理します。このデバイスは幅広い温度範囲で良好に動作するため、多くの環境で信頼性が高くなります。全体として、シンプルさと効率性が重要な日常のアナログ設計にうまく適合します。
お問い合わせを送ってください、すぐに返信します。
AD8542AR は、低電力、単電源動作向けに設計されたデュアル汎用オペアンプです。
はい、単一電源電圧で動作するように設計されており、レールツーレールの入出力をサポートしています。
これは、センサー信号調整、ポータブル電子機器、計測器、および基本的なアナログ処理回路でよく見られます。
AD8542AR は、8 ピン SOIC ナローボディ表面実装パッケージで提供されます。
はい、入力バイアス電流が非常に低いため、高インピーダンス信号源に接続された回路に適しています。
01/13/2026で公開されています
01/13/2026で公開されています
04/18/8000で公開されています 147776
04/18/2000で公開されています 112022
04/18/1600で公開されています 111351
04/18/0400で公開されています 83777
01/1/1970で公開されています 79575
01/1/1970で公開されています 66964
01/1/1970で公開されています 63104
01/1/1970で公開されています 63041
01/1/1970で公開されています 54097
01/1/1970で公開されています 52189