
EPM7128ATC100-10 は、組み込み電子システムに構成可能なデジタル制御機能を実装するために設計されたプログラマブル ロジック デバイスです。このデバイスには 128 個のマクロセルと約 2500 個の論理ゲートが含まれており、設計者は制御ロジック、インターフェイス管理、ステート マシンなどのカスタム論理回路を作成できます。その構造は、デバイス全体に信号を分配する内部ルーティング ネットワークを介して接続された複数のロジック アレイ ブロック内にプログラマブル ロジックを編成します。3 V ~ 3.6 V の電源範囲で動作し、最大 10 ns の伝播遅延をサポートするため、予測可能なロジック タイミングが可能になります。100 ピン TQFP パッケージは、スペースに制約のある回路設計におけるコンパクトな表面実装取り付けをサポートします。
EPM7128ATC100-10をお探しですか?現在の在庫、納期、価格を確認するにはお問い合わせください。

正方形のパッケージ レイアウトは、ボディの 4 つの側面すべてから金属リードが伸びているクワッド フラット スタイルのデバイスを表します。ピン番号は周囲に沿って順番に配置され、左上隅のピン 1 から始まり、最後のピンが残りのエッジに表示されるまで各辺に沿って順番に続きます。コーナーインジケータは、プリント基板上にデバイスを正しく配置するために使用される重要な方向ポイントをマークします。中央領域には、MAX 7000A プログラマブル ロジック ファミリに関連するデバイス識別マーキングが含まれています。リード間隔と対称配置により、表面実装取り付けがサポートされ、各外部ピンをボード上の信号配線に接続できます。

ピン配置は、複数の FineLine BGA パッケージ サイズをサポートする共有プリント基板レイアウトを示しています。もともと 256 ピン FineLine BGA フットプリント用に準備された中央ボード設計が、はんだボール位置の密なグリッドとともに示されています。このレイアウトにより、互換性のある配線接続を維持しながら、より小型の 100 ピン FineLine BGA デバイスを同じピン フィールド内に配置することができます。小さいパッケージがインストールされている場合、外側のボールの位置は未使用のままですが、大きいデバイスでは完全なグリッドが使用されます。この構成により、PCB レイアウトを変更することなく、単一のボード設計で異なる入出力数やロジック要件を持つデバイスをサポートできるようになります。
このデバイスはマクロセルベースのプログラマブルロジック構造を使用しており、製造後にデジタル回路を構成できます。各マクロセルは組み合わせロジックまたは登録されたロジック機能を実装できるため、設計者は制御パス、信号ルーティング ロジック、およびタイミング回路を構築する際に柔軟性が得られます。このアーキテクチャにより、予測可能な論理動作を維持しながら、複数の個別の論理関数を 1 つのデバイスに統合できます。
内部ロジック リソースは、マクロセルをグループ化し、配線リソースを共有するロジック アレイ ブロックに編成されます。この配置により、内部信号の分配が簡素化され、デバイス全体で安定したロジック動作を維持するのに役立ちます。信号は、複雑なデジタル論理配置をサポートする内部相互接続ネットワークを介してブロック間でルーティングできます。
最大 84 個の入出力ピンにより、デバイスは組み込みシステム内の複数のデジタル信号に直接接続できます。これらのピンは、設計要件に応じて、入力、出力、または双方向動作用に構成できます。この柔軟性により、デバイスはプロセッサ、メモリ デバイス、および周辺論理回路間の通信を管理できます。
このデバイスは最大 10 ナノ秒の伝播遅延をサポートし、応答性の高いデジタル ロジック動作を可能にします。このタイミング性能は、一貫した信号スイッチングとシステム内の他のデジタルコンポーネントとの信頼性の高い同期を必要とする制御機能をサポートします。
構成は電気的に消去可能なプログラマブル技術を使用して保存され、システム要件が変化したときにデバイスのロジックを更新できます。設計者は、ハードウェア コンポーネントを交換することなく、開発中またはシステム メンテナンス中にデジタル ロジックを変更できます。
3 ボルトから 3.6 ボルトの供給範囲内で動作するため、デバイスは多くの最新のデジタル システムと統合できます。この電圧範囲は、一般的なデジタル インターフェイス規格との互換性を維持しながら、安定したロジック レベルをサポートします。
このデバイスは、表面実装アセンブリ用に設計された 100 ピンの薄型クアッド フラット パッケージで提供されます。コンパクトなパッケージの設置面積は基板スペースの節約に役立ち、現代の電子生産で使用される自動化された製造プロセスをサポートします。
プログラマブル ロジック、柔軟なルーティング、構成可能な入出力接続を組み合わせることで、デバイスはさまざまなデジタル制御タスクを実行できます。組み込み電子設計全体で安定した信号動作を維持しながら、複数のディスクリート論理回路を置き換えることができます。
| 製品の属性 | 属性値 |
| メーカー | アルテラ (インテル) |
| 電圧供給 - 内部 | 3V~3.6V |
| サプライヤーデバイスパッケージ | 100-TQFP (14x14) |
| シリーズ | MAX® 7000A |
| プログラマブルタイプ | EE PLD |
| パッケージ・ケース | 100-TQFP |
| パッケージ | バルク |
| 動作温度 | 0℃~70℃(TA) |
| マクロセルの数 | 128 |
| ロジックエレメント/ブロック数 | 8 |
| I/O数 | 84 |
| ゲート数 | 2500 |
| 取付タイプ | 表面実装 |
| 遅延時間 tpd(1) Max | 10ns |
| 基本製品番号 | EPM7128 |
| RoHS ステータス | RoHS非対応 |
| 感湿性レベル (MSL) | 3 (168 時間) |
| リーチステータス | REACHは影響を受けない |
| ECCN | EAR99 |
| HTSUS | 8542.39.0001 |

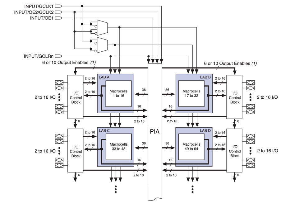
この図は、EPM7128ATC100-10などのMAX 7000A CPLDデバイスで使用される内部ロジックアーキテクチャを示しています。この構造は、LAB A、LAB B、LAB C、LAB D というラベルが付けられた複数のロジック アレイ ブロックを中心に構成されており、各ロジック アレイ ブロックにはプログラマブル ロジック関数を実装するマクロセルのグループが含まれています。これらのマクロセルは、デバイス内の組み合わせロジックおよび登録されたロジック操作をサポートします。ロジック アレイ ブロックは、ロジック セクション間で信号をルーティングする中央のプログラマブル インターコネクト アレイを介して接続されます。各ロジック アレイ ブロックは、デバイスの入力ピンと出力ピンを管理する IO 制御ブロックに接続します。クロック入力、出力イネーブル信号、およびグローバル クリア入力を含むグローバル制御信号は、アーキテクチャの最上部から入力され、内部ロジック構造全体に制御信号を分配してデバイスの動作を調整します。

ロジック信号は、LAB ローカル アレイに接続された 36 本のルーティング ラインを介して、プログラマブル インターコネクト アレイからマクロセルに入ります。積項選択マトリックスは、これらの信号を最大 16 個の拡張積項と組み合わせて、プログラマブル論理関数を作成します。並列ロジック エクスパンダでは、隣接するマクロセルから追加の項を許可し、共有ロジック エクスパンダでは追加の積項をロジック アレイ ブロック全体に分散して論理容量を増加します。出力パスは、グローバル クロックとクリア制御ラインで動作するプログラマブル レジスタに信号を送り、登録された出力または直接の組み合わせ出力を可能にします。高速入力選択パスは外部 IO ピンからの信号を受け入れ、レジスタ バイパス パスによりクロック ストレージなしで信号を通過させることができます。最終出力信号は、外部ピンの IO 制御ブロックにルーティングされるか、内部信号ルーティングのためにプログラマブル インターコネクト アレイに戻されます。
このようなプログラマブル ロジック デバイスは、組み込みシステム内にカスタム制御ロジックを実装するためによく使用されます。システム全体で安定した信号の流れを維持しながら、プロセッサ、センサー、通信デバイス間のタイミング関係を調整できます。
オートメーション機器では、センサー、リレー、アクチュエーターの信号を管理するために専用のロジックが必要になることがよくあります。このデバイスは、自動機械や監視システムで使用される制御シーケンス、安全チェック、信号ルーティングタスクを処理するようにプログラムできます。
通信機器はプログラマブル ロジックを使用して、プロセッサとインターフェイス回路間の信号ルーティングを管理します。このデバイスは、システム コンポーネント間の信頼性の高い通信を維持するのに役立つデジタル スイッチング、プロトコル処理、および信号調整をサポートできます。
デジタル消費者製品は、多くの場合、内部動作を調整するためにコンパクトなロジック デバイスに依存します。このデバイスは、マルチメディア機器、家電製品、周辺機器などの電子製品内のタイミング、入力処理、信号制御を管理できます。
複数のデジタル サブシステムを組み合わせたシステムには、コンポーネント間の制御された信号ルーティングが必要です。プログラマブル ロジック構造により、設計者はメモリ、プロセッサ、外部インターフェイスの間で信号を送信するカスタマイズされたルーティング ロジックを作成できます。
多くの電子システムは、動作シーケンスを管理するためにステート マシンに依存しています。デバイスは、入力条件とタイミング イベントに応答するプログラマブル ロジック パスを使用して、これらの状態ベースの制御構造を実装できます。
多くの場合、いくつかの個別の論理ゲートと制御回路を 1 つのプログラマブル デバイスに統合できます。このアプローチにより、ボードの複雑さが軽減され、システム要件が変化した場合に構成の更新を通じてロジックの動作を調整できるようになります。
• 柔軟なプログラマブル ロジックにより、設計者はカスタム デジタル回路を実装できます。
• 固定ロジックデバイスと比較して開発サイクルが速い
• 単一デバイス内に複数のロジック機能をコンパクトに統合
• 制御ロジックタスクの伝播遅延が比較的低い信頼性の高い動作
• 84 個の I/O ピンを介して複数の入出力接続をサポート
• 再プログラム可能なアーキテクチャにより、開発中に設計を更新できます。
• 組み込みシステム内の複数の個別ロジック IC の置き換えに適しています。
• 最新の FPGA デバイスと比較してロジック密度が低い
• 新しいプログラマブル ロジック ファミリに比べて限られた内部リソース
• 産業グレードのデバイスと比較して動作温度範囲が制限されている
• RoHS 非準拠バージョンは、一部の最新の環境準拠設計での使用を制限する可能性があります。
| 部品番号 | メーカー | 主な特長 | 使用例/注意事項 |
| EPM7128ATC100-12F | アルテラ | 128 個のマクロセルと約 2,500 個の使用可能な論理ゲートを備えた MAX 7000A ファミリ CPLD。電気的に消去可能なプログラマブル ロジック テクノロジと、多くのプログラマブル I/O 接続を備えた 100 ピン TQFP パッケージを使用します。 | 複数のデジタル機能を 1 つのプログラマブル デバイスに実装する必要がある、デジタル制御ロジック、バス インターフェイス ロジック、およびシステム グルー ロジックに使用されます。 |
| EPM7128ATC100-6 | アルテラ | MAX 7000Aアーキテクチャのより高速グレードのCPLD。プログラマブル マクロセル、内部配線リソース、柔軟なデジタル入出力ピンを提供します。 | より高速なロジック応答を必要とする、タイミングに敏感なデジタル ロジック、インターフェイス管理、および組み込み制御システムに適しています。 |
| EPM7128ATC144-10 | アルテラ | 不揮発性コンフィギュレーションメモリとデジタルシステム統合のためのより多くのI/O接続をサポートする大型パッケージを備えたMAX 7000Aアーキテクチャを使用するCPLDデバイス。 | 追加の外部信号を処理する必要がある産業用制御ボード、通信ハードウェア、およびプログラマブル ロジック制御タスクで一般的です。 |
アルテラは、デジタル システムや組み込み電子機器で使用されるプログラマブル ロジック デバイスの開発で知られる半導体会社です。同社はフィールド プログラマブル ゲート アレイと複雑なプログラマブル ロジック デバイスを専門とし、設計者が単一コンポーネント内にカスタム デジタル回路を実装できるようにします。同社の製品ファミリーは、通信機器、コンピューティング プラットフォーム、産業用制御システム、家庭用電化製品で広く使用されています。2015 年に同社はインテルの傘下となり、プログラマブル ロジック テクノロジは引き続き開発され、データ センター、ネットワーキング、組み込みコンピューティング プラットフォームに統合されています。
EPM7128ATC100-10 は、電子システムで構成可能なデジタル制御タスクを処理するように設計されたプログラマブル ロジック デバイスです。128 個のマクロセルと内部配線構造を組み合わせており、1 つのコンパクトなチップ内にカスタム ロジック機能を構築できます。デバイスは、プログラマブル ルーティング ネットワークを介して接続する論理アレイ ブロックを通じて論理リソースを編成します。そのピン構成とコンパクトな TQFP パッケージは、最新の回路基板で使用されている表面実装設計をサポートしています。このデバイスを使用すると、信号ルーティング、ロジック シーケンス、および多くのデジタル アプリケーションにわたる制御機能を管理できます。この柔軟性により、システム動作の予測可能性を維持しながら、回路設計が簡素化されます。
お問い合わせを送ってください、すぐに返信します。
EPM7128ATC100-10 は、複雑なプログラマブル ロジック デバイスです。 単一の統合された内部に実装される構成可能なデジタルロジック 回路。
このデバイスには、プログラム可能な組み合わせまたは登録された論理関数を実装できる 128 個のマクロセルが含まれています。
プリント基板への表面実装取り付けをサポートする 100 ピン薄型クアッド フラット パッケージで提供されます。
一般的にデジタル制御ロジック、信号ルーティング、 インターフェイス管理、および組み込みでのステート マシンの実装 システム。
このデバイスは、約 3 ボルト~3.6 ボルトの内部電源電圧範囲で動作します。
03/13/2026で公開されています
03/10/2026で公開されています
04/17/8000で公開されています 147746
04/17/2000で公開されています 111850
04/17/1600で公開されています 111347
04/17/0400で公開されています 83691
01/1/1970で公開されています 79444
01/1/1970で公開されています 66837
01/1/1970で公開されています 62990
01/1/1970で公開されています 62890
01/1/1970で公開されています 54059
01/1/1970で公開されています 52062