
の S29GL256N11FFI020 は、組み込み電子システムにおける不揮発性コードおよびデータのストレージに使用される 256 Mbit NOR フラッシュ メモリ デバイスです。2.7 V ~ 3.6 V の電源範囲で動作し、8 ビットまたは 16 ビットのデータ アクセスをサポートするパラレル インターフェイスを通じて通信します。メモリは 32M x 8 または 16M x 16 として構成されており、コントローラーやプロセッサーとの柔軟な接続が可能です。110 ns のアクセス時間は、ファームウェア ストレージおよびブート メモリ タスクにおける信頼性の高い読み取りパフォーマンスをサポートします。このデバイスは、表面実装回路基板と工業用温度条件全体での安定した動作向けに設計されたコンパクトな 64 ボール FBGA パッケージを使用しています。
S29GL256N11FFI020をお探しですか?現在の在庫、納期、価格を確認するにはお問い合わせください。

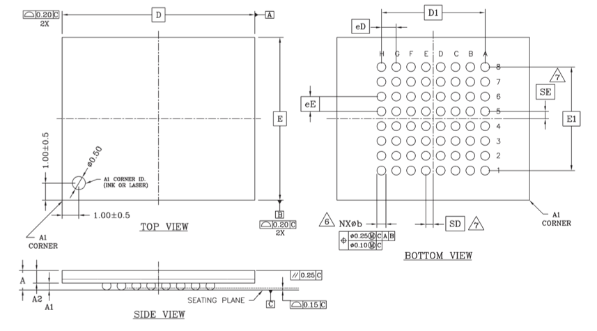
グリッド スタイルのボール レイアウトでは、A ~ H および 1 ~ 8 のラベルが付けられた 8 × 8 のマトリックスに 64 個のはんだボールが配置され、回路基板に実装されるときにパッケージの下側の電気接続ポイントが定義されます。A0 ~ A23 というラベルの付いたアドレス ラインは、内部フラッシュ アレイのメモリ アドレス指定をサポートするために複数の位置にわたって表示されます。データ ピン DQ0 ~ DQ15 は、デバイスと外部コントローラの間で情報を転送するために使用されるパラレル データ インターフェイスを提供します。CE#、OE#、WE#、RESET#、BYTE#、WP#/ACC などの制御信号は、メモリ アクセス、デバイスの選択、書き込み操作、およびコンフィギュレーション モードを管理します。電源接続 VCC、VIO、および VSS は、デバイスの動作電圧とグランド基準を供給します。NC とマークされたいくつかの位置は、パッケージ レイアウト内で電気的に接続されていない未使用のボールを示します。



このデバイスは、電源が切断されてもデータを保持する 256 Mbit の NOR フラッシュ ストレージを提供します。この容量により、デバイスの電源がオフの場合でも、ファームウェア、構成コード、およびシステム データを保存したままにすることができます。電源を入れ直しても安定したプログラムを保存する必要がある組み込みシステムに適しています。
メモリは、16 ビットまたは 8 ビットのデータ転送をサポートするパラレル データ バスを通じて通信します。この構成により、プロセッサーとコントローラーは保存されたデータに迅速かつ直接アクセスできるようになります。並列構造により、一貫したタイミングと外部ロジックとの安定した通信がサポートされます。
メモリは、システム構成に応じて、32M x 8 または 16M x 16 としてアクセスできます。この柔軟性により、設計者はデバイスをさまざまなプロセッサ データ幅に適合させることができます。BYTE 制御信号により、データ モード間の切り替えが可能になり、さまざまな組み込みプラットフォームをサポートできます。
一般的なアクセス時間は約 110 ns なので、デバイスは読み取り要求に迅速に応答できます。この応答速度は、予測可能なメモリ タイミングが必要なファームウェアの実行とシステム ブート操作をサポートします。
このデバイスは、摂氏マイナス 40 度から摂氏 105 度の温度範囲で動作します。この範囲により、産業用機器や屋外の電子システムなど、広範囲の熱変動が発生する環境でもメモリが機能することができます。
フラッシュ メモリ セクタは、メモリ アレイ全体をクリアするのではなく、個別に消去できます。この設計により、ファームウェアの更新により、保存されている残りのデータを保持しながら、選択した領域のみを変更できます。
内部制御ロジックはプログラミングと消去シーケンスを管理します。デバイスはこれらの動作に必要なタイミングと内部電圧を調整するため、外部コントローラーはコマンド命令を送信するだけで済みます。
メモリは、約 13 mm x 11 mm のコンパクトな 64 ボール強化 BGA レイアウトにパッケージされています。このパッケージは表面実装アセンブリをサポートしており、高密度回路設計における基板スペースの効率的な使用を可能にします。
| 製品の属性 | 属性値 |
| メーカー | スパンション (サイプレス セミコンダクター) |
| 書き込みサイクル タイム - ワード、ページ | 110ns |
| 電圧 - 電源 | 2.7V~3.6V |
| テクノロジー | フラッシュ - NOR |
| サプライヤーデバイスパッケージ | 64-FBGA (13x11) |
| シリーズ | GL-N |
| パッケージ・ケース | 64-LBGA |
| パッケージ | バルク |
| 動作温度 | -40℃~105℃(TA) |
| 取付タイプ | 表面実装 |
| メモリの種類 | 不揮発性 |
| メモリサイズ | 256メガビット |
| 記憶の構成 | 32M×8、16M×16 |
| メモリインターフェース | パラレル |
| メモリフォーマット | フラッシュ |
| 基本製品番号 | S29GL256 |
| アクセス時間 | 110ns |
| RoHS ステータス | ROHS3準拠 |
| 感湿性レベル (MSL) | 3 (168 時間) |
| リーチステータス | ベンダー未定義 |
| ECCN | 3A991B1A |
| HTSUS | 8542.32.0071 |

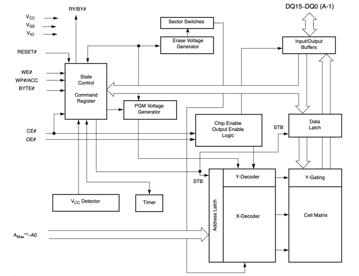
内部メモリ アーキテクチャは、読み取り、プログラム、または消去操作中に特定のメモリ位置を選択する行および列デコード ロジックに接続されたフラッシュ セル マトリックスを中心にデバイスを構成します。アドレス信号 Amax から A0 はアドレス ラッチによって捕捉され、メモリ アレイ内のアクセスを制御する X デコーダと Y デコーダに送られます。データは、Y ゲート回路、データ ラッチ、および双方向データ フローを管理する入出力バッファを介して、アレイと外部 DQ15 ~ DQ0 ラインの間で移動します。CE#、OE#、WE#、RESET#、WP#/ACC、BYTE# などの制御入力は、コマンド レジスタと状態制御ブロックによって解釈され、デバイスの動作を調整します。プログラムおよび消去電圧ジェネレータはフラッシュ セルの書き込みおよびクリアに必要な内部電圧を提供し、セクタ スイッチはこれらの電圧を選択されたメモリ領域にルーティングします。VCC 検出器やタイミング回路などの追加のサポート ブロックは、電源状態を監視し、動作タイミングを調整して安定したメモリ アクセスを維持します。

長方形のデバイス シンボルは、システム動作中にフラッシュ メモリによって使用される外部インターフェイス接続を整理します。A23 ~ A0 とラベル付けされたアドレス入力は、デバイス内の特定のメモリ位置を選択する 24 のアドレス ラインを提供します。DQ15 ~ DQ0 のラベルが付いた双方向データ ピンはパラレル データ バスを形成し、BYTE# 構成に応じて 16 ビットまたは 8 ビットのデータ転送をサポートします。CE#、OE#、WE# などの制御信号は、デバイスの選択、出力イネーブル、および書き込み動作を管理します。RESET#、WP#/ACC、BYTE# などの追加の制御入力は、デバイスのリセット、書き込み保護、データ幅の構成を管理します。Vio は入力および出力インターフェイス電圧を供給し、RY/BY# 信号は内部プログラムまたは消去動作がいつアクティブであるかを示すステータス出力を提供します。
組み込みプロセッサでは、多くの場合、ブート コードとオペレーティング ファームウェアを保存するための信頼できる場所が必要です。このデバイスは安定した不揮発性ストレージを提供し、電源投入直後にシステムが命令をロードできるようにします。
産業用コントローラは、外部フラッシュ メモリを使用して制御プログラムと構成データを保存します。このデバイスは、幅広い温度範囲にわたって安定したデータ保持と予測可能なメモリ アクセスを提供することで、これらのシステムをサポートします。
ルーター、スイッチ、および通信モジュールには、ブート コードとシステム構成を保存するためのメモリが必要です。デバイスは、デバイスの起動中にファームウェアと動作パラメータを利用可能な状態に保つために必要なストレージ容量を提供します。
車両の電子制御モジュールは、多くの場合、システム ファームウェアと校正データを保存するためにフラッシュ メモリに依存します。このデバイスは、車両環境で一般的な拡張温度条件下でも安定した動作を提供することで、この使用をサポートします。
メディア機器や家電製品などのデジタル デバイスは、オペレーティング ソフトウェアと構成データを保持するために外部フラッシュ メモリを使用します。メモリにより、これらのシステムは起動時にソフトウェアを迅速にロードできます。
多くのマイクロコントローラー システムは、内部メモリ容量が制限されている場合、ブート操作に外部 NOR フラッシュに依存します。このデバイスは、コントローラがシステムの初期化中にプログラム命令をロードできるようにする予測可能な読み取りタイミングを提供します。


パッケージ レイアウトは、デバイスで使用される 64 ボール強化 BGA パッケージの物理構造と取り付け形状を定義します。上面図は、約 13.00 mm x 11.00 mm の正方形のボディの外形を示しており、ボードの組み立て中にパッケージの方向を識別するために使用される A1 コーナー インジケーターが付いています。底面図は、8 × 8 のマトリックスに編成された 64 個のはんだボールからなるボール グリッド配置を示しており、プリント基板への配置をガイドするために行と列にラベルが付けられています。ボールの水平方向と垂直方向のピッチは約 1.00 mm と規定されていますが、個々のはんだボールの直径はおよそ 0.50 mm ~ 0.70 mm の範囲です。この側面図は、本体の厚さ、はんだボールスタンドオフの高さ、はんだ付け中にデバイスと PCB 表面の間の適切な間隔を維持するために使用される設置面を含むパッケージの垂直構造を示しています。付属の寸法表には、正確な設置面積設計と機械的統合に使用されるボディ サイズ、ボール間隔、およびパッケージの高さを定義する数値公差と参照測定値が記載されています。
• ファームウェアおよびコードの保存に適した 256 M ビットの大容量ストレージ容量
• コードの直接実行を可能にする信頼性の高い NOR フラッシュ テクノロジー
• 効率的なシステム起動プロセスをサポートする高速アクセス時間
• 産業環境に適した広い動作温度範囲
• パラレルインターフェイスにより、安定した予測可能なメモリ通信が可能になります。
• 不揮発性メモリは電源を切ってもデータを保持します。
• コンパクトなFBGAパッケージはスペースに制約のあるPCB設計をサポートします
• パラレル メモリ インターフェイスは、シリアル フラッシュと比較して、より多くのピンとボード配線を必要とします。
• 最新のシリアル フラッシュ ソリューションと比較して消費電力が高い
• 小型の SPI フラッシュ メモリ デバイスよりも大きなパッケージ サイズ
• プログラミングおよび消去操作は、RAM ベースのメモリに比べて遅い
| 部品番号 | メーカー | 主な特長 | 使用例/注意事項 |
| S29GL256N11FFA020 | スパンション | GL-N ファミリの 256 M ビット パラレル NOR フラッシュ メモリは、信頼性の高い不揮発性データ ストレージ用に設計されています。高速ランダム読み取りアクセスをサポートし、標準的な 2.7 V ~ 3.6 V の電源範囲内で動作します。このデバイスは、コンパクトな回路基板に適した 196 ボール FBGA パッケージを使用しています。 | ファームウェアやブート コードを保存し、迅速にアクセスする必要があるネットワーク機器、組み込みプロセッサ、産業用コントローラーで一般的に使用されます。 |
| S29GL256N11FFA020 | インフィニオン テクノロジーズ | 信頼性の高い並列データ アクセスを必要とするシステム向けに設計された高密度 NOR フラッシュ メモリ。電力を供給せずにプログラム コードと構成データを保存し、組み込みファームウェアに安定した読み取りパフォーマンスを提供します。 | 信頼性の高いファームウェア ストレージを必要とする通信ハードウェア、産業オートメーション ボード、および組み込み制御デバイスで使用されます。 |
| S29GL256N11FFIS40 | インフィニオン テクノロジーズ | 組み込みファームウェアストレージ用に設計されたパラレル NOR フラッシュ メモリで、コンパクトな 64 ピン VQFN パッケージと熱性能を向上させるエクスポーズド パッドを備えています。工業用温度での動作と信頼性の高いデータ保持をサポートします。 | 安定した不揮発性メモリを必要とする産業用電子機器、通信モジュール、制御システムなどの高密度組み込み設計に適しています。 |
Spansion は、組み込みシステムや電子機器に使用されるフラッシュ メモリ製品の開発で知られる半導体会社です。同社は、産業用、自動車用、通信用デバイスのコードストレージとデータ保持用に設計された NOR および NAND フラッシュ テクノロジーに焦点を当てました。その製品ポートフォリオには、ファームウェア ストレージ、システム ブート コード、構成データに使用されるパラレル フラッシュ メモリ デバイスとシリアル フラッシュ メモリ デバイスが含まれています。Spansion は後にサイプレス セミコンダクタの一部となり、組み込み電子システムで使用されるマイクロコントローラ、メモリ製品、接続コンポーネントの幅広いポートフォリオ内でフラッシュ メモリ テクノロジを拡張しました。
S29GL256N11FFI020 は、組み込み電子機器にファームウェアとシステム データを保存する実用的な方法を提供します。256 Mbit の NOR フラッシュ メモリを搭載しており、電源が切断されても情報を安全に保ちます。パラレル インターフェイスにより、コントローラーは予測可能なタイミングで保存されたデータにアクセスできるため、システムの確実な起動に役立ちます。コンパクトな FBGA パッケージは、スペース効率の高い回路基板レイアウトをサポートします。セクターベースの消去機能と幅広い温度範囲での安定した動作を備えたこのデバイスは、多くの産業用途や組み込み用途に適合します。信頼できる不揮発性ストレージが必要な場合、このメモリ デバイスは一貫したソリューションを提供します。
お問い合わせを送ってください、すぐに返信します。
これは、電力を供給せずにデータを保存し、ファームウェアとブート コードへの直接読み取りアクセスを可能にする NOR フラッシュ メモリ デバイスです。
このデバイスは 256 Mbit のメモリ容量を提供し、整理することができます。 データバス構成に応じて、32M x 8 または 16M x 16 として使用できます。
DQ0 ~ DQ15 データ ラインとのパラレル インターフェイスを使用します。 外部プロセッサとの 8 ビットまたは 16 ビット通信が可能になります。
このチップは、プリント基板上の表面実装アセンブリをサポートする 64 ボール FBGA フォーマットでパッケージ化されています。
一般的にファームウェアストレージ、システムブートメモリ、 産業用制御機器、ネットワーク機器、組み込み機器 電子システム。
03/13/2026で公開されています
03/10/2026で公開されています
04/18/8000で公開されています 147758
04/18/2000で公開されています 111960
04/18/1600で公開されています 111351
04/18/0400で公開されています 83727
01/1/1970で公開されています 79513
01/1/1970で公開されています 66930
01/1/1970で公開されています 63078
01/1/1970で公開されています 63019
01/1/1970で公開されています 54086
01/1/1970で公開されています 52160