
XCV600E-7FG680C XilinxのVirtex-Eファミリーの高性能FPGAであり、優れたプログラム可能なロジックソリューションを要求するアプリケーション向けに設計されています。このモデルは、約985,882個のシステムゲートと15,552個の論理セルを備えており、複雑なデジタル計算に堅牢な機能を提供します。3,456の構成可能なロジックブロック(CLB)と合計294,912 RAMビットが装備されており、データストレージと操作のための十分なスペースが確保されています。680ピンのファインピッチボールグリッドアレイ(FBGA)パッケージに収容されているXCV600E-7FG680Cには、スペースが制約のあるアプリケーションに適したコンパクトな40x40 mmフットプリントがあります。1.8Vのコア電圧で動作し、0.18 µM CMOSプロセスを使用して製造されており、効率と性能の安定性が向上します。FPGAは16の高性能インターフェイス標準をサポートしており、さまざまな末梢統合に多用になっています。FPGAには、正確なクロック管理のための4つの遅延ロックループ(DLL)と、高速算術演算、迅速な処理と数学機能を必要とするアプリケーションの必要性を促進する専用キャリーロジックが含まれています。
信頼できるスケーラブルなソリューションを活用するために、XCV600E-7FG680Cのバルク注文をお勧めします。

XCV600E-7FG680Cシンボル

XCV600E-7FG680Cフットプリント

XCV600E-7FG680C 3Dモデル
構成可能なロジックブロック(CLB):FPGAには3,456個のCLBが含まれており、合計15,552個の論理セルを提供します。この高いロジックセルは、高度なデジタルアプリケーションに適した複雑なデジタル計算と状態マシンの実装を促進します。
システムゲート:デバイスは最大985,882のシステムゲートを提供し、広範なロジック機能を備えた大規模な統合回路の構築を可能にします。
合計RAM:294,912ビットの合計RAMを装備したこのFPGAは、データバッファリング、状態保持、および動的処理タスクを含むアプリケーションのために、デバイス内のデータストレージと操作を可能にします。
ユーザーI/Oピン:最大512人のユーザーI/Oピンをサポートし、幅広い周辺機器やその他のデジタルシステムとの広範なインターフェースを可能にします。
Selectio+™テクノロジー:このテクノロジーは、LVD、BLVD、LVPECLを含む20の高性能インターフェイス標準をサポートしています。シングルエンドと差動の両方のシグナル伝達を可能にし、さまざまなデジタル通信標準と柔軟性と互換性を提供します。
遅延ロックループ(DLL):クロック乗算、分割、ゼロデレイバッファリングなどの高度な時計制御機能を提供する8つの完全なデジタルDLLが含まれています。この機能は、複雑なデザイン内の複数のクロックドメインにわたってタイミングを管理するのに最適です。
内部パフォーマンス:FPGAは、4つのレベルのロジックセル(LUTレベル)で最大130 MHzまでの内部パフォーマンス速度を達成でき、高速デジタルアプリケーションに必要な速い処理速度を可能にします。
selectram+™メモリ階層 :最大1 MBの構成可能な分散RAMと最大832 kbの同期内部ブロックRAMを含む階層メモリシステムを備えています。この層状メモリアプローチは、データアクセス速度と効率を高めます。
柔軟なアーキテクチャ:高速算術のための専用キャリーロジック、乗数のサポート、ワイド入力機能のためのカスケードチェーン、およびクロック有効化、デュアル同期/非同期セット、リセットのオプションを備えた多数のレジスタ/ラッチが含まれます。これらの属性は、多目的で効率的な建築設計に貢献します。

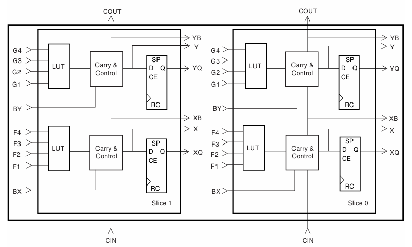
XCV600E-7FG680C FPGAのブロック図 ロジックスライスの構造を示します。各スライスには含まれています ルックアップテーブル(LUTS)、ロジックとフリップフロップをキャリーします。これらは、デジタルサーキットを構築するために重要です。各スライスには2つあります luts、入力を取る(G1-G4およびF1-F4)およびロジック出力を生成します。これらの出力は直接使用するか、フリップフロップで保存することができます(Dタイプのレジスタ)シーケンシャル操作用。キャリーロジックは、追加のような高速算術操作を実行するのに役立ちます。Flip-flopsはクロックを有効にしてデータを保存します(ce)そしてリセット(RC)関数。キャリーチェーン(CONTO COUT)複数のスライスをリンクし、算術操作の速度を改善します。出力(x そして y)さまざまなロジック要素を接続するのに役立ちます。この構造により、FPGAは効率的で柔軟性があり、複雑なデジタルデザインを処理できます。

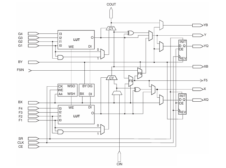
2番目の図は、XCV600E-7FG680C FPGA内のロジックスライスアーキテクチャのより詳細なビューを提供し、の内部接続を示しています。 luts、ロジックとフリップフロップをキャリーします。各スライスには2つが含まれています ルックアップテーブル(LUTS)、複数の入力を受信します(G1-G4およびF1-F4)ロジック出力を生成します。これらの出力は、組み合わせロジックで直接使用するか、フリップフロップに保存することができます(Dタイプのレジスタ)シーケンシャル操作用。フリップフロップがあります クロック (clk)、、 有効にする (ce)、、 リセット (sr)、 そして 初期化 (init)入力、制御されたデータストレージを可能にします。 ロジックをキャリーします (cy)算術操作を担当し、隣接するスライス間のキャリー信号を伝播します CIN そして cout 接続。マルチプレクサと制御ロジックにより、さまざまな信号の選択が可能になり、算術操作と論理操作のパフォーマンスが最適化されます。この構造により、高速算術計算、順次ロジック制御、効率的なデータルーティングが可能になり、FPGAがさまざまなデジタルアプリケーションに高度に適応できます。
|
タイプ |
パラメーター |
|
メーカー |
amd xilinx |
|
電圧 - 供給 |
1.71V〜1.89V |
|
合計RAMビット |
294912 |
|
サプライヤーデバイスパッケージ |
680-ftebga(40x40) |
|
シリーズ |
virtex®-e |
|
パッケージ /ケース |
680-lbga露出パッド |
|
パッケージ |
トレイ |
|
動作温度 |
0°C〜85°C(TJ) |
|
ロジック要素/セルの数 |
15552 |
|
ラボ/CLBの数 |
3456 |
|
I/Oの数 |
512 |
|
ゲートの数 |
985882 |
|
取り付けタイプ |
表面マウント |
|
基本製品番号 |
XCV600E |
組み込みシステムおよびIoTアプリケーション
FPGAの再構成可能性と堅牢な処理機能は、組み込みシステムおよびIoTデバイスに適しています。スマートデバイスや接続テクノロジーで必要な特定のタスクと機能を効率的に管理できる、テーラードハードウェアソリューションが可能になります。
画像処理と機械学習
実質的なロジックリソースとメモリにより、このFPGAは厳しい画像処理タスクを処理し、機械学習アルゴリズムを実行できます。この機能により、自動監視や高度なドライバーアシスタンスシステム(ADA)などのアプリケーションのデータ分析と意思決定を実行できます。
高速データ通信
FPGAは、LVDやLVPECLなどの複数の高性能インターフェイス標準のサポートを備えており、高速データ通信システムに最適です。これには、電気通信インフラストラクチャや高速ネットワーキングなど、迅速かつ信頼性の高いデータ転送が必要なアプリケーションが含まれます。
産業制御システム
FPGAの堅牢なアーキテクチャと柔軟なI/Oオプションにより、産業制御システムに適しています。機械と産業のプロセスを監視および制御し、運用効率と安全性を高めるために統合できます。
医療イメージング機器
医療イメージングアプリケーションのために大量のデータを処理するデバイスの能力。処理速度と画像解像度を必要とする超音波やMRIなどのシステムで必要な複雑な計算タスクをサポートします。
ワイヤレス通信インフラストラクチャ
FPGAは、5Gなどの新興技術を含むワイヤレス通信システムのバックボーンで利用できます。高いデータスループットと最新のワイヤレス通信ネットワークの動的要件をサポートするために必要な複雑な信号処理タスクを管理します。
家電
その適応性と高性能機能により、FPGAは家電に適しています。ゲームコンソール、スマートテレビ、ホームオートメーションシステムなどのデバイスに必要な効率的なデータ処理とインターフェースソリューションを提供します。
高性能
FPGAは、4つのLUTレベルで最大130 MHzまでの速度で動作できます。この高速機能により、迅速な応答時間と高いデータスループットを必要とするアプリケーションのデータ処理と高速計算操作が可能になります。
高い論理密度
最大985,882個のシステムゲートと15,552個の論理セルを備えたこのFPGAは、単一のチップ内の複雑なデジタル設計をサポートしています。この高いロジック密度により、複数の機能とプロセスを統合できるようになり、追加のコンポーネントの必要性が低下し、システム設計が簡素化されます。
汎用性の高いI/Oサポート
このデバイスには、512ユーザーI/Oピンが含まれており、LVDやLVPECLなどの20の高性能インターフェイス標準をサポートしています。この汎用性の高いI/O機能により、幅広いデジタルおよびアナログ入力と出力との互換性が保証され、柔軟なシステム統合と拡張が促進されます。
高度な時計管理
8つの完全なデジタル遅延ロックループ(DLL)を装備したFPGAは、クロック乗算、分割、ゼロデレイバッファリングなどの高度な時計管理機能を提供します。これらの機能は、同期とパフォーマンスを維持するための複雑なシステム内のタイミング制御の精度と柔軟性を高めます。
効率的なメモリ階層
SelectRAM+™メモリ階層には、最大1 MBの構成可能な分散RAMと最大832 kbの同期内部ブロックRAMが含まれています。この構造化されたアクセス可能なメモリシステムは、高速データストレージと取得、ビデオ処理や大規模なデータセット操作などのメモリ集約型アプリケーションの必要性をサポートします。
低消費電力
1.8Vのコア電圧で動作するFPGAは、エネルギー効率のために設計されており、これは電力に敏感なアプリケーションに有益です。この低消費電力は、全体的なエネルギーコストと熱フットプリントの削減に役立ち、ポータブルアプリケーションとリモートアプリケーションに対するデバイスの適合性を高めます。
再構成可能性
FPGAのSRAMベースのシステム内構成により、無制限の再プログラム性が可能になります。この機能により、物理的なハードウェアの変更を必要とせずに、オンザフライの更新と最適化が可能になり、進化するアプリケーション要件のための柔軟で費用対効果の高いソリューションが提供されます。
XCV600E-7FG680C、xilinx virtex-e fpgaがあります FG680パッケージ、それはaです ファインピッチボールグリッドアレイ(FBGA) と 680ボール。以下はパッケージの寸法です。
|
パラメーター |
シンボル |
min(mm) |
公称(mm) |
マックス(mm) |
|
体の大きさ |
a |
31 |
31 |
31 |
|
ボールピッチ |
b |
1.27 |
1.27 |
1.27 |
|
ボールの直径 |
c |
0.5 |
0.6 |
0.7 |
|
パッケージの高さ |
d |
2.7 |
3.2 |
3.7 |
|
ボールグリッド寸法 |
e |
26×26 |
26×26 |
26×26 |
XCV600E-7FG680Cは、元々プログラム可能なロジックデバイスの大手プロバイダーであるXilinxが製造したフィールドプログラム可能なゲートアレイ(FPGA)です。Xilinxは、このモデルを含むVirtex-Eシリーズを開発し、高度なコンピューティングおよび信号処理アプリケーション向けの高性能ロジックソリューションを提供しました。2022年、 AMD Xilinxを取得し、AMDをXilinx FPGA製品ラインの現在のメーカーおよび所有者にしました。XilinxはFPGASでのイノベーションで知られていましたが、AMDはこれらのテクノロジーをポートフォリオに統合し続け、高性能コンピューティングと適応処理ソリューションに焦点を当てています。ただし、XCV600E-7FG680Cは現在廃止されているため、AMDはこの特定のFPGAモデルを積極的に生成またはサポートしていません。
XCV600E-7FG680Cは、高速で柔軟でエネルギー効率の高いFPGAであり、多くの高度なデジタルプロジェクトに最適です。生成されなくなりましたが、信頼できるパフォーマンスを必要とする既存のシステムにはまだ価値があります。再プログラムする能力は、長期的なアプリケーションに役立ちます。このガイドは、このFPGAのすべての重要な詳細を提供し、それが正しい選択かどうかを判断するか、デザインの代替品を見つけるのに役立ちます。
お問い合わせを送ってください、すぐに返信します。
Xilinx ISE(統合ソフトウェア環境)を使用して、XCV600E-7FG680Cをプログラムできます。このソフトウェアにより、VHDLまたはVerilog、合成、およびビットストリーム生成を使用したHDLベースの開発が可能になります。ISEは時代遅れであるため、互換性のためにレガシーハードウェアツールとプログラミングケーブルが必要になる場合があります。
XCV600E-7FG680Cの最大内部パフォーマンス速度は、4つのレベルのロジック(LUTS)にわたって130 MHzです。多くのアプリケーションでは十分ですが、最新のFPGAは500 MHzを超えており、超高速設計により適しています。
XCV600E-7FG680Cは1.8Vで動作し、0.18µM CMOSプロセスに基づいているため、電力効率を向上させるために高度な28nmまたは16nmのFinfetテクノロジーを使用する最新のFPGAに比べてより多くのパワーを消費します。消費電力が懸念される場合は、Xilinx Kintex Ultrascale+ FPGASを検討してください。
主な違いは、パッケージタイプとピンカウントにあります。XCV600E-7FG680Cには、高密度PCB設計に適した680ピンファインピッチボールグリッドアレイ(FBGA)パッケージがあります。XCV600E-7BG432Cは432ピンボールグリッドアレイ(BGA)パッケージに収容されており、よりコンパクトになっていますが、I/Oオプションは少なくなります。
はい、XCV600E-7FG680Cは、特に画像処理およびパターン認識アプリケーションで、基本的なAIおよび機械学習タスクを処理できます。ただし、Xilinx Zynq Ultrascale+やVersal AI Coreなどの新しいFPGAは、高性能AIワークロードにより適しています。
03/14/2025で公開されています
03/13/2025で公開されています
04/18/8000で公開されています 147778
04/18/2000で公開されています 112032
04/18/1600で公開されています 111351
04/18/0400で公開されています 83788
01/1/1970で公開されています 79589
01/1/1970で公開されています 66973
01/1/1970で公開されています 63109
01/1/1970で公開されています 63043
01/1/1970で公開されています 54097
01/1/1970で公開されています 52195